Каталог запасных частей к технике: МТЗ-80. Цилиндр Ц75

1
2
2
3
4
5
6
6
7
8
8
8
9
9
10
11
12
13
14
15
16
17
18
19
20
21
22
23
24
25
26
27
28
29
29
30
30
31
32
33
34
35
36
37
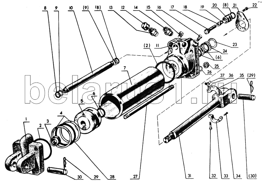
Позиция на иллюстрации | Заводской номер детали | Название детали | |
---|---|---|---|
Ц75-1111001-А | Ц75-1111001-А | Цилиндр Ц75х 200-2 (поставляется по заказу потребителей) | |
1 | Ц75-1111020-Г | Крышка задняя | |
2 | Ц75-1111045 | Кольцо | |
3 | Ц90-1212007-А | Гайка | |
4 | Ц75-1111042 | Прокладка | |
5 | Ц75-1111023-А | Поршень | |
6 | Ц90-1212044-А | Кольцо | |
7 | Ц75-1111022 | Корпус | |
8 | Ц90-1212046 | Кольцо | |
9 | Ц90-1212027 | Шайба | |
10 | Ц90-1212026-А | Маслопровод | |
11 | Ц75-1111021-Б | Крышка передняя | |
12 | 50-4607124 | Колпак | |
13 | Н.036.60.020 | Замедлительный клапан | |
14 | Н.036.05.002 | Штуцер | |
15 | Ц90-1212057 | Заглушка 1/2" | |
16 | Ц90-1212056 | Заглушка 1/4" | |
17 | Ц90-1212004-А | Клапан с уплотнением | |
18 | Ц90-1212034 | Втулка | |
19 | Ц90-1212047 | Кольцо | |
20 | Ц90-1212033-А | Корпус клапана | |
21 | Ц90-1212035-А | Крышка чистиков | |
22 | Болт М6-6gх14.56.019 ГОСТ 7798-70 | Болт М6-6gх14.56.019 ГОСТ 7798-70 | |
23 | Ц90-1212036 | Чистик | |
24 | Ц90-1212048 | Прокладка | |
25 | Гайка М12.6Н.6.019 ГОСТ 15521-70 | Гайка М12.6Н.6.019 ГОСТ 15521-70 | |
26 | Шайба 12Т 65Г 06 ГОСТ 6402-70 | Шайба 12Т 65Г 06 ГОСТ 6402-70 | |
27 | Ц90-1212041-А | Шпилька | |
28 | Ц75-1111043 | Кольцо | |
29 | 15.62059 | Шплинт | |
30 | Ц90-1212037-В | Заказать | Палец |
31 | Ц90-1212002-А | Шток | |
32 | Болт М6-6gх35 56.019 ГОСТ 7798-70 | Болт М6-6gх35 56.019 ГОСТ 7798-70 | |
33 | Ц90-1212029-А | Полукольцо нижнее | |
34 | Ц90-1212030 | Палец упора | |
35 | Ц90-1212028-А | Упор | |
36 | Шайба 6Т 65Г 06 ГОСТ 6402-70 | Шайба 6Т 65Г 06 ГОСТ 6402-70 | |
37 | Гайка М6.6Н.019 ГОСТ 3032-76 | Гайка М6.6Н.019 ГОСТ 3032-76 |
Содержащиеся в справочниках-каталогах запасные части и детали не предлагаются к продаже, а носят исключительно информационный характер