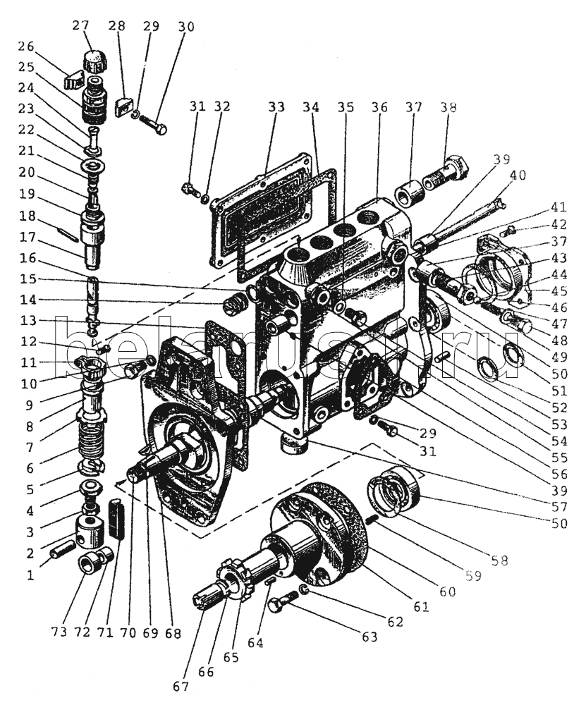
Каталог запасных частей к технике: МТЗ-80 (2002). 1111 Насос топливный 4УТНИ
/9.gif)
1
2
3
4
5
6
7
8
9
10
11
12
13
14
15
16
17
18
19
20
21
22
23
24
25
26
27
28
29
29
30
31
31
32
33
34
35
36
37
37
38
39
39
40
41
42
43
44
45
46
47
48
49
50
50
51
52
53
54
55
56
57
58
59
60
61
62
63
64
65
66
67
68
69
70
71
72
73
Позиция на иллюстрации | Заводской номер детали | Название детали | |
---|---|---|---|
4УТНИ-111105-20 | 4УТНИ-111105-20 | Насос топливный с регулятором 4УТНМ-1110010-40, УТН-3-1106010-А4 | |
16-С13-1Б | 16-С13-1Б | Клапан перепускной в сборе | |
4УТНИ-1111220 | 4УТНИ-1111220 | Заказать | Клапан |
4УТНМ-1111410-01 | 4УТНМ-1111410-01 | Плунжерная пара в сборе | |
4УТНМ-1111160-10 | 4УТНМ-1111160-10 | Фланец с заглушкой в сборе | |
4УТНМ-1111090-01 | 4УТНМ-1111090-01 | Толкатель в сборе | |
4УТНИ-1111010 | 4УТНИ-1111010 | Насос топливный | |
1 | 4УТНМ-1111266 | Ось | |
2 | 4УТНМ-1111262-01 | Корпус толкателя | |
3 | УТН-5-1111267 | Контргайка | |
4 | 4УТНМ-1111265 | Болт | |
5 | 4УТНМ-1111472 | Тарелка | |
6 | УТН-5-1111138 | Пружина | |
7 | УТН-5-111147-А | Тарелка | |
8 | УТН-5-1111431-01 | Втулка | |
9 | ГОСТ7796-70 | Болт М8-6gх20.88.35.019 | |
10 | УТН-5-1110242-В | Шайба | |
11 | 4УТНМ-1111432-01 | Венец | |
12 | УТН-5-1111433-А | Винт | |
13 | 4УТНМ-1111483-01 | Прокладка | |
14 | УТН-5-1111023-А | Пробка | |
15 | УТН-5-1111519 | Кольцо | |
16 | 4УТНМ-1111422 | Плунжер | |
17 | 4УТНМ-1111425-01 | Втулка | |
18 | УТН-3-1111489 | Штифт | |
19 | 4УТНИ-1111226 | Седло | |
20 | 4УТНИ-1111224 | Клапан | |
21 | 4УТНИ-1111225 | Пружина | |
22 | 16-212-В1 | Прокладка | |
23 | 4УТНИ-1111487-01 | Прокладка | |
24 | 4УТНИ-1111486 | Вытеснитель | |
25 | 4УТНИ-1111485 | Штуцер | |
26 | УТН-3-1111478-А2 | Зажим | |
27 | 119-73-В | Колпачок (деталь технологическая) | |
28 | УТН-3-1111477-А2 | Зажим | |
29 | ОСТ37.001.115-75 | Шайба 8Т | |
30 | ГОСТ7798-70 | Болт M6-6gx16.88.35.019 | |
31 | ГОСТ7796-70 | Болт М8-6gх20.88.35.019 | |
32 | УТН-3-1111488-01 | Шайба | |
33 | УТН-5-1111475-А6 | Крышка | |
34 | УТН-5-1111476-А5 | Прокладка | |
35 | ОНМ-086-1 | Прокладка | |
36 | 4УТНМ-1111025-30 | Корпус насоса | |
37 | 119-85-1 | Втулка (деталь технологическая) | |
38 | А12.01.013-02 | Болт | |
39 | 4УТНМ-1111029 | Втулка | |
40 | 4УТНМ-1111350 | Рейка | |
41 | УТН-3-1111028-Г | Футорка | |
42 | ГОСТ17473-80 | Винт ВМ6-6gх12.58.019 | |
43 | 16-216-1 | Корпус | |
44 | 16-262 | Шарик | |
45 | УТН-5-1111451-И | Заказать | Стакан |
46 | 4УТНМ-1111213 | Прокладка регулировочная | |
47 | 16-057 | Пружина | |
48 | 16-218 | Пробка | |
49 | 16-219 | Прокладка | |
50 | 7204К1 | Подшипник | |
51 | УТН-5-1111153 | Шайба | |
52 | УТН-5-1111154 | Шайба | |
53 | Д40-1110026 | Штифт | |
54 | ОНМ-019-2 | Болт | |
55 | УТН-3-1111022-Б | Футорка | |
56 | 16-148-Б | Заказать | Прокладка |
57 | УТН-3-1111026-А2 | Пробка | |
58 | 4УТНМ-1111244 | Пластина опорная | |
59 | 4УТНМ-1111243-10 | Пружина | |
60 | 4УТНМ-1111493-01 | Прокладка | |
61 | 4УТНМ-1111162-10 | Фланец | |
62 | ОСТ37.001.115-75 | Шайба 8Т | |
63 | ГОСТ7796-70 | Болт М8-6gх20.88.35.019 | |
64 | УТН-5-1111163 | Заглушка | |
65 | 4УТНМ-1111165 | Втулка | |
66 | ОСТ37.001.115-75 | Шайба 8Т | |
67 | 4УТНМ-1111144 | Гайка | |
68 | 4УТНМ-1111082-11 | Плита | |
69 | УТН-5-1111155 | Шпонка | |
70 | 4УТНИ-1111152 | Вал кулачковый | |
71 | 4УТНМ-1111426 | Фиксатор | |
72 | УТН-5-1111264 | Втулка | |
73 | УТН-5-1111263 | Ролик |
Содержащиеся в справочниках-каталогах запасные части и детали не предлагаются к продаже, а носят исключительно информационный характер