Каталог запасных частей к технике: МТЗ-80 (2002). 1702 Механизм переключения передач
/134.gif)
1
2
3
4
5
6
6
6
7
7
7
7
8
8
9
10
11
12
13
14
15
16
17
18
19
20
21
21
22
22
22
23
24
25
26
27
28
29
30
31
32
33
34
35
36
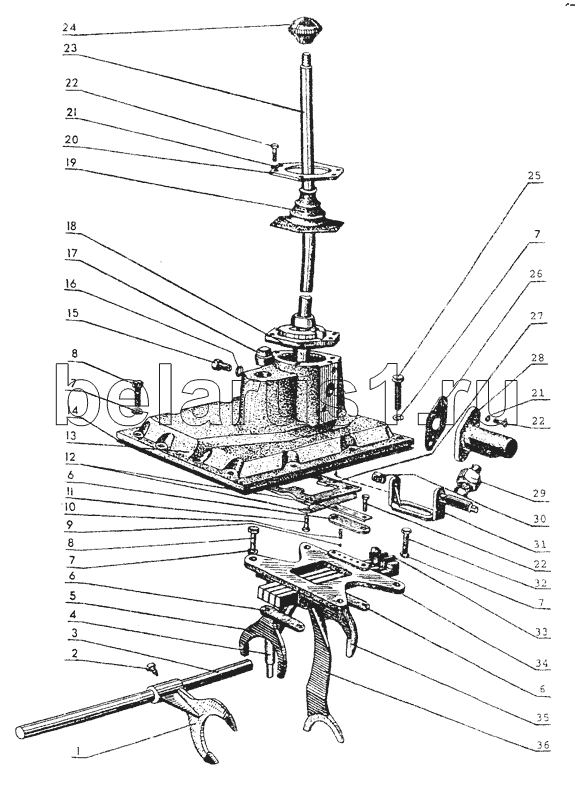
Позиция на иллюстрации | Заводской номер детали | Название детали | |
---|---|---|---|
70-1702010 | 70-1702010 | Заказать | Крышка коробки передач 50-1702080 в сборе |
50-1702080 | 50-1702080 | Заказать | Корпус вилок в сборе |
1 | 50-1702028 | Заказать | Вилка переключения редуктора |
2 | 36-1702110 | Заказать | Винт установочный |
3 | 50-1702063 | Заказать | Валик |
4 | 50-1702095-А1 | Заказать | Поводок |
5 | 50-1702116 | Заказать | Вилка переключения IV и V передач |
6 | 50-170281 | Планка вилок переключения | |
7 | OCT37.001.115-75 | Шайба 6Т | |
8 | ГОСТ7796-70 | Болт М8-6gх20.88.35.019 | |
9 | ГОСТ3722-81 | Шарик 10.0-60 | |
10 | 50-1702148-А | Заказать | Пружина фиксатора |
11 | ГОСТ7796-70 | Болт М8-6gх20.88.35.019 | |
12 | 50-1702107-А | Пластина стопорная | |
13 | 50-1702025-А | Крышка | |
14 | 50-1702026 | Прокладка | |
15 | ГОСТ7796-70 | Болт М8-6gх20.88.35.019 | |
16 | ОСТ.37.001.115-75 | Шайба 12ОТ | |
17 | Пробка КГ11/4 | Пробка КГ 1 1/4 | |
18 | 50-1702121 | Прокладка | |
19 | 50-1702236 | Заказать Заказать Заказать | Чехол |
20 | 50-1702231 | Заказать | Кольцо нажимное |
21 | ОСТ37.001.115-75 | Шайба 8Т | |
22 | ГОСТ7796-70 | Болт М8-6gх20.88.35.019 | |
23 | 70-1702020-А | Заказать Заказать | Рычаг переключения |
24 | 70-1702125 | Заказать | Рукоятка |
25 | ГОСТ7796-70 | Болт М8-6gх20.88.35.019 | |
26 | 50-1702045 | Прокладка | |
27 | 50-1702084 | Пластина ограничительная | |
28 | 50-1702044 | Заказать | Втулка |
29 | ТУРБ33374210.004-96 | Выключатель ВК 12-3 | |
30 | 36-1301163 | Пружина | |
31 | 70-1702040-01 | Заказать | Рамка |
32 | 50-1702092 | Заказать | Болт призонный М12х42 |
33 | 50-1702083 | Планка замковая | |
34 | 50-1702085 | Заказать | Корпус вилок |
35 | 50-1702096 | Заказать | Вилка переключения III передачи |
36 | 74-1702086 | Заказать | Вилка 1-й передачи и заднего хода |
Содержащиеся в справочниках-каталогах запасные части и детали не предлагаются к продаже, а носят исключительно информационный характер