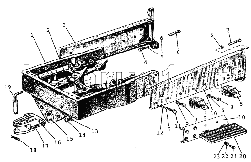
Каталог запасных частей к технике: МТЗ-80 (2002). 2800, 2801 Полурама
/53.gif)
1
2
3
4
5
5
5
5
5
6
7
8
8
9
9
10
10
11
12
13
14
15
16
17
18
19
20
21
22
23
Позиция на иллюстрации | Заводской номер детали | Название детали | |
---|---|---|---|
50-2800010-Б6 | 50-2800010-Б6 | Полурама в сборе | |
70-2801120-А1 | 70-2801120-А1 | Заказать | Брус передний с втулками в сборе |
1 | 50-2801124-А2 | Брус передний | |
2 | 50-3405041 | Заказать | Втулка |
3 | 50-2801052-Б2 | Лонжерон правый | |
4 | ГОСТ7796-70 | Болт М8-6gх20.88.35.019 | |
5 | OCT37.001.115-75 | Шайба 6Т | |
6 | ГОСТ7795-70 | Болт M12-6gx100.88.35.019 | |
7 | ГОСТ7795-70 | Болт M12-6gx100.88.35.019 | |
8 | 50-3913214 | Зажим | |
9 | ГОСТ7796-70 | Болт М8-6gх20.88.35.019 | |
10 | 50-2801053-Б2 | Лонжерон левый | |
11 | ГОСТ7796-70 | Болт М8-6gх20.88.35.019 | |
12 | 50-2800011 | Заказать | Втулка |
13 | ГОСТ5915-70 | Гайка М6-6Н.6.019 | |
14 | ОСТ37.001.115-75 | Шайба 8Т | |
15 | 40-3001022 | Заказать Заказать Заказать Заказать | Втулка |
16 | 80-2806011 | Буксир передний | |
17 | 70-4605036 | Заказать | Болт |
18 | А61.07.001 | Заказать Заказать | Шплинт |
19 | 50-4605079-Б | Шкворень | |
20 | 82Р-8405070 | Подножка | |
21 | ГОСТ7796-70 | Болт М8-6gх20.88.35.019 | |
22 | ОСТ37.001.115-75 | Шайба 8Т | |
23 | ГОСТ5915-70 | Гайка М6-6Н.6.019 |
Содержащиеся в справочниках-каталогах запасные части и детали не предлагаются к продаже, а носят исключительно информационный характер