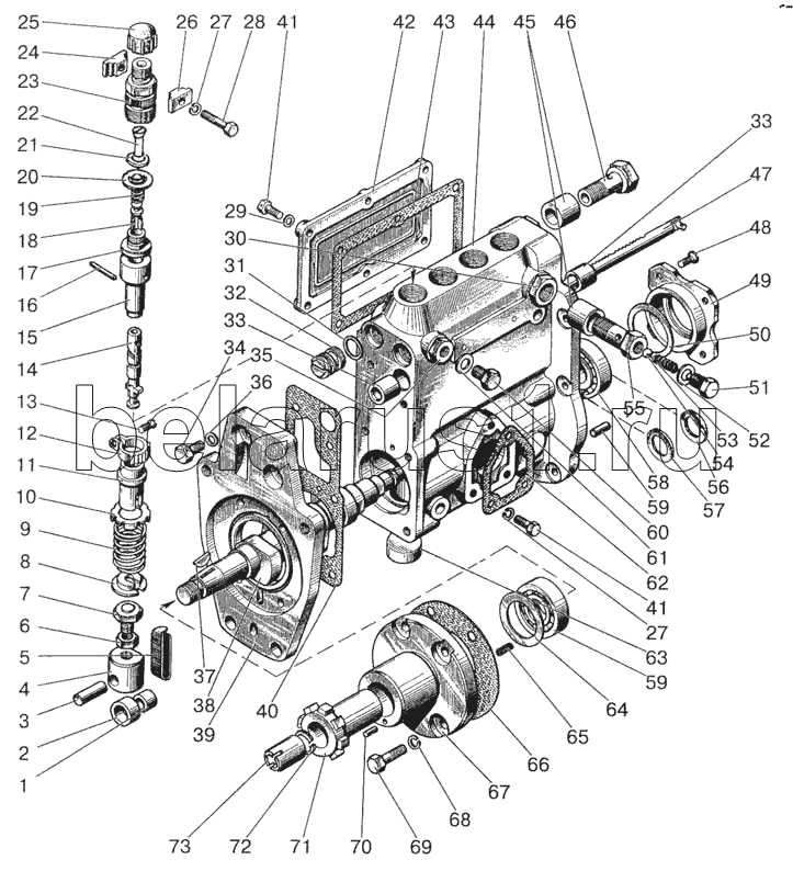
Каталог запасных частей к технике: МТЗ-822. Насос топливный высокого давления

4УТНИ-1111005-20
4УТНИ-Т-1111010
4УТНИ-Т-1111005-20
1
2
3
4
5
6
7
8
9
10
11
12
13
14
15
16
17
18
18
19
20
21
22
23
24
25
26
27
27
28
29
30
31
32
33
33
34
35
36
37
38
39
40
41
41
42
43
44
45
46
47
48
49
50
51
52
53
54
55
56
57
58
59
59
60
61
62
63
64
65
66
67
68
69
70
71
72
73
Позиция на иллюстрации | Заводской номер детали | Название детали | |
---|---|---|---|
4УТНИ-1111005-20 | 4УТНИ-1111005-20 | Заказать Заказать | Насос топливный |
16-С13-1Б | 16-С13-1Б | Клапан перепускной в сборе | |
4УТНМ-1111410-01 | 4УТНМ-1111410-01 | Плунжерная пара в сборе | |
4УТНМ-1111090-01 | 4УТНМ-1111090-01 | Толкатель в сборе | |
4УТНИ-Т-1111010 | 4УТНИ-Т-1111010 | Насос топливный (1-73) | |
4УТНИ-Т-1111005-20 | 4УТНИ-Т-1111005-20 | Насос топливный с регулятором | |
1 | УТН-5-1111264 | Втулка | |
2 | УТН-5-1111263 | Ролик | |
3 | 4УТНМ-1111266 | Ось | |
4 | 4УТНМ-1111262-01 | Корпус толкателя | |
5 | 4УТНМ-1111426 | Фиксатор | |
6 | УТН-5-1111267 | Контргайка | |
7 | 4УТНМ-1111265 | Болт | |
8 | 4УТНМ-1111472 | Тарелка | |
9 | УТН-5-1111138 | Пружина | |
10 | УТН-5-1111473-А | Тарелка | |
11 | УТН-5-1111431-01 | Втулка | |
12 | 4УТНМ-1111432-01 | Венец | |
13 | УТН-5-1111433-А | Винт | |
14 | 4УТНМ-1111422 | Плунжер | |
15 | 4УТНМ-1111425-01 | Втулка | |
16 | УТН-3-1111489 | Штифт | |
17 | УТНИ-1111226 | Седло | |
18 | 4УТНИ-1111220 | Заказать | Клапан |
18 | УТНИ-1111224 | Клапан | |
19 | 4УТНИ-1111225 | Пружина | |
20 | 16-212-В1 | Прокладка | |
21 | 4УТНИ-1111487-01 | Прокладка | |
22 | 4УТНИ-1111486 | Вытеснитель | |
23 | УТНИ-1111485 | Штуцер | |
24 | УТН-3-1111478-А2 | Зажим | |
25 | 119-73-В | Колпачок (деталь технологическая) | |
26 | УТН-3-1111477-А2 | Зажим | |
27 | ШП6 | Шайба | |
28 | М6х30 | Болт | |
29 | УТН-3-1111488-01 | Шайба | |
30 | УТН-3-1111028-Г | Футорка | |
31 | УТН-5-1111519 | Кольцо | |
32 | УТН-5-1111023-А | Пробка | |
33 | 4УТНМ-1111029 | Втулка | |
34 | М8х16 | Болт | |
35 | УТН-3-1111022-Б | Футорка | |
36 | УТН-5-1110242-В | Шайба | |
37 | УТН-5-1111155 | Шпонка | |
38 | УТНИ-1111152 | Вал кулачковый | |
39 | 4УТНМ-1111082-11 | Плита | |
40 | 4УТНМ-1111483-01 | Прокладка | |
41 | М6х20 | Винт | |
42 | УТН-5-1111475-А6 | Крышка | |
43 | УТН-5-1111476-А5 | Прокладка | |
44 | 4УТНМ-1111025-30 | Корпус насоса | |
45 | 119-85-1 | Втулка (деталь технологическая) | |
46 | А12.01.013-02 | Болт | |
47 | 4УТНМ-1111350 | Рейка | |
48 | ВМ6х12 | Винт | |
49 | УТН-5-1111451-И | Заказать | Стакан |
50 | 4УТНМ-1111213 | Прокладка регулировочная | |
51 | 16-218 | Пробка | |
52 | 16-219 | Прокладка | |
53 | 16-057 | Пружина | |
54 | 16-262 | Шарик | |
55 | 16-216-1 | Корпус | |
56 | УТН-5-1111153 | Шайба | |
57 | УТН-5-1111154 | Шайба | |
58 | 7204-К1 | Подшипник | |
59 | Д40-1110026 | Штифт | |
60 | ОНМ-019-2 | Болт | |
61 | ОНМ-086-1 | Прокладка | |
62 | 16-148-Б | Заказать | Прокладка |
63 | УТН-3-1111026-А2 | Пробка | |
64 | 4УТНМ-1111244 | Пластина опорная | |
65 | 4УТНМ-1111243-10 | Пружина | |
66 | 4УТНМ-1111493-01 | Прокладка | |
67 | 4УТНМ-1111162-10 | Фланец | |
68 | ШП8 | Шайба | |
69 | М8х30 | Болт | |
70 | УТН-5-1111163 | Заглушка | |
71 | 4УТНМ-1111165 | Втулка | |
72 | ШП14 | Шайба | |
73 | 4УТНМ-1111144 | Гайка |
Содержащиеся в справочниках-каталогах запасные части и детали не предлагаются к продаже, а носят исключительно информационный характер