Каталог запасных частей к технике: МТЗ-826. Синхронизированный реверс - редуктор

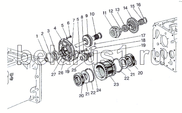
1
2
3
4
4
5
5
6
7
8
9
10
11
12
13
14
15
16
17
18
19
19
20
20
21
21
22
22
23
24
25
26
27
Позиция на иллюстрации | Заводской номер детали | Название детали | |
---|---|---|---|
Р70-1721020 | Р70-1721020 | Вал | |
50-1721040 | 50-1721040 | Шестерня | |
1 | 2С55 | Кольцо | |
2 | 2С100 | Кольцо | |
3 | 211АУШ1 | Подшипник | |
4 | 74-1721023 | Прокладка | |
4 | 74-1721023-01 | Прокладка | |
5 | 10 ОТ | Шайба | |
6 | M10-6gx25.88.35.019 | Болт | |
7 | Р70-1721022 | Заказать Заказать | Крышка опорная |
8 | M10-6gx75.88.35.019 | Болт | |
9 | Р70-1721090 | Шестерня | |
10 | 74-1721113 | Заказать | Вал |
11 | 74-1701060-А | Заказать Заказать | Синхронизатор |
12 | С40 | Кольцо | |
13 | 74-1721028 | Заказать | Втулка |
14 | 74-1721080-01 | Заказать | Шестерня |
15 | 3КК50х57х36Е | Подшипник | |
16 | 74-1701026 | Шайба | |
17 | 70-1723012 | Заказать | Штифт 6х36.88.016 |
18 | Р70-1721023 | Заказать | Ось |
19 | Р70-1721021 | Шайба | |
20 | 212АУШ1 | Подшипник | |
21 | 70-1721318 | Заказать | Шайба маслоотражательная |
22 | 2С110 | Заказать | Кольцо |
23 | 50-1721041 | Шестерня | |
24 | 864906Е | Роликоподшипник | |
25 | Р70-1721024 | Заказать | Шестерня |
26 | 12-12-306 | Кольцо | |
27 | 52-2308094 | Заказать | Штифт |
Содержащиеся в справочниках-каталогах запасные части и детали не предлагаются к продаже, а носят исключительно информационный характер