Каталог запасных частей к технике: МТЗ-900. Гидроагрегаты и арматура

1
2
3
4
4
5
6
7
8
9
10
11
12
13
14
15
16
17
18
19
20
21
22
23
24
25
26
27
28
29
29
30
31
32
33
34
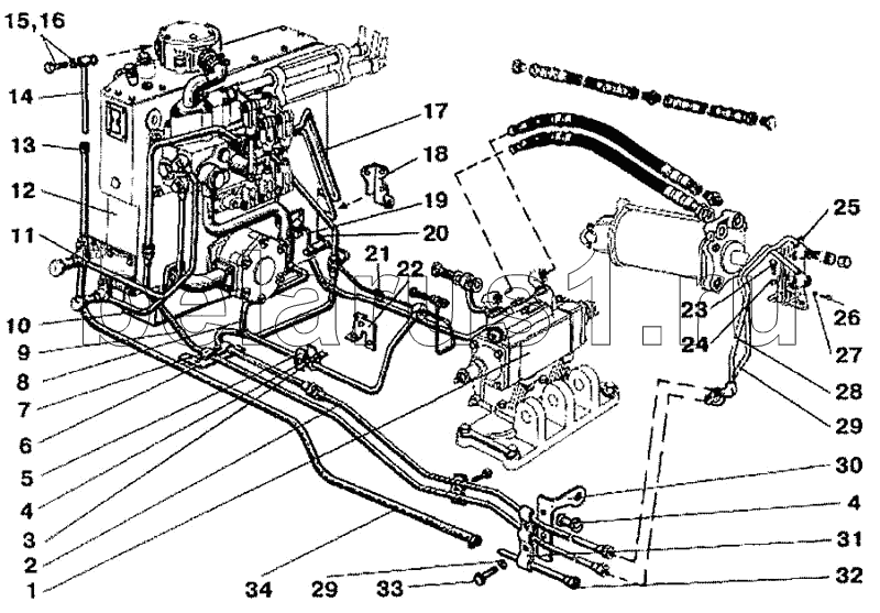
Позиция на иллюстрации | Заводской номер детали | Название детали | |
---|---|---|---|
Болт М8х36 | Болт М8х36 | Болт М8х36 | |
80-4600015Б-09 | 80-4600015Б-09 | Бак гидросистемы | |
ПК80-9759 | ПК80-9759 | Корпус гидросистемы | |
Шайба ШП8 | Шайба ШП8 | Шайба ШП8 | |
1 | 80-4614020 | Регулятор | |
2 | Н80-4607150 | Заказать | Труба |
3 | 80-4607169 | Кронштейн | |
4 | 70-3506027 | Втулка | |
5 | 70-3407146 | Планка | |
6 | Н80-4607206 | Кронштейн | |
7 | 70-3407144 | Планка | |
8 | Н80-4607170 | Заказать | Труба |
9 | Н80-4607160 | Труба | |
10 | 80Х-4607130 | Заказать | Труба |
11 | 80Х-4607120 | Заказать | Труба |
12 | 85-4608010-03 | Корпус бака гидросистемы | |
13 | ХС-2Б | Хомут стяжной | |
14 | 80В-4607375 | Маслопровод | |
15 | 40-4607033А | Шайба | |
16 | 40-4607037 | Заказать | Болт |
17 | 80-4607115Б | Маслопровод | |
18 | 80-4607119 | Кронштейн | |
19 | 85-3407101 | Заказать | Патрубок |
20 | 80-4607320Б | Кронштейн | |
21 | 70-4607161 | Планка | |
22 | 70-4607270А | Кронштейн | |
23 | Болт М12х20 | Болт М12х20 | |
24 | Шайба ШП12 | Шайба ШП12 | |
25 | 85-4607440 | Кронштейн | |
26 | Болт М8х25 | Болт М8х25 | |
27 | Шайба ШП8 | Шайба ШП8 | |
28 | 70-4607395Б | Труба | |
29 | 70-4607400Б | Труба | |
30 | 82В1-4607210 | Кронштейн | |
31 | 82В1-4607217 | Планка | |
32 | 82В.1-4607380 | Маслопровод | |
33 | Болт М8х35 | Болт М8х35 | |
34 | 80В-4607213 | Шланг |
Содержащиеся в справочниках-каталогах запасные части и детали не предлагаются к продаже, а носят исключительно информационный характер