Каталог запасных частей к технике: МТЗ-900/920/950/952. Облицовка
1
1
2
3
4
5
5
5
5
5
5
5
5
5
6
6
7
7
7
7
7
7
8
8
9
10
10
10
10
11
11
12
13
13
14
14
14
14
14
14
15
16
16
17
17
18
18
19
19
19
20
21
23
23
24
24
24
24
25
26
26
26
27
28
29
30
31
32
33
34
35
36
37
38
39
39
40
41
42
43
44
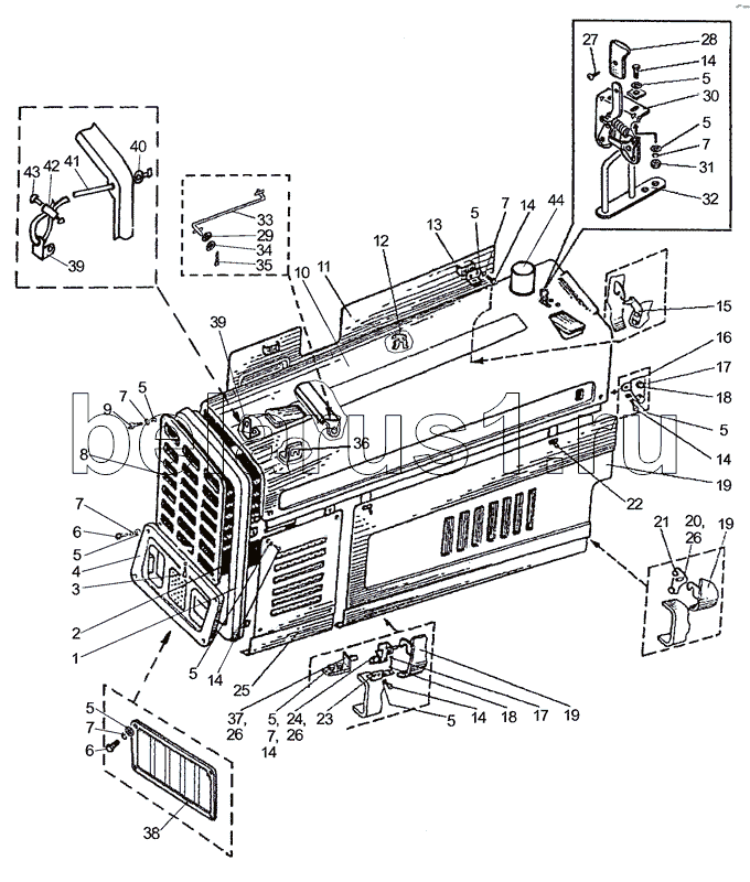
| Позиция на иллюстрации | Заводской номер детали | Название детали | |
|---|---|---|---|
| 12ОТ | 12ОТ | Шайба ОСТ 37.001.115-75 | |
| М12-6Н.6.019 | М12-6Н.6.019 | Гайка | |
| С12.01.019 | С12.01.019 | Шайба | |
| С10.01.019 | С10.01.019 | Шайба | |
| 10ОТ | 10ОТ | Шайба ОСТ 37.001.115-75 | |
| 1 | 90-8402030 | Заказать Заказать | Рамка |
| 1 | 90-8402030-01 | Рамка | |
| 2 | 90-8402025-01 | Заказать | Боковина |
| 3 | M10-6gx25.88.35.019 | Болт | |
| 4 | 90-8401080 | Заказать | Решетка |
| 5 | С6.01.019 | Шайба | |
| 6 | M6-6gx35.88.35.019 | Болт | |
| 7 | 6Т | Шайба | |
| 8 | 90-8401120 | Заказать Заказать | Решетка |
| 9 | M6-6gx20.88.35.019 | Болт | |
| 10 | 90-8402020-01 | Капот | |
| 10 | 90-8402020-02 | Заказать | Капот |
| 10 | 90-8402020-03 | Капот | |
| 10 | 90-8402020 | Капот | |
| 11 | 90-8402320 | Боковина правая | |
| 11 | 90-8402320-01 | Боковина правая | |
| 12 | 90-8400021 | Зажим | |
| 13 | 90-8402410-01 | Замок правый | |
| 13 | 90-8402410 | Замок левый | |
| 14 | М6-6gx16.88.35.019 | Болт | |
| 15 | 90-8401065 | Опора | |
| 16 | 90-8401040 | Кронштейн левый | |
| 16 | 90-8401040-01 | Кронштейн правый | |
| 17 | М8-6gx20.88.35.019 | Болт | |
| 18 | 8Т | Шайба | |
| 19 | 90-8402310 | Боковина левая | |
| 20 | 90-8401060 | Опора | |
| 21 | М12-6gx55.88.35.019 | Болт | |
| 23 | 90-8401031 | Кронштейн левый | |
| 23 | 90-8401031-01 | Кронштейн правый | |
| 24 | 90-8401055-01 | Кронштейн правый | |
| 24 | 90-8401055 | Кронштейн левый | |
| 24 | 90-8401050 | Кронштейн правый | |
| 24 | 90-8401050-01 | Кронштейн левый | |
| 25 | 90-8402025 | Заказать | Боковина |
| 26 | 90-8400056-01 | Втулка | |
| 27 | 4x10.019 | Шуруп | |
| 28 | 80-6105056 | Заказать | Рукоятка |
| 29 | 549А-1305044 | Кольцо | |
| 30 | 80-8402410 | Заказать | Замок |
| 31 | М6-6Н.6.019 | Гайка | |
| 32 | 90-8402420-Б | Скоба | |
| 33 | 90-8400070 | Тяга | |
| 34 | С8.01.019 | Шайба | |
| 35 | 3,2x25.019 | Шплинт | |
| 36 | 90-8400012-Б | Кронштейн | |
| 37 | 90-8402075 | Фиксатор | |
| 38 | 90-8401020-Б | Решетка | |
| 39 | 70-6702111 | Угольник | |
| 40 | С4.01.019 | Шайба | |
| 41 | 90-8402050 | Трос | |
| 42 | 70-4803023 | Заказать | Муфта |
| 43 | В.М5-6gx12.58.019 | Винт | |
| 44 | 800-1109002 | Переходник |
Содержащиеся в справочниках-каталогах запасные части и детали не предлагаются к продаже, а носят исключительно информационный характер