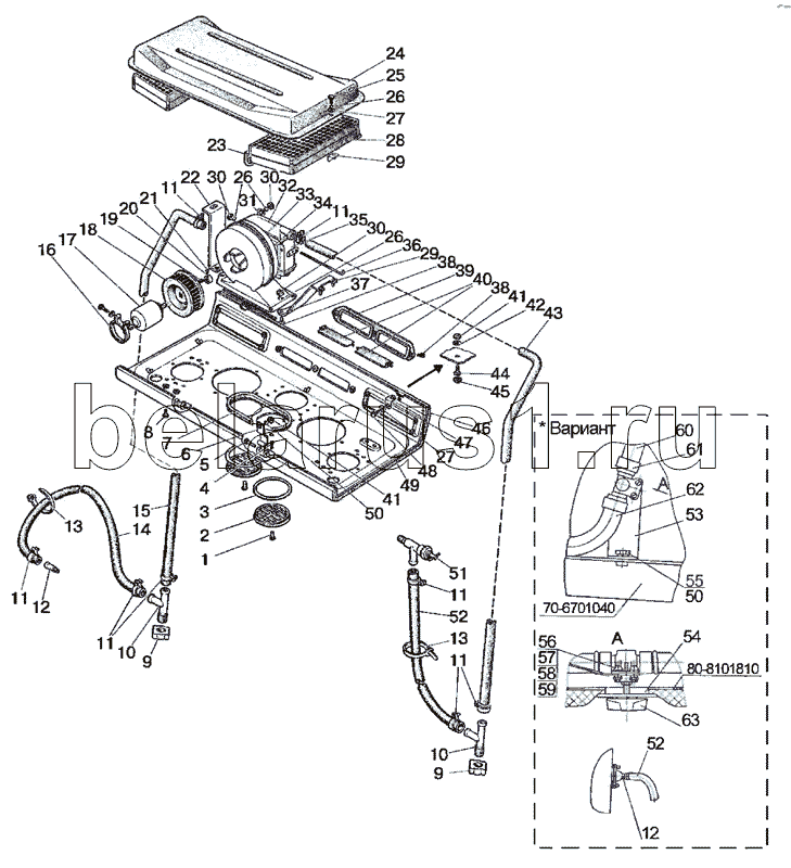
Каталог запасных частей к технике: МТЗ-900/920/950/952. Отопитель

80-8101720
80-8101810
1
2
3
4
5
6
7
8
9
9
10
10
11
11
11
11
11
11
12
12
13
13
14
15
16
17
18
19
20
21
22
23
24
25
26
26
26
27
27
28
29
29
30
30
30
31
32
32
32
32
33
34
35
36
37
38
38
39
40
41
41
42
43
44
45
46
47
48
49
50
50
51
52
52
Позиция на иллюстрации | Заводской номер детали | Название детали | |
---|---|---|---|
80-8101720 | 80-8101720 | Заказать | Отопитель в сборе |
80-8101810 | 80-8101810 | Панель | |
80-8101830 | 80-8101830 | Арматура отопителя | |
80-8101810 | 80-8101810 | Панель | |
1 | 6x18 | Палец | |
2 | 150.95.301 | Заказать | Воздухораспределитель |
3 | 80-8100013 | Накладка | |
4 | 2x12.019 | Шплинт | |
5 | 50-8400031 | Ось | |
6 | 80-8100048 | Петля | |
7 | 80-8101714-07 | Уплотнитель | |
8 | 2x12.019 | Шплинт | |
9 | 80-8100052 | Пробка | |
10 | 80-8100051 | Заказать | Тройник |
11 | ХС-23 | Хомут | |
12 | 80-8100023 | Заказать | Штуцер |
13 | 80-3723045-01 | Манжета | |
14 | 80-8102015-02 | Шланг L=1840 мм | |
15 | 80-8101015 | Шланг | |
16 | ХС-76 | Хомут | |
17 | 9742.3730 | Заказать Заказать | Электродвигатель |
18 | 80-8104034 | Ротор | |
19 | М4-6Н.6.019 | Гайка | |
20 | 80-8104039 | Кольцо | |
21 | В.М4-6gx10.58.019 | Винт | |
22 | 80-8101721 | Растяжка | |
23 | 80-8101714-04 | Уплотнитель | |
24 | 80-8101760 | Крышка | |
25 | М6-6gx20.88.35.019 | Болт | |
26 | 6Т | Шайба | |
27 | С6.01.019 | Шайба | |
28 | 80-8104070 | Заказать | Фильтр |
29 | 80-8101820 | Подвеска | |
30 | М6-6Н.6.019 | Гайка | |
31 | С6.01.019 | Шайба | |
32 | 70У-8101070-А | Заказать | Радиатор отопителя |
32 | РО-8101070 | Радиатор отопителя | |
32 | 41.035-1013010 | Радиатор отопителя | |
32 | 1216-8101060 | Радиатор отопителя | |
33 | 80-8101730-А | Кожух | |
34 | ПР32-06 | Уплотнитель | |
35 | 80-8101800 | Коробка | |
36 | 80-3703046-А | Шпилька | |
37 | 80-8100014 | Стержень | |
38 | В.М6-6gx20.58.019 | Винт | |
39 | 80-8100011-Б | Заказать | Крышка |
40 | 80-8100012 | Заслонка | |
41 | М8-6Н.6.019 | Гайка | |
42 | С8.01.019 | Шайба | |
43 | 80-8102015 | Шланг L=700 мм | |
44 | М8-6gx35.88.35.019 | Болт | |
45 | А30.04.017-01 | Заказать | Колпачок |
46 | 80-8100100 | Заказать | Панель |
47 | 70-6702111 | Угольник | |
48 | M6-6gx16.88.35.019 | Болт | |
49 | 80-8101713 | Обивка | |
50 | 8T | Шайба | |
51 | ВС-11 | Кран | |
52 | 80-8102015-03 | Шланг L=500 мм |
Содержащиеся в справочниках-каталогах запасные части и детали не предлагаются к продаже, а носят исключительно информационный характер