Каталог запасных частей к технике: МТЗ-922. Гидроподъемник

1
2
3
3
4
5
6
6
7
8
8
8
9
9
9
9
10
10
10
10
11
11
11
12
12
13
13
13
14
15
16
17
17
17
17
18
19
20
21
21
21
22
22
22
23
23
24
24
25
25
26
27
28
29
30
31
32
33
34
35
36
37
38
39
40
41
42
43
44
45
46
47
48
48
49
50
51
52
53
53
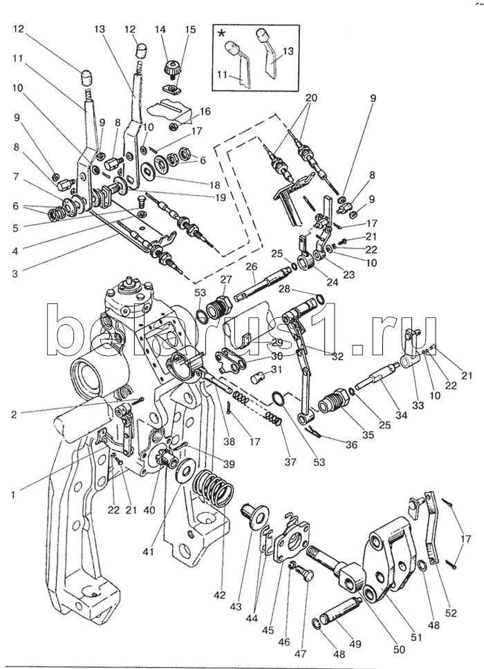
Позиция на иллюстрации | Заводской номер детали | Название детали | |
---|---|---|---|
820-4635020 | 820-4635020 | Заказать | Датчик силовой |
820-4635060 | 820-4635060 | Звено суммирующее | |
1 | 820-4635025 | Звено | |
2 | 3,2х25 | Шплинт | |
3 | 822-4635090 | Кронштейн (3, 6,7, 11, 13, 18) | |
3 | 822-4635095 | Кронштейн | |
4 | ШП8 | Шайба | |
5 | М8х20 | Болт | |
6 | М14х1,5 | Гайка | |
7 | 80-1108347 | Пружина тарельчатая | |
8 | 80В-1108317 | Бонка | |
9 | М6 | Гайка | |
10 | ШЧ6 | Шайба | |
11 | 822-4635105 | Рычаг силовой | |
11 | 923-4635100 | Рычаг силовой | |
12 | А13.11.000 | Заказать | Рукоятка |
13 | 822-4635100 | Рычаг позиционный | |
13 | 820-4635100-Б | Рычаг позиционный | |
14 | 80-4616070 | Винт | |
15 | 820-4635082 | Заказать | Упор |
16 | М6 | Гайка | |
17 | 3,2х18 | Шплинт | |
18 | 80-1108028 | Заказать | Шайба |
19 | 50-1108178 | Шайба | |
20 | Morse1350 | Трос | |
21 | М6х16 | Винт | |
22 | ШП6 | Шайба | |
23 | 822-4635080 | Рычаг | |
23 | 923-4635080 | Рычаг | |
24 | 923-4635075 | Рычаг | |
24 | 822-4635075 | Рычаг | |
25 | 011-015-25-1-4 | Кольцо | |
26 | 820-4635034 | Заказать | Валик |
27 | 820-4635033-Б | Заказать | Втулка |
28 | 019-023-25-2-4 | Заказать | Кольцо |
29 | 820-4635046 | Скоба | |
30 | 820-4635070 | Рычаг | |
31 | 820-4635069 | Фиксатор | |
32 | 820-4635030 | Звено | |
33 | 820-4635015-Б | Рычаг | |
34 | 820-4635016-В | Валик | |
35 | 820-4635032-Б | Заказать | Втулка |
36 | 820-4635049 | Шплинт | |
37 | 820-4635063 | Пружина | |
38 | 820-4635065 | Кронштейн | |
39 | 4х22 | Шплинт | |
40 | 820-4635024 | Заказать | Гайка |
41 | 820-4635023 | Шайба | |
42 | 820-4635022 | Заказать | Пружина |
43 | 820-4635026-Б | Заказать | Втулка |
44 | 820-4635044-Б | Прокладка | |
45 | 820-4635043-Б | Крышка | |
46 | ШП12 | Шайба | |
47 | М12х30 | Болт | |
48 | 2В22 | Кольцо | |
49 | 820-4635018 | Палец | |
50 | 820-4635021 | Шток | |
51 | 820-4635019 | Серьга | |
52 | 820-4635048 | Тяга | |
53 | 027-032-30-1-4 | Кольцо |
Содержащиеся в справочниках-каталогах запасные части и детали не предлагаются к продаже, а носят исключительно информационный характер