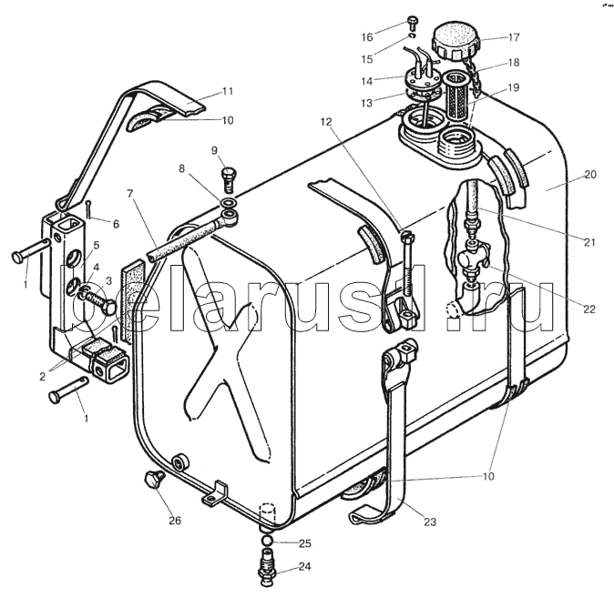
Каталог запасных частей к технике: МТЗ-923. Бак

1
1
2
3
4
5
6
7
8
9
10
10
11
12
13
14
15
16
17
18
19
20
21
22
23
24
25
26
Позиция на иллюстрации | Заводской номер детали | Название детали | |
---|---|---|---|
1 | 1522-1101125 | Палец | |
2 | 1522-1101118 | Прокладка | |
3 | М16х75 | Болт | |
4 | ШП16 | Шайба | |
5 | 923-1101130 | Кронштейн | |
6 | 3,2х18 | Шплинт | |
7 | 1522-1101180 | Топливопровод | |
8 | 36-1104788 | Прокладка | |
9 | 36-1104787 | Заказать | Болт |
10 | ПР-43-02 | Прокладка | |
11 | 923-1101140 | Лента | |
12 | 1522-1101005 | Болт | |
13 | 200-3806026 | Прокладка | |
14 | ДУМП-35М | Датчик указателя уровня топлива | |
15 | 80-1101067 | Шайба | |
16 | ВМ5х16 | Винт | |
17 | 082-1103010 | Заказать Заказать Заказать Заказать | Пробка |
18 | 36-1101070 | Цепочка | |
19 | 082-1101040 | Фильтр | |
20 | 923-1101210 | Бак | |
21 | 923-1101040 | Топливопровод | |
22 | Кр-25(ПП6-1) | Кран | |
23 | 1522-1101140 | Заказать | Лента |
24 | 822-1101081 | Заказать | Штуцер |
25 | 11.112-100 | Шарик ГОСТ 3722-81 | |
26 | КГ1/4@ | Пробка |
Содержащиеся в справочниках-каталогах запасные части и детали не предлагаются к продаже, а носят исключительно информационный характер