Каталог запасных частей к технике: МТЗ-923. Головка цилиндров. Клапаны и толкатели клапанов

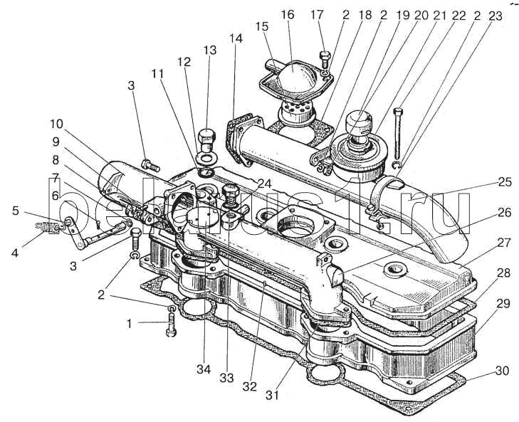
1
2
2
2
2
3
3
4
5
6
7
8
9
10
10
11
12
13
14
15
16
17
18
19
20
21
21
22
23
24
25
26
27
28
29
29
30
31
32
33
34
Позиция на иллюстрации | Заводской номер детали | Название детали | |
---|---|---|---|
1 | М8х35 | Болт | |
2 | ШП8 | Шайба | |
3 | М8х30 | Болт | |
4 | 240-1003226-А1 | Пружина | |
5 | 240-1003240-А1 | Валик | |
6 | ВМ4х10 | Винт | |
7 | 009-013-25-2-1 | Кольцо | |
8 | 240-1003264-А | Заказать | Прокладка |
9 | 240-1003227 | Штифт | |
10 | 240-1003220-В-03 | Патрубок | |
10 | 240-1003222-В | Заказать | Патрубок |
11 | 50-1003107-А-01 | Кольцо | |
12 | 50-1003106 | Заказать | Шайба |
13 | 50-1003104-А | Гайка колпака | |
14 | 240-1003264-А | Заказать | Прокладка |
15 | 240-1002440 | Заказать | Фильтр |
16 | 240-1002430-В | Корпус сапуна | |
17 | М8х16 | Болт | |
18 | 240-1002444-А | Прокладка | |
19 | 240-3707200-01 | Пробка | |
20 | М8 | Гайка | |
21 | 240-3707140-А-01 | Бачок | |
21 | 240-3707220 | Бачок с пробкой | |
22 | М3х30 | Болт | |
23 | ХС-61.019 | Хомут | |
24 | Д18-055-А | Заказать | Шайба |
25 | 240-1003260 | Заказать | Труба |
26 | 240-1003033 | Заказать | Коллектор |
27 | 240-1003122-Б | Заказать | Колпак крышки |
28 | 240-1003109 | Заказать Заказать Заказать Заказать | Прокладка |
29 | 240-1003032-А | Заказать | Крышка головки цилиндров |
29 | 240-1003030 | Крышка головки цилиндров | |
30 | 240-1003108 | Заказать Заказать Заказать | Прокладка |
31 | 240-1003031 | Прокладка | |
32 | 2,5х10 | Штифт | |
33 | 50-1117028 | Пробка | |
34 | 240-1003221 | Заслонка |
Содержащиеся в справочниках-каталогах запасные части и детали не предлагаются к продаже, а носят исключительно информационный характер