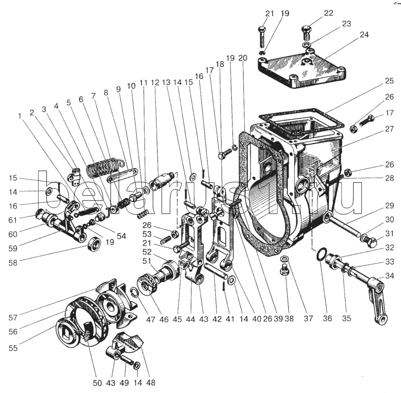
Каталог запасных частей к технике: МТЗ-923. Регулятор топливного насоса

4УТНМ-1110010-40
4УТНМ-Т-1110010-01
1
2
3
4
5
6
7
8
9
10
11
12
13
14
14
14
14
15
15
16
16
17
17
18
18
19
19
19
20
21
21
22
23
24
25
26
26
26
26
27
27
28
29
30
31
32
32
33
34
35
36
37
38
39
40
41
42
43
43
44
44
45
46
47
47
48
49
50
51
52
53
54
55
56
57
58
59
60
61
Позиция на иллюстрации | Заводской номер детали | Название детали | |
---|---|---|---|
4УТНМ-1110010-40 | 4УТНМ-1110010-40 | Регулятор | |
УТН-5-1110240-И | УТН-5-1110240-И | Ступица в сборе | |
УТН-5-1110230-В3 | УТН-5-1110230-В3 | Корректор в сборе | |
УТН-5-1110160-Е | УТН-5-1110160-Е | Груз со втулкой в сборе | |
4УТНМ-Т-1110010-01 | 4УТНМ-Т-1110010-01 | Регулятор в сборе | |
1 | УТН-5-1110193 | Пружина | |
2 | УТН-3-1110171-Г | Серьга | |
3 | УТН-5-1110235-Б2 | Винт | |
4 | УТН-5-1110237 | Скоба | |
5 | УТН-5-1110238-А1 | Тарелка | |
6 | УТН-5-1110234-Д | Пружина | |
7 | УТН-5-1110187-Д | Пружина | |
8 | 4УТНМ-1110304 | Тяга | |
9 | УТН-5-1110233-Б2 | Шток | |
10 | 4УТНМ-1110446 | Пружина | |
11 | УТН-5-1110232 | Прокладка | |
12 | УТН-5-1110231-Б | Корпус | |
13 | УТН-5-1110403 | Палец | |
14 | УТН-5-1110242-Б | Шайба | |
15 | 2х10 | Шплинт | |
16 | ОНМ-087 | Палец | |
17 | М6х25 | Винт | |
18 | УТН-5-1110274-А4 | Рычаг основной | |
18 | УТНМ-Т-1110274-11 | Рычаг основной | |
19 | ШП6 | Шайба | |
20 | УТН-5-1110303-01 | Прокладка | |
21 | М6х20 | Винт | |
22 | УТН-5-1110402 | Пробка | |
23 | 16-006 | Прокладка | |
24 | 4УТНМ-1110301 | Крышка | |
25 | УТН-5-1110302-А | Прокладка | |
26 | М6 | Гайка | |
27 | 4УТНМ-1110025-30 | Корпус регулятора | |
27 | 4УТНМ-Т-1110020-20 | Корпус | |
28 | УТН-5-1110401-Б3 | Винт | |
29 | 4УТНМ-1110365 | Ось рычагов | |
30 | Д40-1110386-А | Прокладка | |
31 | УТН-5-1110409 | Заглушка | |
32 | УТН-5-1110320-В | Втулка с сальником и обоймой в сборе | |
32 | УТН-5-1110321-Б1 | Втулка | |
33 | УТН-5-1110323-Б | Обойма | |
34 | УТН-5-1110308-Д | Рычаг управления | |
35 | 17-004-А | Сальник | |
36 | 16-240 | Кольцо уплотнительное | |
37 | ОНМ-086-1 | Прокладка | |
38 | ОНМ-019-2 | Болт | |
39 | УТН-3-1110026 | Упор | |
40 | ОНМ-170 | Втулка | |
41 | 2х16 | Шплинт | |
42 | УТН-5-1110191 | Ось ролика | |
43 | УТН-5-1110166 | Втулка | |
44 | УТН-5-1110195-К | Рычаг | |
44 | УТН-5-1110200-8 | Рычаг (43, 44) | |
45 | УТН-5-1110153-Г2 | Пята | |
46 | 8202У | Подшипник | |
47 | УТН-3-1110311 | Кольцо | |
47 | УТН-3-1110311-Б | Кольцо | |
48 | УТН-5-1110165-Е | Груз | |
49 | УТН-5-1110241 | Ось грузов | |
50 | 236-1110517-62 | Сухарь | |
51 | УТН-3-1110145 | Втулка | |
52 | УТН-3-1110144-Б1 | Муфта | |
53 | УТН-5-1110196-А | Шпилька | |
54 | М6х12 | Винт | |
55 | УТН-5-1110251-Г2 | Шайба | |
56 | 8110 | Шарикоподшипник ГОСТ 6874-75 | |
57 | УТН-5-1110132-М3 | Ступица | |
58 | УТН-5-1110281-Б | Втулка | |
59 | УТН-5-1110155-Г5 | Рычаг | |
60 | 4УТНМ-1110021-Е | Втулка | |
61 | 17-071 | Заглушка |
Содержащиеся в справочниках-каталогах запасные части и детали не предлагаются к продаже, а носят исключительно информационный характер