Каталог запасных частей к технике: New Holland Комбайн CR9080 E3 (часть 2). REVERSER
1
2
3
4
5
5
6
7
8
8
8
8
9
10
10
11
12
13
14
15
16
17
18
19
20
21
22
22
22
23
24
25
26
27
28
29
30
31
32
32
33
34
35
36
36
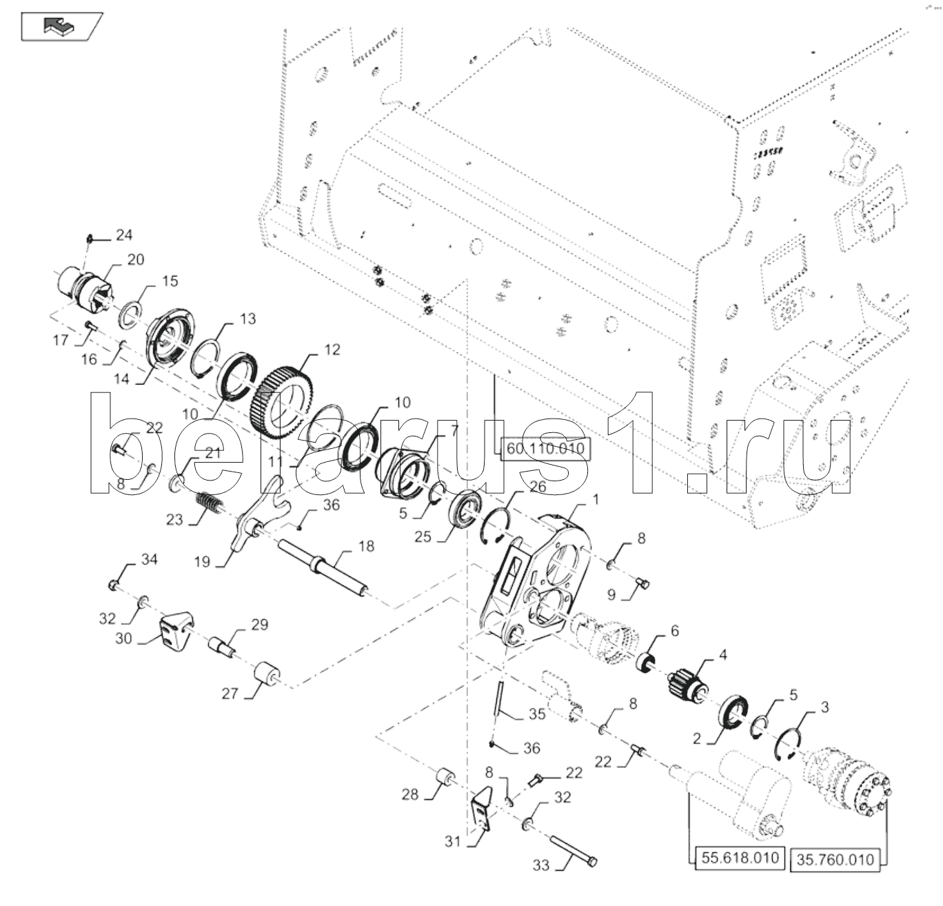
| Позиция на иллюстрации | Заводской номер детали | Название детали | |
|---|---|---|---|
| 1 | 84304143 | Housing | |
| 2 | 412273 | Ball bearing | |
| 3 | 382103 | Snap ring | |
| 4 | 84304144 | Gear | |
| 5 | 370007 | Snap ring | |
| 6 | 84304145 | Bearing | |
| 7 | 84254513 | Bearing housing | |
| 8 | 140045 | Belleville washer | |
| 9 | 43138 | BOLT | |
| 10 | 87748223 | Ball bearing | |
| 11 | 84352821 | Ring | |
| 12 | 84254503 | Gear | |
| 13 | 370009 | Snap ring | |
| 14 | 84254487 | Clutch disc | |
| 15 | 220063 | Заказать | Seal |
| 16 | 322358 | Belleville washer | |
| 17 | 43127 | BOLT | |
| 18 | 84254520 | Shaft | |
| 19 | 84307747 | Fork | |
| 20 | 84220744 | Coupling | |
| 21 | 140083 | Washer | |
| 22 | 43139 | SCREW | |
| 23 | 394871 | Spring | |
| 24 | 150021 | Lube nipple | |
| 25 | 87565881 | Ball bearing | |
| 26 | 370021 | Snap ring | |
| 27 | 84000052 | Rubber bushing | |
| 28 | 9839191 | Ring | |
| 29 | 84277644 | Shaft | |
| 30 | 84307749 | Support | |
| 31 | 84288644 | Support | |
| 32 | 394630 | Washer | |
| 33 | 309308 | Bolt | |
| 34 | 100038 | Nut | |
| 35 | 552991 | Lube nipple | |
| 36 | 321204 | Шприц-масленка |
Содержащиеся в справочниках-каталогах запасные части и детали не предлагаются к продаже, а носят исключительно информационный характер