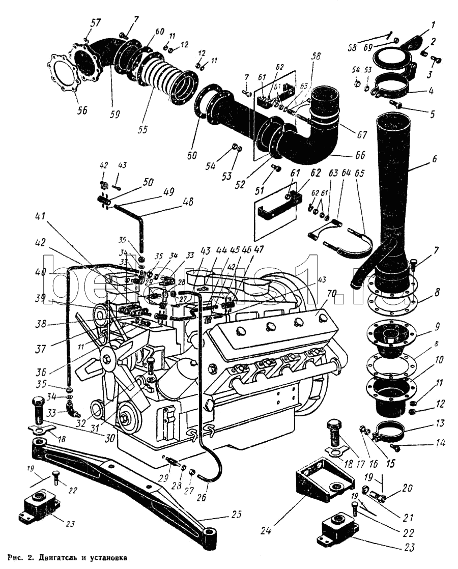
Каталог запасных частей к технике: ПТЗ К-700. Двигатель и установка

1
2
3
4
5
6
7
7
7
8
8
9
10
11
11
11
11
12
12
12
13
14
15
16
17
18
18
19
19
19
20
21
22
22
23
23
24
25
26
27
27
28
28
29
29
30
31
32
33
33
33
34
34
34
35
35
35
36
37
38
39
40
41
42
42
42
43
43
43
44
45
46
47
48
49
50
51
52
53
53
54
54
55
56
57
58
59
60
60
61
61
61
61
62
62
62
63
63
64
65
66
67
68
69
70
Позиция на иллюстрации | Заводской номер детали | Название детали | |
---|---|---|---|
700.10.00.000-1 | 700.10.00.000-1 | Двигатель в сборе | |
700.00.10.220 | 700.00.10.220 | Крышка с хомутиком в сборе | |
700.00.10.000-1 | 700.00.10.000-1 | Установка двигателя | |
700.00.10.080-3 | 700.00.10.080-3 | Эжектор с искрогасителем в сборе | |
1 | 700.00.10.230 | Планка (в сборе с дет. 700.00.10.063-1) | |
2 | 700.00.10.076 | Втулка | |
3 | Болт М10Х45-021 ГОСТ 7811-62 | Болт М10Х45-021 ГОСТ 7811-62 | |
4 | 700.00.10.150-1 | Хомут в сборе | |
5 | Болт М6Х30-021 ГОСТ 7811-62 | Болт М6Х30-021 ГОСТ 7811-62 | |
6 | 700.00.10.190-1 | Эжектор в сборе | |
7 | Болт М8Х25-021 ГОСТ 7805-62 и ГОСТ 7808- | Болт М8Х25-021 ГОСТ 7805-62 и ГОСТ 7808-62 | |
8 | 700.00.10.071 | Прокладка | |
9 | 700.00.10.100-1 | Крыльчатка | |
10 | 700.00.10.180 | Основание искрогасителя в сборе | |
11 | Шайба пружинная 8Н ГОСТ 6402-61 | Шайба пружинная 8Н ГОСТ 6402-61 | |
12 | Гайка М8-011 ГОСТ 5927-62 | Гайка М8-011 ГОСТ 5927-62 | |
13 | 700.00.10.048 | Хомут | |
14 | Болт М10Х45 ГОСТ 7811-62 | Болт М10Х45 ГОСТ 7811-62 | |
15 | Шайба пружинная 10Н ГОСТ 6402-61 | Шайба пружинная 10Н ГОСТ 6402-61 | |
16 | Гайка М10-011 ГОСТ 5927-62 | Гайка М10-011 ГОСТ 5927-62 | |
17 | 700.00.10.012 | Болт | |
18 | Шайба стопорная 28-2 ГОСТ 3693-52 | Шайба стопорная 28-2 ГОСТ 3693-52 | |
19 | Проволока КО 1,6Х230 мм ГОСТ 792-67 | Проволока КО 1,6Х230 мм ГОСТ 792-67 | |
20 | 700.10.00.013 | Болт | |
21 | Шайба пружинная 14Н ГОСТ 6402-61 | Шайба пружинная 14Н ГОСТ 6402-61 | |
22 | Болт III М16Х40-101 ГОСТ 7805-62 | Болт III М16Х40-101 ГОСТ 7805-62 | |
23 | 700.00.10.020 | Амортизатор в сборе АКСС-400м | |
24 | 700.10.00.011 | Кронштейн | |
25 | 700.10.00.038 | Траверса | |
26 | 700.10.00.029-3 | Труба | |
27 | Гайка накидная 6 ГОСТ 9122-67 | Гайка накидная 6 ГОСТ 9122-67 | |
28 | Муфта конусная 6 ГОСТ 9121-67 | Муфта конусная 6 ГОСТ 9121-67 | |
29 | Штуцер ввертной 6 ГОСТ 9113-67 | Штуцер ввертной 6 ГОСТ 9113- 67 | |
30 | 700.00.10.041 | Болт | |
31 | Шайба пружинная 16Н ГОСТ 1 6402-61 | Шайба пружинная 16Н ГОСТ 1 6402-61 | |
32 | 700.10.00.043 | Болт | |
33 | Угольник ввертный 12 ГОСТ 9115-67 | Угольник ввертный 12 ГОСТ 9115-67 | |
34 | Муфта конусная 12 ГОСТ 9121-67 | Муфта конусная 12 ГОСТ 9121-67 | |
35 | Гайка накидная 12 ГОСТ 9122-67 | Гайка накидная 12 ГОСТ 9122-67 | |
36 | Болт М8Х20-021 ГОСТ 7808-62 | Болт М8Х20-021 ГОСТ 7808-62 | |
37 | 700.10.00.020 | Компрессор пневматического тормоза | |
38 | 700.10.00.037-2 | Патрубок | |
39 | 700.10.00.026 | Прокладка | |
40 | 700.10.00.046 | Труба | |
41 | 700.10.00.028 | Прокладка | |
42 | Рамка ХР | Рамка ХР | |
43 | Шплинт ХШ | Шплинт ХШ | |
44 | 700.10.00.047 | Хомут | |
45 | 700.10.00.045-1 | Труба | |
46 | Лента ХЛ-300 | Лента ХЛ-300 | |
47 | Рукав 1У22-15Х60 | Рукав 1У22-15Х60 | |
48 | 700.10.00.016-1 | Труба | |
49 | Лента ХЛ-225 | Лента ХЛ-225 | |
50 | Рукав 1У12-15Х100 | Рукав 1У12-15Х100 | |
51 | Болт М6Х20-021 ГОСТ 7805-62 | Болт М6Х20-021 ГОСТ 7805-62 | |
52 | 700.00.10.037 | Полукольцо | |
53 | Шайба пружинная 6Н ГОСТ 6402-61 | Шайба пружинная 6Н ГОСТ 6402-61 | |
54 | Гайка М61011 ГОСТ 6927-62 | Гайка М61011 ГОСТ 6927-62 | |
55 | 700.00.10.070-1 | Заказать | Сильфом в сборе |
56 | 700.10.00.018-2 | Прокладка | |
57 | Шайба пружинная 10Н ГОСТ 6402-61 | Шайба пружинная 10Н ГОСТ 6402-61 | |
58 | 700.00.10.075-02 | Хомут | |
59 | 700.10.00.030-1 | Труба в сборе | |
60 | 700.00.10.022 | Прокладка | |
61 | Гайка М12-011 ГОСТ 5927-62 | Гайка М12-011 ГОСТ 5927-62 | |
62 | Шайба стопорная 13-2 ГОСТ 3693-52 | Шайба стопорная 13-2 ГОСТ 3693- 52 | |
63 | Шайба пружинная 12Н ГОСТ 6402-61 | Шайба пружинная 12Н ГОСТ 6402-61 | |
64 | 700.00.10.075-01 | Хомут | |
65 | 700.00.10.200 | Хомут | |
66 | 700.00.10.090 | Труба в сборе | |
67 | 700.00.10.210 | Хомут | |
68 | Шплинт 2,5Х25-001 ГОСТ 397-66 | Шплинт 2,5Х25-001 ГОСТ 397-66 | |
69 | Гайка М10-011 ГОСТ 5932-62 | Гайка М10-011 ГОСТ 5932-62 | |
70 | 700.10.00.090-1 | Двигатель ЯМЗ-238НБ |
Содержащиеся в справочниках-каталогах запасные части и детали не предлагаются к продаже, а носят исключительно информационный характер