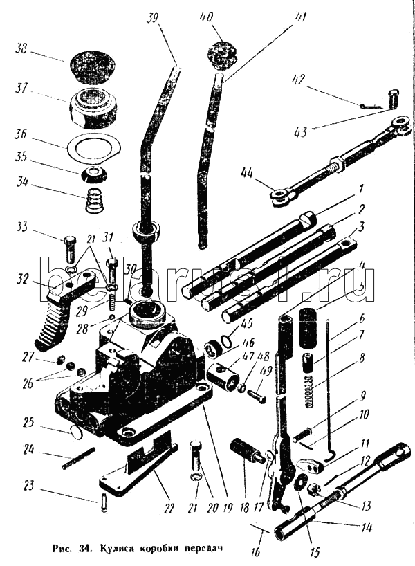
Каталог запасных частей к технике: ПТЗ К-700. Кулиса коробки передач
1
2
3
4
5
6
7
8
9
10
11
12
13
14
15
16
17
18
19
20
21
21
22
23
24
25
26
27
28
29
30
31
32
33
34
35
36
37
38
39
40
41
42
43
44
45
46
47
48
49
| Позиция на иллюстрации | Заводской номер детали | Название детали | |
|---|---|---|---|
| 700.17.17.010-2 | 700.17.17.010-2 | Корпус в сборе | |
| 700.17.17.000-2 | 700.17.17.000-2 | Кулиса в сборе | |
| 700.17.17.040-2 | 700.17.17.040-2 | Рычаг в сборе | |
| 1 | 700.17.17.013-1 | Валик | |
| 2 | 700.17.17.014-1 | Валик | |
| 3 | 700.17.17.015-2 | Валик | |
| 4 | 700.17.17.050-2 | Рычаг в сборе | |
| 5 | 700.17.17.065 | Рукоятка | |
| 6 | 700.17.17.055-1 | Шток | |
| 7 | 700.17.17.047-1 | Кнопка | |
| 8 | 700.17.17.046 | Пружина | |
| 9 | 700.17.19.055-2 | Валик | |
| 10 | Шплинт 1,5Х16-001 ГОСТ 397-66 | Шплинт 1,5Х16-001 ГОСТ 397-66 | |
| 11 | 700.17.17.044 | Защелка | |
| 12 | Шплинт 2,5Х25-001 ГОСТ 397--66 | Шплинт 2,5Х25-001 ГОСТ 397--66 | |
| 13 | Гайка М10-011 ГОСТ 5933-62 | Гайка М10-011 ГОСТ 5933-62 | |
| 14 | 700.17.19.400 | Тяга в сборе | |
| 15 | Шайба 12-001 ГОСТ 11371-68 | Шайба 12-001 ГОСТ 11371-68 | |
| 16 | Проволока КО 1,6Х160 мм ГОСТ 792-67 | Проволока КО 1,6Х160 мм ГОСТ 792-67 | |
| 17 | Шайба 8-003 ГОСТ 11371-68 | Шайба 8-003 ГОСТ 11371-68 | |
| 18 | 700.17.17.022-1 | Ось | |
| 19 | 700.17.17.052 | Корпус | |
| 20 | Болт М12Х30 ГОСТ 7808-62 | Болт М12Х30 ГОСТ 7808-62 | |
| 21 | Шайба пружинная 12Н ГОСТ 6402-61 | Шайба пружинная 12Н ГОСТ 6402-61 | |
| 22 | 700.17.17.058 | Планка | |
| 23 | 700.17.17.059 | Винт | |
| 24 | 700.17.17.038 | Штифт | |
| 25 | Заглушка 26 ГОСТ 3111-67 | Заглушка 26 ГОСТ 3111-67 | |
| 26 | Шарик БV 12,7 мм Н ГОСТ 3722-60 | Шарик БV 12,7 мм Н ГОСТ 3722-60 | |
| 27 | Заглушка 16 ГОСТ 3111-67 | Заглушка 16 ГОСТ 3111-67 | |
| 28 | Шарик БV 9,525 мм Н ГОСТ 3722-60 | Шарик БV 9,525 мм Н ГОСТ 3722-60 | |
| 29 | 700.17.17.037 | Пружина | |
| 30 | Штифт цилиндрический 5Пр2/2аХ12 ГОСТ 312 | Штифт цилиндрический 5Пр2/2аХ12 ГОСТ 3128-60 | |
| 31 | Болт М12Х25-021 ГОСТ 7808-62 | Болт М12Х25-021 ГОСТ 7808-62 | |
| 32 | 700.17.19.101-1 | Сектор | |
| 33 | Болт М12Х35 ГОСТ 7808-62 | Болт М12Х35 ГОСТ 7808-62 | |
| 34 | 700.17.17.018-1 | Пружина | |
| 35 | 700.17.17.012-1 | Крышка | |
| 36 | 700.17.17.066 | Шайба | |
| 37 | 700.17.17.048-1 | Гайка | |
| 38 | 700.17.17.049 | Манжета | |
| 39 | 700.17.17.020-4 | Рычаг в сборе | |
| 40 | 700.17.17.035 | Ручка шаровая | |
| 41 | 700.17.17.063 | Рычаг | |
| 42 | Шплинт 2,5Х16-001 ГОСТ 397-66 | Шплинт 2,5Х16-001 ГОСТ 397-66 | |
| 43 | 700.17.19.055-3 | Валик | |
| 44 | 700.17.19.350-1 | Тяга в сборе | |
| 45 | Кольцо Н1-28Х22-4 ГОСТ 9833-61 | Кольцо Н1-28Х22-4 ГОСТ 9833-61 | |
| 46 | 700.17.17.041 | Втулка | |
| 47 | 700.17.17.016-1 | Ось | |
| 48 | Гайка М8-01 1 ГОСТ 5927-62 | Гайка М8-01 1 ГОСТ 5927-62 | |
| 49 | Винт М8Х35-011 ГОСТ 1483-64 | Винт М8Х35-011 ГОСТ 1483-64 |
Содержащиеся в справочниках-каталогах запасные части и детали не предлагаются к продаже, а носят исключительно информационный характер