Каталог запасных частей к технике: ПТЗ К-744Р2. Сиденье дополнительное 744Р-6810000

1
2
3
4
5
5
5
6
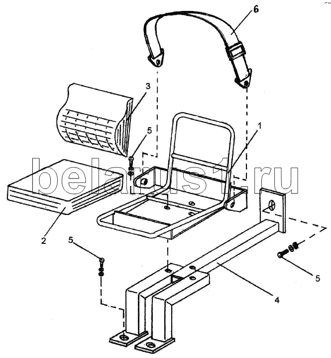
Позиция на иллюстрации | Заводской номер детали | Название детали | |
---|---|---|---|
1 | 744Р-6810010 | Остов сиденья | |
2 | 744Р-6810020 | Подушка | |
3 | 744Р-6810020-01 | Подушка | |
4 | 744-6810020-1 | Каркас | |
5 | М12х25 | Болт | |
6 | ЕА-35 | Ремень безопасности поясной ТУ 205 ЭССР-269-87 |
Содержащиеся в справочниках-каталогах запасные части и детали не предлагаются к продаже, а носят исключительно информационный характер