Каталог запасных частей к технике: РСМ Дон 1200. Блок-картер

1
1
1
1
1
1
1
2
2
3
4
4
4
4
4
4
5
6
7
8
9
9
10
11
12
13
14
15
16
17
18
19
20
21
22
23
24
25
25
26
27
28
29
30
31
32
33
34
35
36
36
38
39
40
40
41
42
42
43
43
43
44
45
46
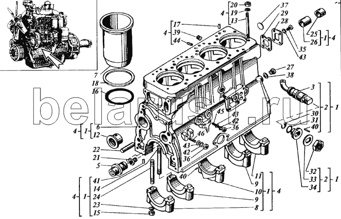
Позиция на иллюстрации | Заводской номер детали | Название детали | |
---|---|---|---|
1 | 22-01С2Б-01 | Блок-картер | |
1 | 22-0102Б | Блок-картер | |
2 | 22-01С6А | Установка форсунки | |
3 | 22-01С7А | Форсунка | |
4 | 22-01С13 | Блок-картер | |
5 | 14-01С18А | Палец с заглушкой | |
6 | 31-0101Г-01 | Блок-картер | |
7 | 14-0102 | Гильза цилиндров | |
8 | 14-0104-2А | Крышка первого коренного подшипника | |
9 | 14-0105-3А | Крышка второго коренного подшипника | |
10 | 14-0106-3А | Крышка третьего коренного подшипника | |
11 | 14-0107-3А | Крышка четвертого коренного подшипника | |
12 | СМД14-0109 | Подшипник распределительного вала передний | |
13 | 14-0116 | Шпилька | |
14 | 14-0117-1 | Шпилька | |
15 | СМД1-0118 | Гайка коренных подшипников | |
16 | СМД9-0128А | Кольцо | |
17 | СМД1-0130 | Втулка | |
18 | 14-0141 | Кольцо | |
19 | 14-0150 | Шайба | |
20 | 14-0163 | Гайка | |
21 | СМД7-0164 | Пробка | |
22 | СМД7-0166 | Втулка направляющяя | |
23 | СМД7-0168 | Шайба специальная | |
24 | 14-0185 | Шпилька коренных подшипников | |
25 | А57.02.025А2 | Втулка распредвала средняя или А57.02.025 | |
25 | А57.02.025 | Втулка распредвала средняя или А57.02.025А2 | |
26 | А57.02.024 | Втулка распредвала задняя | |
27 | СМД7-0684 | Прокладка | |
28 | 15-0112 | Крышка | |
29 | СМД1-1329 | Прокладка патрубка | |
30 | 22-0147 | Фиксатор | |
31 | 22-0148 | Кольцо уплотнительное | |
32 | 22-0149 | Гайка специальная | |
33 | 22-0150 | Шайба стопорная | |
34 | 22-0151 | Втулка | |
35 | М10-6gх25.88 | Болт | |
36 | М10-6Н.6 | Гайка | |
37 | 60-08 | Заглушка | |
38 | 14-0110 | Пробка резьбовая | |
39 | 4КГ3/8" | Пробка | |
40 | 5h8х10 | Штифт | |
41 | 8h8х20 | Штифт | |
42 | 10.65Г.05 | Шайба | |
43 | 10х1,5.04.05 | Шайба | |
44 | М8х20.88 | Шпилька | |
45 | М10х22.88 | Шпилька | |
46 | М10х28,56 | Шпилька |
Содержащиеся в справочниках-каталогах запасные части и детали не предлагаются к продаже, а носят исключительно информационный характер