Каталог запасных частей к технике: РСМ Дон 1200. Камера наклонная

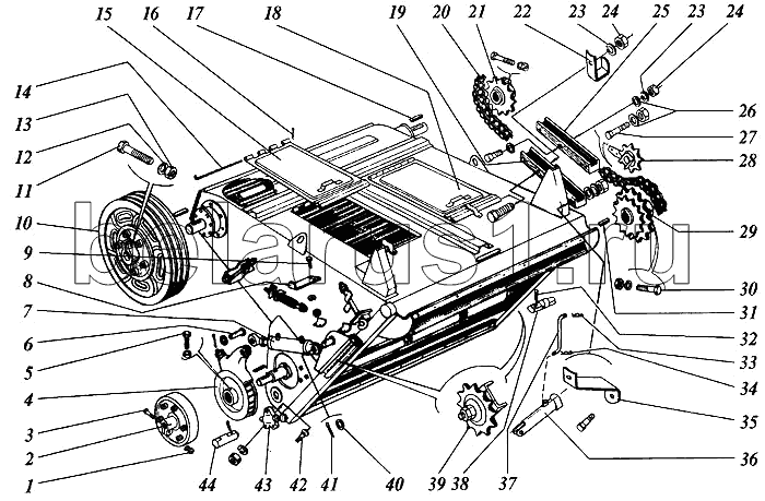
1
2
3
4
5
6
7
8
9
10
11
12
13
14
14
15
16
17
18
19
20
21
22
23
23
24
24
25
26
27
28
29
30
31
32
33
34
35
36
37
38
39
40
41
42
43
44
Позиция на иллюстрации | Заводской номер детали | Название детали | |
---|---|---|---|
3518060-18490А | 3518060-18490А | Крышка правая | |
1 | М12х1,25.6Н.6.019 | Гайка | |
2 | 3518060-18600В | Устройство предохранительное | |
3 | М12-1,25х6gх65.88.35.019 | Болт | |
4 | 3518060-18560Б | Механизм реверса | |
5 | ВМ10-6gх25.22Н.019 | Винт | |
6 | 6-20В12х50.35.Ц9Хр | Ось | |
7 | ГА-93000-02 | Гидроцилиндр | |
8 | 3518060-14019 | Кронштейн | |
9 | М10-6gх25.88.35.019 | Болт | |
10 | 3518060-18130А | Шкив | |
11 | М12-6gх75.88.35.019 | Болт | |
12 | 12Т.65Г.019 | Шайба | |
13 | М12-6Н.6.019 | Гайка | |
14 | 3518050-16322 | Шомпол | |
14 | 3518060-16322 | Шомпол | |
15 | 3518050-18480А | Крышка | |
16 | 2,5х25.019 | Шплинт | |
17 | 2-14х9х70 | Шпонка | |
18 | 3518060-18480А | Крышка левая | |
19 | 3518060-19011А | Успокоитель | |
20 | ПР-24,4-6000А | Цепь L=2717,8 n-107зв. | |
21 | 3518060-18440А | Звездочка z=20 t-25,4 | |
22 | 3518060-15173А | Скоба | |
23 | 10Т.65Г.019 | Шайба | |
24 | М10-6Н.6.019 | Гайка | |
25 | 3518060-19009А | Успокоитель | |
26 | С10х3.01.019 | Шайба | |
27 | М10-6gх90.88.35.019 | Болт | |
28 | 3518060-18380Б | Звездочка натяжная | |
29 | 3518060-18390Б | Блок звездочек z=28 z=25 t=25,4 | |
30 | М12-6gх65.88.35.019 | Болт | |
31 | 2-12х8х50 | Шпонка | |
32 | 6,3х45.019 | Шплинт | |
33 | 3,2х20.019 | Шплинт | |
34 | 2.2,8х40.019 | Шплинт пружинный ОСТ 2322-79 | |
35 | 3518060-15161 | Лапка | |
36 | 3518060-18450А | Упор гидроцилиндра | |
37 | 3518060-16428 | Крюк | |
38 | 3518060-16427А-01 | Палец | |
39 | 3518060-18630Б | Звездочка натяжная | |
40 | С20х3,9.01.019 | Шайба | |
41 | 4х32.019 | Шплинт | |
42 | М12х65 | Болт | |
43 | 3518060-18580Б | Фиксатор реверса | |
44 | 3518060-16427А | Палец |
Содержащиеся в справочниках-каталогах запасные части и детали не предлагаются к продаже, а носят исключительно информационный характер