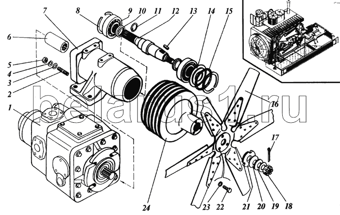
Каталог запасных частей к технике: РСМ Дон 1200. Установка гидронасоса

1
2
3
4
5
6
7
8
9
9
10
11
12
13
14
15
16
17
18
19
20
21
22
23
24
Позиция на иллюстрации | Заводской номер детали | Название детали | |
---|---|---|---|
1 | НП-9000.000 | Гидронасос аксиально-поршневой | |
2 | РСМ-10.05.04.612Б | Шпилька | |
3 | С14х5.01.019 | Шайба | |
4 | 14Т.65Г.019 | Шайба | |
5 | М14-6Н.6.019 | Гайка | |
6 | РСМ-10.05.04.609А | Муфта | |
7 | РСМ-10.05.04.101Г | Корпус | |
8 | С110 | Кольцо ГОСТ 13943-86 | |
9 | 180712К10С27 | Подшипник или 180712АС27 | |
9 | 180712АС27 | Подшипник или 180712К10С27 | |
10 | РСМ-10.05.04.007Д | Втулка | |
11 | РСМ-10.05.04.465Б | Ограничитель | |
12 | РСМ-10.05.04.602Г | Вал | |
13 | 3-16х10х40 | Шпонка | |
14 | РСМ-10.05.04.412Б | Шайба защитная | |
15 | РСМ-10.05.04.478 | Шайба | |
16 | РСМ-10.05.04.270 | Вентилятор | |
17 | 5х50.019 | Шплинт | |
18 | М27х2,6Н.04.019 | Гайка | |
19 | РСМ-10.05.04.414 | Шайба | |
20 | РСМ-10.05.04.409 | Шайба | |
21 | РСМ-10.05.04.411 | Шайба | |
22 | М8-8gх30.88.35.019 | Болт | |
23 | 8Т.65Г.019 | Шайба | |
24 | РСМ-10.05.04.102В | Шкив диаметр 224/200 | |
25 | РСМ-10Б.05.04.050 | Привод гидронасоса |
Содержащиеся в справочниках-каталогах запасные части и детали не предлагаются к продаже, а носят исключительно информационный характер