Каталог запасных частей к технике: РСМ Дон 1200Б. Блок шнеков
1
1
2
2
3
4
5
6
7
8
9
9
10
11
12
13
14
15
16
16
17
18
19
20
20
21
22
22
23
24
25
26
27
28
28
29
30
31
31
32
33
34
35
36
37
37
38
38
39
40
41
42
43
44
45
46
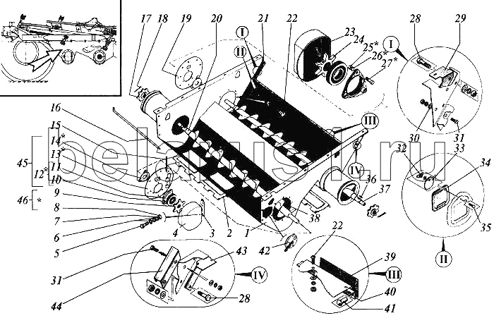
| Позиция на иллюстрации | Заводской номер детали | Название детали | |
|---|---|---|---|
| 1 | РСМ-8Б.01.05.010 | Корпус | |
| 1 | РСМ-10Б.01.05.010А | Корпус | |
| 2 | РСМ-8.01.05.110Б | Дно откидное | |
| 2 | РСМ-10.01.05.110Б | Дно откидное | |
| 3 | РСМ-10.01.05.405 | Петля | |
| 4 | РСМ-10.01.05.002 | Крышка | |
| 5 | М6-8gх16.88.35.019 | Болт | |
| 6 | С6.01.019 | Шайба | |
| 7 | 6Т.65Г.019 | Шайба | |
| 8 | М6.6Н.6.019 | Гайка | |
| 9 | РСМ-10.10.30.032 | Звездочка (экспорт) или РСМ-10.10.30.012А | |
| 9 | РСМ-10.10.30.012А | Звездочка или РСМ-10.10.30.032 (экспорт) | |
| 10 | 1680205К7С17 | Подшипник | |
| 11 | Н027.103 | Корпус подшипника | |
| 12 | Н.027.01.030 | Опора | |
| 13 | РСМ-10.01.05.040 | Фланец | |
| 14 | А54-43758 | Крышка | |
| 15 | РСМ-10.01.05.601 | Ось | |
| 16 | РСМ-8.01.55.429 | Ось | |
| 16 | РСМ-10.01.05.602 | Ось | |
| 17 | РСМ-10.01.05.201А | Звездочка | |
| 18 | 6,3х45.019 | Шплинт | |
| 19 | РСМ-10.01.05.050 | Фланец | |
| 20 | РСМ-8Б.01.05.090 | Шнек зерновой | |
| 20 | РСМ-10Б.01.05.090 | Шнек зерновой | |
| 21 | РСМ-10Б.01.05.421-01 | Кронштейн | |
| 22 | М8х20 | Болт | |
| 23 | М6х25.22Н | Винт | |
| 24 | РСМ-10.10.30.012А | Звездочка или РСМ-10.10.30.032 (экспорт) | |
| 25 | М8-6Н.6.019 | Гайка | |
| 26 | 8Т.65Г.019 | Шайба | |
| 27 | М8х30 | Болт | |
| 28 | М6-6gх20.48.016 | Болт | |
| 29 | РСМ-10.01.05.432-01 | Кронштейн | |
| 30 | С8.01.019 | Шайба | |
| 31 | М8-6gх16.48.016 | Болт | |
| 32 | 54-2-175-01 | Гайка специальная | |
| 33 | РСМ-10.01.15.436 | Шайба эксцентрическая | |
| 34 | РСМ-10Б.01.05.080 | Крышка | |
| 35 | М6х20 | Болт | |
| 36 | 8х7х40 | Шпонка | |
| 37 | РСМ-8Б.01.05.100 | Шнек колосовой | |
| 37 | РСМ-10Б.01.05.100 | Шнек колосовой | |
| 38 | РСМ-8.01.05.434 | Жесткость | |
| 38 | РСМ-10.01.05.434Б | Жесткость | |
| 39 | РСМ-10Б.01.05.004А | Ремень | |
| 40 | РСМ-10Б.01.05.412А | Уголок | |
| 41 | 140-5х14.01.10КП.016 | Заклепка | |
| 42 | РСМ-10.01.05.180 | Крышка | |
| 43 | РСМ-10.01.05.432 | Кронштейн | |
| 44 | РСМ-10Б.01.05.421 | Кронштейн | |
| 45 | РСМ-10.01.05.020 | Фланец в сборе | |
| 46 | РСМ-10.01.05.030 | Фланец в сборе |
Содержащиеся в справочниках-каталогах запасные части и детали не предлагаются к продаже, а носят исключительно информационный характер