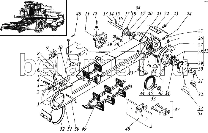
Каталог запасных частей к технике: РСМ Дон 1200Б. Элеватор колосовой
1
2
3
4
5
6
7
8
9
10
11
12
13
14
15
16
17
18
19
19
20
21
22
23
24
25
26
27
28
28
28
29
30
31
32
33
34
35
36
37
38
39
40
41
42
43
44
45
46
46
47
48
49
50
51
52
53
53
53
53
54
| Позиция на иллюстрации | Заводской номер детали | Название детали | |
|---|---|---|---|
| 1 | 6-8в12х45.35.Ц9хр | Ось | |
| 2 | М8-6Н.6.019 | Гайка | |
| 3 | С10х3,0.01.019 | Шайба | |
| 4 | М10-6Н.6.019 | Гайка | |
| 5 | РСМ-10.01.50.606А | Вилка | |
| 6 | 2х16.019 | Шплинт | |
| 7 | С8х1,4.01.019 | Шайба | |
| 8 | РСМ-10.01.50.442А | Рукоятка | |
| 9 | Н.027.01.030 | Опора | |
| 10 | РСМ-10.01.54.010В | Корпус элеватора | |
| 11 | Н.022.020-01 | Звездочка z=20 t-19,05 мм | |
| 12 | ВМ10-6gх25.22Н.019 | Винт | |
| 13 | 8х7х50 | Шпонка (для комбайнов с копнителем) | |
| 14 | 4х45.019 | Шплинт | |
| 15 | 8х7х40 | Шпонка | |
| 16 | РСМ-10.01.54.602А | Вал | |
| 17 | РСМ-10.01.54.004 | Шпонка призматическая | |
| 18 | Н.027.104 | Корпус подшипника | |
| 19 | 1680206К7С17 | Подшипник или 1680206К10С27 | |
| 19 | 1680206К10С27 | Подшипник или 1680206К7С17 | |
| 20 | РСМ-10.01.54.201 | Звездочка | |
| 21 | 8Т.65Г.019 | Шайба | |
| 22 | РСМ-10.01.54.140А | Крышка | |
| 23 | М8х35 | Болт | |
| 24 | РСМ-10.01.54.601 | Болт | |
| 25 | М12-6Н.6.019 | Гайка | |
| 26 | 1.2.Ц6хр | Масленка | |
| 27 | РСМ-10.01.54.104Б | Шкив | |
| 28 | РСМ-10.01.54.001 | Накладка сцепления или РСМ-10.01.54.003А или 55-12-435А | |
| 28 | 55-12-435А | Накладка сцепления или РСМ-10.01.54.001 или РСМ-10.01.54.003А | |
| 28 | РСМ-10.01.54.003А | Накладка сцепления или РСМ-10.01.54.001 или 55-12-435А | |
| 29 | РСМ-10.01.54.427 | Диск нажимной | |
| 30 | РСМ-10.01.54.431 | Шайба | |
| 31 | РСМ-10.01.54.432 | Шайба стопорная | |
| 32 | М12-6gх30.88.35.019 | Болт | |
| 33 | М10-6gх110.40.88.35.019 | Болт | |
| 34 | РСМ-10.01.54.190А | Ступица трения | |
| 35 | 60284 | Пружина | |
| 36 | РСМ-10.01.54.414 | Направляющая | |
| 37 | РСМ-10.01.54.070А | Пластина | |
| 38 | М10х45.46.019 | Болт | |
| 39 | 10Т.65Г.019 | Шайба | |
| 40 | 2х20.019 | Шплинт | |
| 41 | РСМ-10.01.54.150Б | Удлинитель | |
| 42 | 6-8в12х20.35Ц9хр | Ось | |
| 43 | М8х20 | Болт | |
| 44 | РСМ-10.01.54.002А | Кольцо | |
| 45 | РСМ-10.01.50.473А | Обойма | |
| 46 | СП-57-44-6 | Кольцо или СП-57-44-5 | |
| 46 | СП-57-44-5 | Кольцо или СП-57-44-6 | |
| 47 | 08.128.000 | Звено соединительное С-ТРД-38-4400-01 | |
| 48 | 08.159.010 | Скребок в сборе | |
| 49 | 08.134.000-01 | Транспортер колосового элеватора 1-1-200х100-228-4600 со скребками | |
| 50 | РСМ-10.01.50.602 | Крюк | |
| 51 | РСМ-10.01.50.604 | Ось | |
| 52 | РСМ-10.01.50.140А | Крышка | |
| 53 | РСМ-10.01.54.160Б | Механизм предохранительный | |
| 54 | Н.027.01.040 | Опора (для комбайнов с копнителем) |
Содержащиеся в справочниках-каталогах запасные части и детали не предлагаются к продаже, а носят исключительно информационный характер