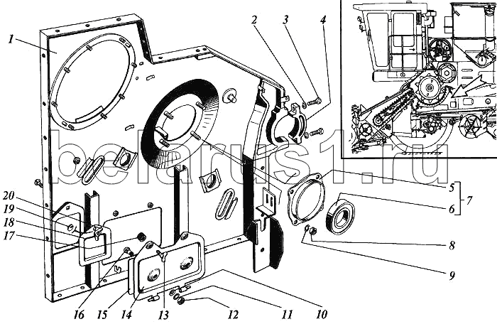
Каталог запасных частей к технике: РСМ Дон 1500А. Панель правая передней секции молотилки
1
2
3
4
5
6
6
7
8
9
10
11
12
13
14
15
16
17
18
19
20
| Позиция на иллюстрации | Заводской номер детали | Название детали | |
|---|---|---|---|
| 1 | РСМ-10.01.17.010А | Панель правая | |
| 2 | 20Т.65Г.019 | Шайба | |
| 3 | М20-6gх60.10.9.40Х.019 | Болт | |
| 4 | РСМ-10.01.15.202 | Обойма | |
| 5 | Н.027.116 | Корпус подшипника | |
| 6 | 680314НК7С17 | Подшипник или 680314НК7С27 | |
| 6 | 680314НК7С27 | Подшипник или 680314НК7С17 | |
| 7 | Н.027.01.160 | Подшипник в сборе или опора или РСМ-10.01.15.330 | |
| 8 | М16-6Н.6.019 | Гайка | |
| 9 | 16Т.65Г.019 | Шайба | |
| 10 | С8х1,4.01.019 | Шайба | |
| 11 | 8Т.65Г.019 | Шайба | |
| 12 | М8-6Н.6.019 | Гайка | |
| 13 | 44-1-2-16-2 | Винт | |
| 14 | РСМ-10.01.15.260 | Крышка | |
| 15 | РСМ-10.01.15.439А | Накладка | |
| 16 | М8х20 | Болт | |
| 17 | 44-00241 | Втулка | |
| 18 | РСМ-10.01.15.120 | Крышка | |
| 19 | РСМ-10.01.15.436 | Шайба эксцентрическая | |
| 20 | 54-2-157-01 | Гайка |
Содержащиеся в справочниках-каталогах запасные части и детали не предлагаются к продаже, а носят исключительно информационный характер