Каталог запасных частей к технике: РСМ Дон 1500А. Передний носок коленчатого вала
1
2
2
3
3
3
3
4
5
6
7
8
9
10
11
12
13
14
14
14
14
15
16
17
18
19
20
21
22
23
24
24
25
26
27
28
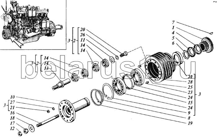
| Позиция на иллюстрации | Заводской номер детали | Название детали | |
|---|---|---|---|
| 1 | 22-04С12 | Блок зубчатых колес | |
| 2 | 31-04С18 | Палец в сборе | |
| 3 | 31-04С20 | Шкив | |
| 4 | 31-0405-2 | Маслоотражатель | |
| 5 | 15К-0444 | Шайба замковая | |
| 6 | 20-0445 | Гайка | |
| 7 | 23-0458 | Шпонка | |
| 8 | 31-0436 | Кольцо Б 100 | |
| 9 | 31-0437 | Кольцо | |
| 10 | 31-0462А | Водило | |
| 11 | 31-0463 | Опорная шайба | |
| 12 | 31-0464 | Гайка | |
| 13 | 31-0465-1 | Палец | |
| 14 | 31-0466А | Втулка упругая | |
| 15 | 31-0468 | Втулка | |
| 16 | 31-0469 | Шпилька | |
| 17 | 31-0470 | Гайка | |
| 18 | 31-0471 | Шайба | |
| 19 | СМД9-0128А | Кольцо | |
| 20 | М8-6gх16.88 | Болт | |
| 21 | М10-6Н.6 | Гайка | |
| 22 | 2.2-110х135-1 | Манжета | |
| 23 | 1.3.Ц6 | Масленка | |
| 24 | 60120 | Заказать Заказать Заказать Заказать | Подшипник |
| 25 | КГ1/8" | Пробка | |
| 26 | 8.65Г.05 | Шайба | |
| 27 | 10.65Г.05 | Шайба | |
| 28 | РСМ-8.03.00.102Г | Шкив |
Содержащиеся в справочниках-каталогах запасные части и детали не предлагаются к продаже, а носят исключительно информационный характер