Каталог запасных частей к технике: РСМ Дон 1500Б. Блок цилиндров

1
2
3
4
5
6
7
7
7
8
9
10
11
12
12
13
14
15
15
16
17
18
19
20
21
22
23
24
25
26
27
28
29
30
31
32
33
34
35
36
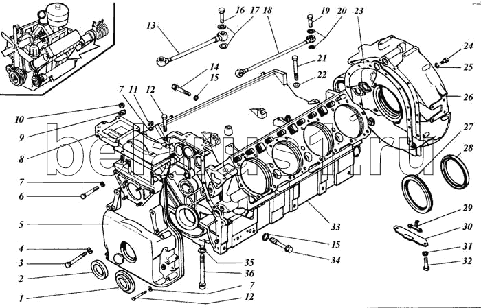
Позиция на иллюстрации | Заводской номер детали | Название детали | |
---|---|---|---|
1 | 236-1002272 | Маслоотражатель крышки шестерен | |
2 | 201-1005034-Б4 | Манжета | |
3 | 200827-П29 | Болт | |
4 | 252138-П2 | Шайба | |
5 | 236-1002260-Б2 | Крышка передняя | |
6 | 200328-П29 | Болт | |
7 | 252136-П2 | Шайба | |
8 | 236-91-1002256 | Крышка верхняя | |
9 | 312534-П2 | Шайба | |
10 | 250513-П29 | Гайка | |
11 | 236-1002265-А | Прокладка | |
12 | 200325-П29 | Болт | |
13 | 238-1111620 | Заказать | Трубка отвода масла от топливного насоса |
14 | 236-1005180 | Болт | |
15 | 236-1005181 | Шайба | |
16 | 310096-П2 | Болт | |
17 | 312326-П34 | Шайба | |
18 | 238-111614 | Трубка подвода масла к топливному насосу | |
19 | 310122-П2 | Болт | |
20 | 312482-П34 | Шайба | |
21 | 200276-П29 | Болт | |
22 | 312356-П29 | Шайба | |
23 | 236-1002314-Б | Заказать | Прокладка |
24 | 310044-П29 | Болт | |
25 | 252137-П2 | Шайба | |
26 | 238-91-1002311 | Картер маховика | |
27 | 238-1002315 | Маслоотражатель картера маховика | |
28 | 236-1005160-А3 | Манжета | |
29 | 236-1002333 | Указатель верхней мертвой точки поршня | |
30 | 236-1002318 | Крышка люка | |
31 | 252135-П2 | Шайба | |
32 | 201454-П29 | Болт | |
33 | 23891-1002012 | Блок цилиндров | |
34 | 236-1005178 | Болт стяжной | |
35 | 312304-П | Шайба | |
36 | 236-1005159 | Болт |
Содержащиеся в справочниках-каталогах запасные части и детали не предлагаются к продаже, а носят исключительно информационный характер