Каталог запасных частей к технике: РСМ Дон 1500Б. Электрооборудование комбайна

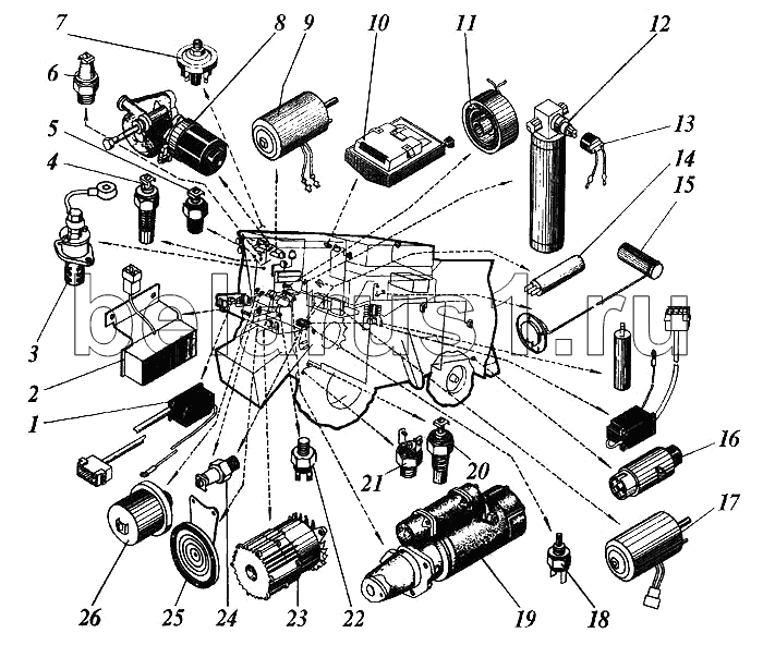
1
2
3
4
5
6
6
7
8
9
10
10
11
12
13
14
15
15
16
17
18
19
19
19
20
21
22
23
23
23
24
25
26
Позиция на иллюстрации | Заводской номер детали | Название детали | |
---|---|---|---|
1 | БД-1 | Блок диодов | |
2 | РСМ-10.10.20.010 | Панель управления реверсом | |
3 | ЭФП 8101500 | Электрофакельный подогреватель (для СМД-31А) | |
4 | ТМ-100В | Заказать Заказать | Датчик указателя температуры |
5 | ТМ111-01 | Датчик сигнализатор температуры | |
6 | ММ 106Б | Датчик сигнализатор аварийного давления масла (для СМД-31А Д-461/51) | |
6 | 2602.3829010 | Датчик сигнализатор аварийного давления масла (для ЯМЗ-238АК) | |
7 | 132.3839 | Датчик сигнализатора воздушного фильтра (для ЯМЗ-238АК Д-461/51) | |
8 | СЛ230М-10 | Стеклоочиститель электрический | |
9 | МЭ226-В | Электродвигатель | |
10 | 11.3714010 | Плафон или 0026.1237.14010 | |
10 | 0026.1237.14010 | Плафон или 11.3714010 | |
11 | Муфта компрессора | Муфта компрессора | |
12 | Ресивер кондиционера | Ресивер кондиционера | |
13 | Розетка | Розетка | |
14 | Д013-1 | Датчик оборотов | |
15 | 56.3827010 | Датчик указателя уровня топлива или БМ-144Д | |
15 | БМ-144Д | Датчик указателя уровня топлива или 56.3827010 | |
16 | ПС300А-150 | Вилка | |
17 | МЭ237 | Заказать | Электродвигатель отопителя |
18 | ВК415 | Выключатель | |
19 | 56.3708 | Стартер (для Д-461/51) | |
19 | 3212.3708 | Стартер | |
19 | 25.3708-01 | Стартер | |
20 | ТМ-100В | Заказать Заказать | Датчик указателя температуры |
21 | 15.3710 | Включатель | |
22 | ВК12Б | Заказать | Выключатель |
23 | 968.3701 | Генератор | |
23 | 967.3701 | Генератор (для СМД-31А) | |
23 | 967.3701-02 | Генератор | |
24 | ТМ111-12 | Датчик-сигнализатор температуры | |
25 | С313 | Сигнал звуковой | |
26 | ММ355 | Заказать Заказать | Датчик указателя давления масла |
Содержащиеся в справочниках-каталогах запасные части и детали не предлагаются к продаже, а носят исключительно информационный характер