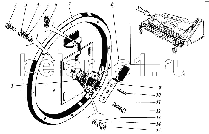
Каталог запасных частей к технике: РСМ Дон 1500Б. Фланец правой боковины

1
2
3
4
5
6
7
8
8
9
9
10
11
12
13
14
15
Позиция на иллюстрации | Заводской номер детали | Название детали | |
---|---|---|---|
1 | РСМ-10.08.01.740 | Плита правая | |
2 | М10-6gх35.88.35.019 | Болт | |
3 | М10-6Н.6.019 | Гайка | |
4 | С10.01.019 | Шайба | |
5 | 10Т.65Г.019 | Шайба | |
6 | С12-2,0.01.019 | Шайба | |
7 | РСМ-10.08.01.730 | Фланец правой боковины | |
8 | 54-10172 | Втулка или РСМ-10.08.01.105 | |
8 | РСМ-10.08.01.105 | Втулка или 54-10172 | |
9 | РСМ-10.08.01.485 | Рукоятка или 3518050-15239 | |
9 | 3518050-15239 | Рукоятка или РСМ-10.08.01.485 | |
10 | 2-8х7х56 | Шпонка | |
11 | 16Т.65Г.019 | Шайба | |
12 | М16-6gх25.88.35.019 | Болт | |
13 | 20012 | Шайба | |
14 | 12Т.65Г.019 | Шайба | |
15 | М12-6Н.6.019 | Гайка |
Содержащиеся в справочниках-каталогах запасные части и детали не предлагаются к продаже, а носят исключительно информационный характер