Каталог запасных частей к технике: РСМ Дон 1500Б. Гидростатическая трансмиссия

1
2
3
4
5
6
7
7
8
9
10
10
11
12
13
14
14
15
16
17
18
18
19
20
21
22
23
24
25
26
27
27
28
29
30
31
32
33
34
35
36
36
37
38
38
39
40
41
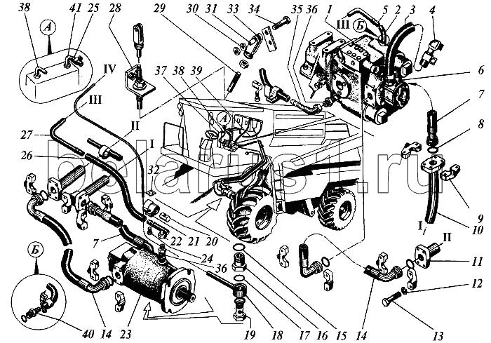
Позиция на иллюстрации | Заводской номер детали | Название детали | |
---|---|---|---|
1 | НП-90 | Насос аксиально-плунжерный регулируемый | |
2 | РСМ-10.09.13.002 | Рукав | |
3 | РСМ-10.09.09.350Б-02 | Рукав | |
4 | РСМ-10.09.09.140А | Угольник ввертной | |
5 | РСМ-10.09.01.930А | Трубопровод | |
6 | РСМ-10.09.13.010А | Переходник | |
7 | V425х800РSР Р2SР | Рукав высокого давления | |
8 | ГСТ-90.00.003 | Кольцо уплотнительное | |
9 | ГСТ-90.00.001 | Полуфланец | |
10 | РСМ-10.09.01.370Г | Трубопровод | |
10 | РСМ-8.09.01.020 | Трубопровод | |
11 | РСМ-10.09.09.380Б | Трубопровод | |
12 | 10Т.65Г.019 | Шайба | |
13 | ГСТ-90.00.002 | Болт | |
14 | V425х800Р2SР Р2SР | Рукав высокого давления | |
15 | 019-023-25-2-2 | Кольцо уплотнительное | |
16 | РСМ-10.09.04.602А | Штуцер | |
17 | 016-020-25-2-2 | Заказать | Уплотнительное кольцо |
18 | РСМ-10.09.02.260 | Трубопровод | |
18 | РСМ-8.09.02.050 | Трубопровод | |
19 | 54-60506 | Болт | |
20 | 54-62339 | Гайка | |
21 | РСМ-10.09.01.504 | Лента | |
22 | РСМ-10.09.02.220Б | Тройник | |
23 | МП-90 | Гидромотор | |
24 | М6-8gх35 | Болт | |
25 | 00312Б | Шланг | |
26 | РСМ-10.09.05.001А | Рукав | |
27 | РСМ-8.09.02.040 | Трубопровод | |
27 | РСМ-10.09.02.250 | Трубопровод | |
28 | РСМ-10.04.13.510А | Кронштейн | |
29 | 6203-1313-158 | Трос "Пуш-Пул" 6200 | |
30 | М6-6Н | Гайка | |
31 | РСМ-10.04.13.805 | Втулка | |
32 | 54-51.781 | Шайба | |
33 | РСМ-10.04.13.302А | Вилка | |
34 | М6-8gх45.88.35.019 | Болт | |
35 | РСМ-10.09.02.080А | Угольник | |
36 | РСМ-10.09.05.611Б | Штуцер | |
37 | 100У-08.003 | Радиатор масляный | |
38 | РСМ-10.09.13.090 | Трубопровод | |
39 | РСМ-10.09.09.350-01 | Рукав | |
40 | РСМ-10.09.09.400 | Переходник | |
41 | РСМ-10.09.13.110А | Переходник |
Содержащиеся в справочниках-каталогах запасные части и детали не предлагаются к продаже, а носят исключительно информационный характер