Каталог запасных частей к технике: РСМ Дон 1500Б. Мост ведущий с гидроприводом
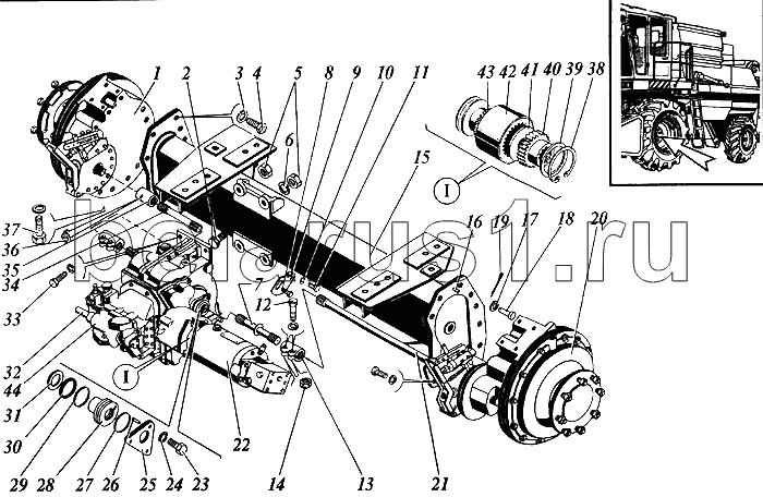
1
2
3
4
5
6
7
8
9
10
11
12
13
14
15
15
16
17
18
18
19
20
21
22
23
24
25
26
27
28
29
30
31
32
33
34
35
36
37
38
39
40
41
42
43
44
| Позиция на иллюстрации | Заводской номер детали | Название детали | |
|---|---|---|---|
| 1 | МК-23М.03.000Ж | Редуктор левый | |
| 2 | 2аМ16-8gх85.109.40Х.019 | Болт | |
| 3 | 24Т.65Г.019 | Шайба | |
| 4 | М24-6gх55.109.40Х.019 | Болт | |
| 5 | М16.6Н.6.019 | Гайка | |
| 6 | 16Т.65Г.019 | Шайба | |
| 7 | 3518020-42490 | Полуось с отражателем | |
| 8 | 3518020-46074 | Болт демонтажа коробки диапазонов | |
| 9 | 3518020-44397 | Кронштейн демонтажа коробки диапазонов | |
| 10 | 12Т.65Г.019 | Шайба | |
| 11 | М12х35.66.019 | Болт | |
| 12 | М12-6gх70.109.40Х.019 | Болт | |
| 13 | 3518020-46075 | Муфта соединительная | |
| 14 | М12-6Н.6.019 | Гайка | |
| 15 | 3518020-42480 | Балка моста | |
| 15 | 3518020-42470 | Балка моста | |
| 16 | 3518020-46426 | Штифт | |
| 17 | 30.01.019 | Шайба | |
| 18 | 6-30в12х85.35.Ц9фос/хр | Ось | |
| 18 | 6-30в12х170.35.Ц9фос/хр | Ось | |
| 19 | 6,3х40.019 | Шплинт | |
| 20 | МК-23М.04.000 | Редуктор правый | |
| 21 | 3518020-46178 | Полуось правая | |
| 22 | МП-90 | Гидромотор | |
| 23 | М8х25.66.019 | Болт | |
| 24 | 8Т.65Г.019 | Шайба | |
| 25 | 3518020-40037 | Крышка полуоси | |
| 26 | 2,6х20 | Штифт | |
| 27 | 079-085-36-2-2 | Заказать | Кольцо |
| 28 | 3518020-40038 | Корпус уплотнителя | |
| 29 | СП-65-45-8 | Кольцо | |
| 30 | 12-45х65-1 | Манжета | |
| 31 | С45 | Кольцо ГОСТ 13942-86 | |
| 32 | 3518020-43020 | Коробка диапазонов | |
| 33 | М16-6gх80.109.40Х.019 | Болт | |
| 34 | 3518020-46175 | Полуось левая | |
| 35 | 3518020-46147 | Втулка | |
| 36 | 1.3Ц6хр | Масленка | |
| 37 | М16х45.66.019 | Болт | |
| 38 | С85 | Кольцо ГОСТ 13943-86 | |
| 39 | 3518020-46135 | Кольцо дистанционное полумуфты | |
| 40 | 3518020-46132 | Полумуфта переднего вала | |
| 41 | 3518020-46134 | Кольцо полумуфты гидромотора | |
| 42 | 3518020-46136 | Втулка шлицевая полумуфты | |
| 43 | 3518020-46133 | Полумуфта гидромотора | |
| 44 | 3518020-43270-02 | Механизм переключения диапазонов |
Содержащиеся в справочниках-каталогах запасные части и детали не предлагаются к продаже, а носят исключительно информационный характер