Каталог запасных частей к технике: РСМ Дон 1500Б. Регулятор частоты вращения

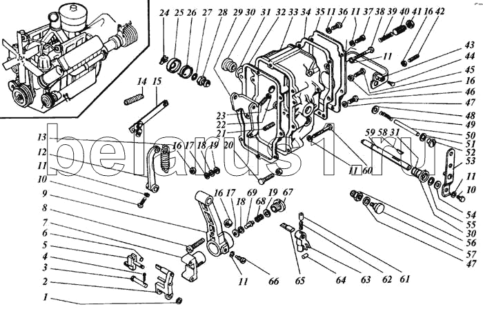
1
2
3
4
5
6
7
8
9
10
10
11
11
11
11
11
11
11
12
13
14
15
16
16
16
16
17
17
18
18
19
19
20
21
22
23
24
25
26
27
28
29
30
30
31
31
32
33
34
35
36
37
38
39
40
41
42
43
44
45
46
47
47
48
49
50
51
52
53
54
55
56
57
58
59
60
61
62
63
64
65
66
67
68
69
Позиция на иллюстрации | Заводской номер детали | Название детали | |
---|---|---|---|
1 | 312370-П15 | Шайба | |
2 | 60.1110266 | Рычаг | |
3 | 852780-П15 | Палец | |
4 | 258012-П15 | Шплинт | |
5 | 60.1110223-01 | Кулиса | |
6 | 60.1110265 | Кольцо пружинное | |
7 | 60.1110263 | Втулка корректора | |
8 | 852350-П15 | Винт регулировочный | |
9 | 60.1110406 | Рычаг регулятора | |
10 | 201418-П29 | Болт | |
11 | 251254-П29 | Шайба | |
12 | 236-1110466-А | Рычаг пружины | |
13 | 236-1110462 | Пружина регулятора | |
14 | 236-1110448 | Пружина рычага рейки | |
15 | 236-1110454 | Тяга рейки с планкой | |
16 | 250508-П29 | Гайка | |
17 | 236-1110140 | Шайба | |
18 | 236-1110141 | Шайба | |
19 | 312652-П15 | Шайба | |
20 | 852002-П15 | Болт регулировочный | |
21 | 852358-П29 | Винт регулировочный | |
22 | 250511-П15 | Гайка | |
23 | 242519-П15 | Винт регулировочный | |
24 | 236-1110262 | Шайба | |
25 | 236-1110398 | Крышка пружины | |
26 | 236-1110396 | Пружина возвратная | |
27 | 236-1110394 | Кольцо уплотнительное оси кулисы | |
28 | 236-1110134-Б | Ввертыш | |
29 | 236-1110080 | Рычаг двухплечий | |
30 | 236-1110476-Б | Втулка | |
31 | 236-1110479 | Кольцо уплотнительное втулки вала рычага | |
32 | 236-1110154-А | Прокладка | |
33 | 60.1110129 | Крышка регулятора | |
34 | 236-1110499-013 | Прокладка | |
35 | 60.1110498 | Крышка смотрового люка | |
36 | 310611-П15 | Винт | |
37 | 236-1110500 | Винт | |
38 | 310612-П15 | Винт крепления крышки | |
39 | 236-1110490 | Пружина буферная | |
40 | 60.1110492 | Корпус пружины | |
41 | 311511-П15 | Контргайка | |
42 | 236-1110200 | Винт регулировочный | |
43 | 80.1110380 | Скоба кулисы | |
44 | 852000-П29 | Болт | |
45 | 310142-П15 | Болт регулировочный | |
46 | 222580-П29 | Винт | |
47 | 312353-П | Шайба | |
48 | 312700-П15 | Шайба | |
49 | 236-1110089 | Пружина компенсационная | |
50 | 236-1110088 | Ось рычагов | |
51 | 312446-П | Шайба | |
52 | 310608-П15 | Винт-заглушка | |
53 | 236-1110149-Б3 | Рычаг управления регулятором | |
54 | 312347-П15 | Шайба | |
55 | 236-1110482 | Кольцо вала рычага | |
56 | 236-1110392 | Ввертыш оси скобы | |
57 | 236-1110390 | Ось скобы | |
58 | 314003-П | Шпонка | |
59 | 236-1110467 | Вал рычага пружины | |
60 | 222539-П15 | Винт | |
61 | 236-1110372-Б | Фиксатор кулисы | |
62 | 236-1110374-Б | Пружина фиксатора | |
63 | 60.1110132 | Кулиса | |
64 | 60.1110220 | Ползун кулисы | |
65 | 236-1110136-Б | Ось кулисы | |
66 | 852351-П15 | Винт стопорный | |
67 | 852881-П15 | Пробка | |
68 | 240Б-1110414 | Пружина корректора | |
69 | 60.1110264 | Упор пружины |
Содержащиеся в справочниках-каталогах запасные части и детали не предлагаются к продаже, а носят исключительно информационный характер