Каталог запасных частей к технике: РСМ Дон 1500Б. Рулевая колонка

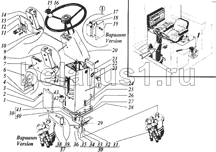
1
2
3
4
5
6
7
8
9
10
11
12
13
14
17
18
19
20
21
22
23
24
25
26
27
28
29
30
30
31
32
33
34
35
36
37
38
38
38
39
40
41
42
43
44
45
Позиция на иллюстрации | Заводской номер детали | Название детали | |
---|---|---|---|
1 | РСМ-10.04.13.401А | Крышка | |
2 | 4Т.65Г.019 | Шайба | |
3 | ВМ4-6gх14.48.036 | Винт | |
4 | 2.2,8х40.019 | Шплинт пружинный ОСТ 2322-79 | |
5 | С10.01.019 | Шайба | |
6 | 6-10в.12х30.35.Ц9хр | Ось | |
7 | С4х0,8.01.019 | Шайба | |
8 | РСМ-10.04.13.290В | Кронштейн | |
9 | ВМ6-6gх12.48.036 | Винт | |
10 | 6Т.65Г.019 | Шайба | |
11 | 32.3710 | Выключатель аварийной сигнализации (для экспорта) | |
12 | РСМ-10.04.13.037 | Кронштейн (для экспорта) | |
13 | РСМ-10.04.13.280-01 | Оболочка (для экспорта) | |
14 | РСМ-10.04.13.290В-01 | Кронштейн (для экспорта) | |
15 | РСМ-10.04.13.540 | Рукоятка рулевого колеса | |
16 | РСМ-10.04.13.010А | Колонка рулевая | |
17 | М6-6Н.6.019 | Гайка | |
18 | РС-951А | Прерыватель указателя поворота (для экспорта) | |
19 | РСМ-10.04.13.030Б-01 | Кожух (для экспорта) | |
20 | РСМ-10.04.13.280 | Оболочка | |
21 | РСМ-10.04.13.050А | Панель | |
22 | 24.65Г.019 | Шайба | |
23 | РСМ-10.04.13.601А | Болт | |
24 | М8-6gх25.88.35.019 | Болт | |
25 | С8х1,4.01.019 | Шайба | |
26 | РСМ-10.04.13.025А | Прокладка | |
27 | РСМ-10.04.13.432Б | Пластина | |
28 | РСМ-10.04.13.626А | Вал | |
29 | 6-8в12х35.35.Ц9хр | Ось | |
30 | РСМ-10.09.12.080 | Насос-дозатор | |
31 | НДМ-125-16-У | Насос-дозатор | |
32 | 2.2х28.019 | Шплинт пружинный ОСТ23.22-79 | |
33 | РСМ-10.09.12.050 | Кронштейн | |
34 | РСМ-10.09.12.801 | Муфта | |
35 | 6-8в12х40.35Ц9хр | Ось | |
36 | 2х18.019 | Шплинт | |
37 | РСМ-10.09.12.090 | Насос-дозатор | |
38 | "Dаnfоss" | Насос-дозатор (для экспорта) "Dаnfоss" | |
38 | "Lisаm" | Насос-дозатор (для экспорта) "Lisаm " | |
38 | "Оrstа" | Насос-дозатор (для экспорта) "Оrstа" | |
39 | РСМ-10.04.13.580 | Втулка переходная (для экспорта) | |
40 | 10Т.65Г.019 | Шайба | |
41 | М10-6gх16.88.35.019 | Болт | |
42 | РСМ-10.04.13.040А | Педаль | |
43 | А13.38.002 | Заказать | Чехол |
44 | РСМ-10.04.13.606А | Пружина | |
45 | РСМ-10.04.13.030Б | Кожух |
Содержащиеся в справочниках-каталогах запасные части и детали не предлагаются к продаже, а носят исключительно информационный характер