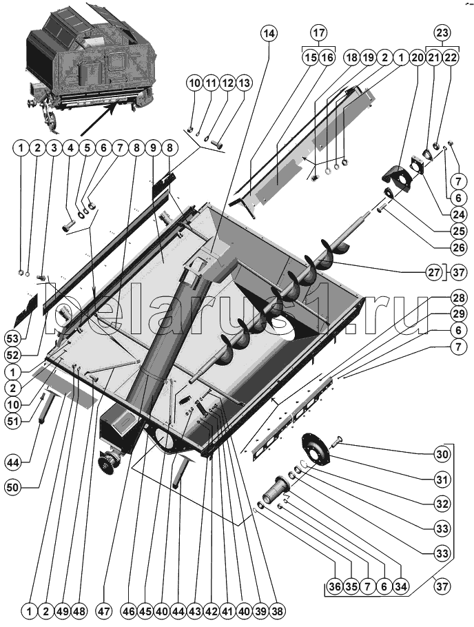
Каталог запасных частей к технике: РСМ-10Б "Дон-1500Б". Днище бункера

1
1
1
1
2
2
2
2
3
4
5
6
6
6
6
7
7
7
7
8
8
9
10
10
11
12
13
14
15
16
17
18
19
20
21
22
23
24
25
26
27
28
29
30
31
32
33
33
34
35
36
37
37
38
39
40
40
41
42
43
44
44
45
46
47
48
49
50
51
52
53
Содержащиеся в справочниках-каталогах запасные части и детали не предлагаются к продаже, а носят исключительно информационный характер