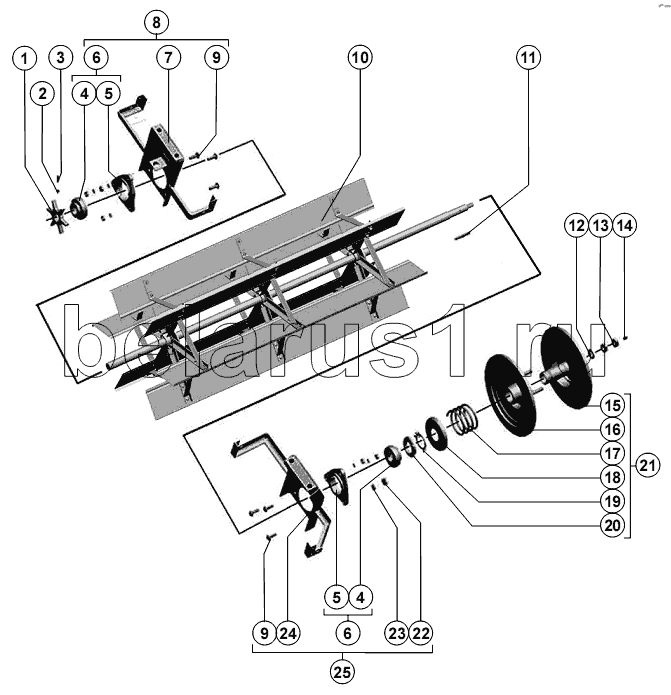
Каталог запасных частей к технике: РСМ-10Б "Дон-1500Б". Шкив вариатора ведомый

1
2
3
4
4
5
5
6
6
7
8
9
9
10
11
12
13
14
15
16
17
18
19
20
21
22
23
24
25
Позиция на иллюстрации | Заводской номер детали | Название детали | |
---|---|---|---|
1 | РСМ-10.10.30.012А-01 | Звездочка | |
2 | М6-6Н.6.019 ГОСТ 5915-70 | Гайка | |
3 | М6х20.22Н ТУ 23.4617472.07-91 | Винт | |
4 | 1680207К10С27 ТУ 37.006.084-90 | Подшипник | |
5 | Н.027.105 | Корпус подшипника | |
6 | Н.027.01.050 | Опора подшипника | |
7 | РСМ-10Б.01.03.080А | Кронштейн | |
8 | РСМ-10Б.01.03.180 | Кронштейн в сборе | |
9 | М10х35.46.019 ГОСТ 7802-81 | Болт | |
10 | РСМ-10.01.03.020А | Крылач | |
11 | 8х7х70 ГОСТ 23360-78 | Шпонка | |
12 | С.20х3,9.01.019 ГОСТ 11371-78 | Шайба | |
13 | М20х1,5-6Н.04.019 ГОСТ 5916-70 | Гайка | |
14 | 1.2.Ц6.хр ГОСТ 19853-74 | Маслёнка 1.2.Ц6.хр ГОСТ 19853-74 | |
15 | РСМ-10Б.01.03.490 | Диск | |
16 | РСМ-10Б.01.03.170А | Диск | |
17 | РСМ-10.01.03.602 | Пружина | |
18 | РСМ-10.01.03.404 | Обойма | |
19 | Н.48х1,4.01.019 ГОСТ 11872-89 | Шайба | |
20 | М48х1,5-6Н.05.019 ГОСТ 11871-88 | Гайка | |
21 | РСМ-10Б.01.03.160А | Шкив вентилятора | |
22 | М10-6Н.6.019 ГОСТ 5915-70 | Гайка | |
23 | 10Т 65Г 019 ГОСТ 6402-70 | Шайба | |
24 | РСМ-10Б.01.03.110А | Кронштейн | |
25 | РСМ-10Б.01.03.190 | Кронштейн в сборе |
Содержащиеся в справочниках-каталогах запасные части и детали не предлагаются к продаже, а носят исключительно информационный характер