Аркадак
Эль-Монте ваш город?
Да
Выбрать другой город
Написать в
WhatsApp
Написать в
Telegram
Каталог

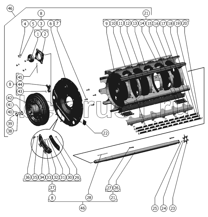
Каталог запасных частей к технике: РСМ-142 "Acros" вариант. Барабан молотильный

zoom-in zoom-out enlarge shrink circle-right circle-left file-text2 info cart
1
2
3
4
5
6
7
8
8
8
9
10
11
12
13
14
15
16
17
18
19
20
21
21
22
23
24
25
26
27
28
29
30
31
32
33
34
35
36
37
38
39
40
41
42
43
44
45
46
46
Позиция на иллюстрации Заводской номер детали Название детали
1 680314НК7С27 ТУ 37.006.084-90 Подшипник
2 Н.027.116 Корпус подшипника
3 Н.027.01.160 Подшипник в сборе или опора или РСМ-10.01.15.330
4 М16-6Н.6.019 ГОСТ 5915-70 Гайка
5 16Т.65Г 019 ГОСТ6402-70 Шайба
6 145.15.03.130 Фланец
7 М16х50.46.019 ГОСТ 7802-81 Болт
8 145.15.03.110 Фланец
9 РСМ-10.01.18.220А Диск крайний
10 10х24.01.019 ГОСТ11371-78 Заклепка
11 РСМ-10.01.18.415Б Диск
12 101.01.18.030А Диск средний
13 РСМ-10.01.18.450А Бич правый
14 РСМ-8.01.18.414 Пластина балансировочная
15 РСМ-8.01.18.414-01 Пластина балансировочная
16 РСМ-8.01.18.414-02 Пластина балансировочная
17 РСМ-10.01.18.440А Бич левый
18 РСМ-10.01.18.413 Прокладка (по потребности)
19 РСМ-10.01.18.413-01 Прокладка
20 РСМ-10.01.18.413-02 Прокладка
21 РСМ-10.01.18.210 Остов барабана
22 РСМ-10.01.15.427 Заслонка
23 РСМ-10.10.30.012А-02 Звездочка
24 М6-6Н.6.019 ГОСТ 5915-70 Гайка
25 М6х20.22Н ТУ 23.4617472.07-91 Винт
26 РСМ-10.01.18.601В Вал барабана
27 РСМ-10.01.18.604 Шпонка специальная или РСМ-10.01.18.301
28 18х11х200 ГОСТ 23360-78 Шпонка
29 М8х20 ТУ23.4617472.06-91 Болт
30 РСМ-10.01.18.409 Накладка
31 8Т 65Г 019 ГОСТ 6402-70 Шайба
32 С8х1,4.01.019 ГСОТ 11371-78 Шайба
33 М8-6Н.6.019 ГОСТ 5915-70 Гайка
34 РСМ-10.01.18.150 Крышка
35 44-00241 Втулка
36 44-1-2-16-2 Винт
37 РСМ-10.01.18.140 Крышка
38 М24х1,5-6Н.05.019 ГОСТ 11871-88 Гайка
39 1.2.Ц6.хр ГОСТ 19853-74 Маслёнка 1.2.Ц6.хр ГОСТ 19853-74
40 Н.42х1,4.01.019 ГОСТ 11872-89 Шайба
41 С 42х3,9.01.019 ГОСТ 10450-78 Шайба
42 145.15.10.000 Вариатор барабана
43 С25 ГОСТ 13942-86 Кольцо
44 РСМ-10.01.15.300 Рычаг
45 44Б-2-67 Трубка
46 145.15.03.000 СБ Барабан молотильный
Содержащиеся в справочниках-каталогах запасные части и детали не предлагаются к продаже, а носят исключительно информационный характер