Каталог запасных частей к технике: РСМ-142 "Acros" вариант. Мост ведущих колес

1
2
2
2
2
3
4
5
5
5
5
5
6
7
8
9
10
11
11
12
13
14
15
15
16
17
17
17
18
19
20
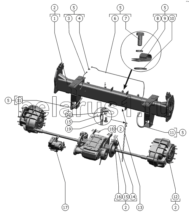
Позиция на иллюстрации | Заводской номер детали | Название детали | |
---|---|---|---|
1 | 142.02.11.020 | Балка | |
2 | 142.02.11.010 | Мост ведущий | |
3 | 142.09.22.020 | Трубопровод | |
4 | T12LCFX | Тройник | |
5 | 142.09.72.000 | Гидрооборудование моста ведущих колес | |
6 | 142.09.22.010 | Трубопровод | |
7 | М8-6gx14.88.35.019 ГОСТ 7798-70 | Болт | |
8 | 8Т 65Г 019 ГОСТ 6402-70 | Шайба | |
9 | 54-51452-09 | Скоба | |
10 | C 8.01.019 ГОСТ 6958-78 | Шайба | |
11 | РВД. 12.А2.Б2.610.25/75 ТУ 4791-001-00166887-2002 | РВД. 12.А2.Б2.610.25/75 ТУ 4791-001-00166887-2002 | |
12 | 0264 265.2 | Комплект сборочных компонентов моста | |
13 | РСМ-10.02.01.603-01 | Цепь | |
14 | М12-6H.6.019 ГОСТ 5915-70 | Гайка | |
15 | 12Т 65Г 019 ГОСТ 6402-70 | Шайба | |
16 | С.12.01.019 ГОСТ 11371-78 | Шайба | |
17 | 142.09.72.080 | Гидромотор | |
17 | 142.09.72.050 | Гидромотор | |
17 | 142.09.72.070 | Гидромотор | |
18 | М12-6gx40.88.35.019 ГОСТ 7798-70 | Болт | |
19 | М12-6gx25.88.35.019 ГОСТ 7798-70 | Болт | |
20 | C 12.01.019 ГОСТ 6958-78 | Шайба |
Содержащиеся в справочниках-каталогах запасные части и детали не предлагаются к продаже, а носят исключительно информационный характер