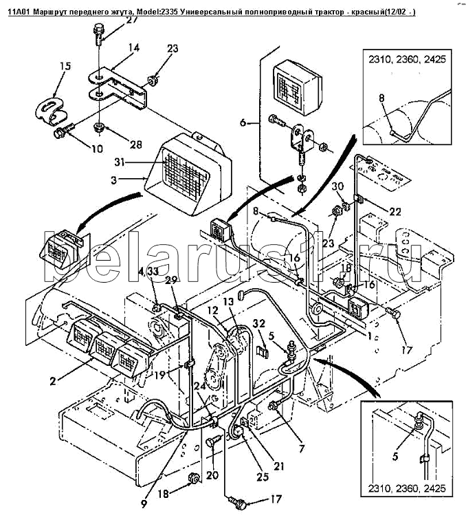
Каталог запасных частей к технике: Versatile серии 2000. 11A01 Маршрут переднего жгута

2
3
4
4
4
5
5
6
7
8
8
9
9
9
10
12
13
14
15
16
16
17
17
18
18
19
20
21
22
23
23
24
25
27
28
29
30
31
32
33
Позиция на иллюстрации | Заводской номер детали | Название детали | |
---|---|---|---|
1 | 9821300 | Кронштейн звукового сигнала в сборе | |
2 | 9707427 | Фара рабочая 3х5 левая | |
3 | 9707428 | Фара рабочая 3х5 правая | |
4 | 86018955 | Датчик уровня охлаждающей жидкости | |
4 | 86031593 | Датчик уровня охлаждающей жидкости | |
4 | 9706428 | Датчик уровня охлаждающей жидкости 3/8-16Ptf | |
5 | 9673053 | Датчик магнитный | |
6 | 9706418 | Фара рабочая 4х6 | |
7 | 9672944 | Переключатель температуры 210 F | |
8 | V103356 | Датчик разряжения | |
9 | 86013882 | Жгут, двигатель N11 и 8.3 ltr | |
9 | 86018854 | Жгут, двигатель N14 | |
9 | 86029887 | Жгут проводов двигателя QSM11 | |
10 | 86511479 | Болт шестигранный FLG USR M 8 X 20 PL | |
12 | 9707484 | Переключатель - давление Nc 300/200 Psig L4WD | |
13 | 9707483 | Переключатель, давление 40/4PSI | |
14 | 86501123 | Крепление фонаря | |
15 | 86501124 | Зажим крепления фонаря | |
16 | 86511954 | Хомут 1 1/16 | |
17 | 9840672 | Болт M10x1.50x30 | |
18 | 86050279 | Гайка шестигранная M10 класс 10 PL | |
19 | 86050307 | Р-образный зажим с покрытием o 0,75 двойной | |
20 | 86511953 | Болт шестигранный FLG USR M 6 X 25 PL | |
21 | 86012004 | Гайка М6 | |
22 | 9706732 | Хомут 3/4dm | |
23 | 86507066 | Гайка шестигранная FLG M8 класс 10 PL | |
24 | 9672530 | Хомут 0.50dm | |
25 | 9843767 | Реле пуска 75 А | |
27 | 86511481 | Болт шестигранный FLG M 8 X 50 8.8PL | |
28 | 86505868 | Гайка шестигранная USR M 8 PL | |
29 | 86050266 | Хомут 3/8 | |
30 | 43730 | Шайба М8 | |
31 | 86507528 | Фонарь 50Вт, 3х5 | |
32 | V33721 | Хомут 7/8dm | |
33 | V20399 | Фитинг 3/8NPTx1/4FNPT |
Содержащиеся в справочниках-каталогах запасные части и детали не предлагаются к продаже, а носят исключительно информационный характер