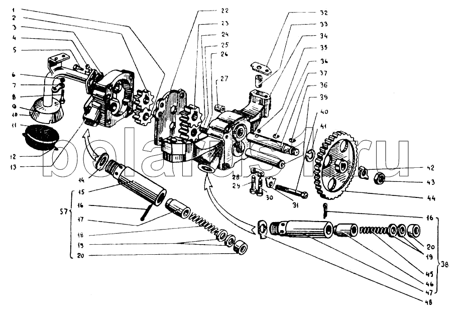
Каталог запасных частей к технике: ВгТЗ ДТ-75МВ. Насос масляный

Позиция на иллюстрации | Заводской номер детали | Название детали | |
---|---|---|---|
МН-09С2 | МН-09С2 | Насос в сборе | |
СМД55У-09С10 | СМД55У-09С10 | Сетка маслоприемника | |
1 | МН-09С9 | Шестерня ведомая радиаторной секции | |
3 | А12.03.002-12 | Прокладка | |
4 | А12.03.003-02 | Пластина стопорная | |
5 | М8-6gх20.88.35.013 | Болт ГОСТ 7796-70 | |
6 | 10х2.01.011 | Шайба ГОСТ 10450-78 | |
7 | 01-0966 | Шайба замковая | |
8 | М10-6gх20.88.35.013 | Болт ГОСТ 7796-70 | |
9 | МН41-09С11 | Труба всасывающая | |
12 | СМД55У-0925 | Пружина | |
13 | МН-09С6-1 | Корпус радиаторной секции в сборе | |
14 | МН-0946 | Шайба стопорная | |
15 | МН-0927 | Корпус клапана предохранительного | |
16 | 4х36-005 | Шплинт ГОСТ 397-79 | |
17 | МН-0926-1 | Плунжер клапана предохранительного | |
18 | МН-0925 | Пружина № 328 ГОСТ 13771-68 | |
19 | 01-0941А | Шайба регулировочная | |
23 | МН-09С7 | Шестерня ведущая в сборе | |
24 | МН-09С8 | Шестерня ведомая в сборе | |
25 | 01-0944 | Штифт | |
26 | 01-0945 | Кольцо пружинное | |
28 | МН-0932А | Шайба замковая | |
29 | М12-6gх100.58.05 | Болт ГОСТ 7795-70 | |
30 | М10-6gх70.88.35.013 | Болт ГОСТ 7796-70 | |
31 | МН-0950 | Шайба стопорная | |
32 | МН-0931 | Прокладка регулировочная | |
34 | МН-09С4-1 | Корпус нагнетающей секции в сборе | |
35 | БV4мм | Шарик ГОСТ 3722-60 | |
36 | МН-0935 | Шпонка сегментная | |
40 | МН-0937 | Болт | |
41 | 01-0624 | Кольцо стопорное | |
42 | МН-0953 | Шайба стопорная | |
43 | МН-0938 | Гайка | |
45 | МН-0922 | Пружина № 429 ГОСТ 13770-68 | |
46 | МН-0928 | Плунжер клапана редукционного | |
47 | МН-0924 | Корпус клапана редукционного | |
48 | МН-0949 | Шайба стопорная | |
49 | 1.2х300 | Проволока ГОСТ 3282-74 | |
50 | 54.08.406 | Болт зажимной | |
51 | СМД7-0929 | Прокладка | |
54 | А12.03.002-07 | Прокладка | |
59 | МН41-09С12 | Труба нагнетающая |
Содержащиеся в справочниках-каталогах запасные части и детали не предлагаются к продаже, а носят исключительно информационный характер