Каталог запасных частей к технике: ВгТЗ ДТ-75МВ. Управление трактором. Тяги, рычаги.

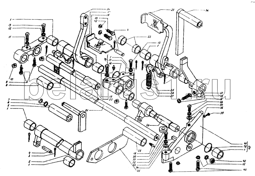
Позиция на иллюстрации | Заводской номер детали | Название детали | |
---|---|---|---|
1 | 54.40.436 | Втулка | |
2 | 78.40.029 | Рычаг левый | |
4 | А40-18-01 | Палец | |
5 | А-40-34 | Рукоятка | |
6 | А40-28 | Шайба рукоятки | |
7 | А13.01.004 | Кольцо стопорное | |
8 | 78.40.251 | Втулка | |
9 | Болт М10.6gх30.58.016 ГОСТ 7796-70 | Болт М10.6gх30.58.016 ГОСТ 7796-70 | |
10 | Гайка М10.6.016 ГОСТ 5915-70 | Гайка М10.6.016 ГОСТ 5915-70 | |
11 | 78.40.209 | Кронштейн валиков | |
12 | Шайба 1265Г05 ГОСТ 6402-70 | Шайба 1265Г05 ГОСТ 6402-70 | |
13 | Болт М12.6gх25.58.016 ГОСТ 7796-70 | Болт М12.6gх25.58.016 ГОСТ 7796-70 | |
14 | 78.40.031 | Педаль левая | |
15 | 78.40.046 | Подушка | |
16 | 78.40.026 | Кронштейн | |
17 | 78.40.208 | Кронштейн малый | |
18 | Заглушка 38-08кп ГОСТ 3111-67 | Заглушка 38-08кп ГОСТ 3111-67 | |
19 | Масленка 1.3 Ц 6 хр ГОСТ 19853-74 | Масленка 1.3 Ц 6 хр ГОСТ 19853-74 | |
20 | 78.40.238 | Вал левой педали | |
21 | 78.40.239 | Вал длинный | |
22 | 85.40.248 | Втулка | |
23 | 78.40.030 | Педаль правая | |
24 | 78.40.236 | Сектор | |
25 | 85.40.257 | Палец | |
26 | 85.40.256 | Ушко | |
27 | 77.40.119А | Пружина | |
28 | 78.40.0119 | Валик короткий | |
29 | 78.40.250 | Втулка | |
30 | 85.40.247 | Шпонка | |
31 | Болт М10.6gх20.58.016 ГОСТ 7796-70 | Болт М10.6gх20.58.016 ГОСТ 7796-70 | |
32 | 78.40.314 | Упор | |
33 | Шплинт 4х22 ГОСТ 397-66 | Шплинт 4х22 ГОСТ 397-66 | |
33 | Шайба 1065Г05 ГОСТ 6402-70 | Шайба 1065Г05 ГОСТ 6402-70 | |
34 | Шайба 10.01 ГОСТ 11371-68 | Шайба 10.01 ГОСТ 11371-68 | |
35 | 88.40.211 | Уплотнитель | |
36 | 78.40.028 | Рычаг правый | |
37 | Болт М12.6gх35.58.016 ГОСТ 7796-70 | Болт М12.6gх35.58.016 ГОСТ 7796-70 | |
38 | Шайба 6 65Г 05 ГОСТ 6402-70 | Шайба 6 65Г 05 ГОСТ 6402-70 | |
39 | Винт М6х14.58.016 ГОСТ 17473-72 | Винт М6х14.58.016 ГОСТ 17473-72 | |
40 | Б78.40.014-2 | Кронштейн | |
41 | Б78.40.104-2 | Кронштейн | |
42 | Гайка М12х1,25.8.016 ГОСТ 5916-70 | Гайка М12х1,25.8.016 ГОСТ 5916-70 | |
43 | Болт М12.6gх30.58.016 ГОСТ 7796-70 | Болт М12.6gх30.58.016 ГОСТ 7796-70 |
Содержащиеся в справочниках-каталогах запасные части и детали не предлагаются к продаже, а носят исключительно информационный характер