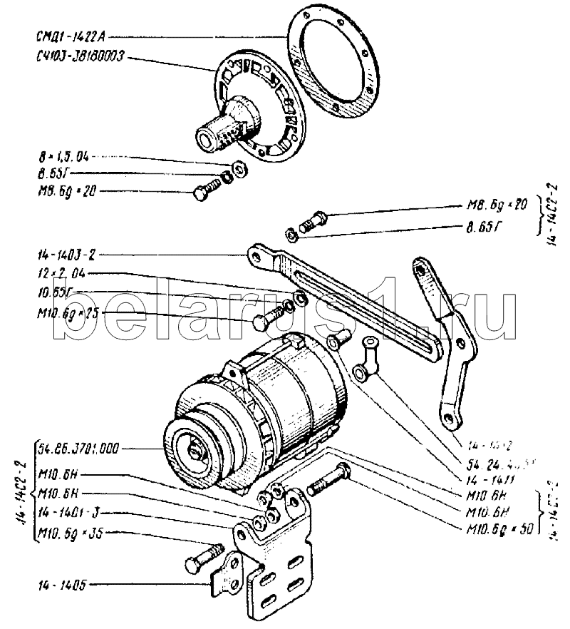
Каталог запасных частей к технике: ВгТЗ ДТ-75Н. Установка генератора и счетчика моточасов

М10.6gх25
8.65Г
8.65Г
12х2.04
10.65Г
14-1405
СЧ103-3818000Э
СМД1-1422А
14-1403-2
54.24.445Б
14-1411
14-1412
14-14С2-2
14-14С2-2
14-14С2-2
14-1401-3
54.86.3701.000
М10.6Н
М10.6Н
М10.6Н
М10.6Н
М8.6gх20
М8.6gх20
М10.6gх50
М10.6gх35
8х1,5.04
Позиция на иллюстрации | Заводской номер детали | Название детали | |
---|---|---|---|
М10.6gх25 | М10.6gх25 | Болт | |
8.65Г | 8.65Г | Шайба ГОСТ 6402-70 | |
12х2.04 | 12х2.04 | Шайба | |
10.65Г | 10.65Г | Шайба ГОСТ 6402-70 | |
14-1405 | 14-1405 | Шайба | |
СЧ103-3818000Э | СЧ103-3818000Э | Счетчик моточасов | |
СМД1-1422А | СМД1-1422А | Прокладка | |
14-1403-2 | 14-1403-2 | Натяжитель | |
54.24.445Б | 54.24.445Б | Наконечник изоляционный | |
14-1411 | 14-1411 | Наконечник изоляционный | |
14-1412 | 14-1412 | Кронштейн натяжителя | |
14-14С2-2 | 14-14С2-2 | Кронштейн генератора в сборе | |
14-1401-3 | 14-1401-3 | Кронштейн генератора | |
54.86.3701.000 | 54.86.3701.000 | Генератор | |
М10.6Н | М10.6Н | Гайка | |
М8.6gх20 | М8.6gх20 | Болт | |
М10.6gх50 | М10.6gх50 | Болт | |
М10.6gх35 | М10.6gх35 | Болт | |
8х1,5.04 | 8х1,5.04 | Шайба |
Содержащиеся в справочниках-каталогах запасные части и детали не предлагаются к продаже, а носят исключительно информационный характер