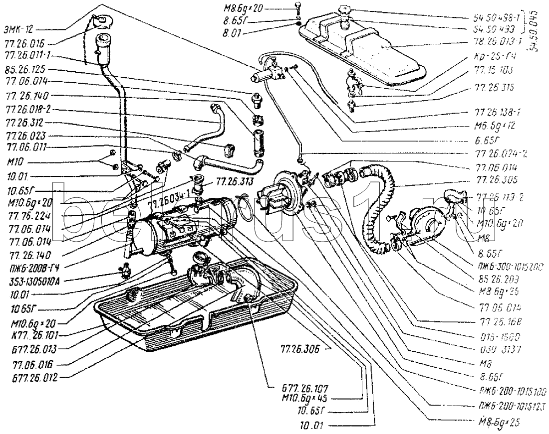
Каталог запасных частей к технике: ВгТЗ ДТ-75Н. Установка подогревателя ПЖБ-200

030-3137
78.26.224
85.26.209
77.26.034-1
77.26.011-1
77.26.018-2
78.86.023
78.26.024-2
77.26.312
015-1500
54.50.499
77.06.011
77.06.014
77.06.014
77.06.014
77.06.014
77.06.014
77.26.315
85.26.125
ПЖБ-200-1015123
77.26.305
77.26.313
77.26.140
77.26.140
10.01
10.01
10.01
8.01
10.65Г
10.65Г
10.65Г
10.65Г
8.65Г
8.65Г
8.65Г
6.65Г
77.15.103
77.26.016
М10
М8
М8
Б77.26.107
М6.6gх12
ПЖБ-200-1015200
М10.6gх45
М10.6gх20
М10.6gх20
М10.6gх20
М8.6gх25
М8.6gх25
М8.6gх20
77.26.138-1
ГЖБ-200-1015100
ЭМК-12
Б77.26.013
Б77.26.012
77.26.168
54.50.498-1
54.50.045
77.26.306
77.26.119-2
353-1305010А
КР-25
ПЖБ-200В-Г4
К77.26.101
78.26.019-1
Позиция на иллюстрации | Заводской номер детали | Название детали | |
---|---|---|---|
030-3137 | 030-3137 | Штуцер | |
78.26.224 | 78.26.224 | Хомут | |
85.26.209 | 85.26.209 | Хомут | |
77.26.034-1 | 77.26.034-1 | Хомут | |
77.26.011-1 | 77.26.011-1 | Трубка заливная | |
77.26.018-2 | 77.26.018-2 | Трубка | |
78.86.023 | 78.86.023 | Труба паровая | |
77.26.038 | 77.26.038 | Труба заливная | |
78.26.024-2 | 78.26.024-2 | Топливопровод | |
77.26.312 | 77.26.312 | Скоба | |
015-1500 | 015-1500 | Свеча накаливания СР65А | |
54.50.499 | 54.50.499 | Прокладка крышки бачка | |
77.06.011 | 77.06.011 | Хомутик стяжной | |
77.06.014 | 77.06.014 | Хомутик стяжной | |
77.26.315 | 77.26.315 | Штуцер | |
85.26.125 | 85.26.125 | Штуцер | |
ПЖБ-200-1015123 | ПЖБ-200-1015123 | Шнур асбестовый | |
77.26.305 | 77.26.305 | Шланг воздухоподводящий | |
77.26.313 | 77.26.313 | Шланг | |
77.26.140 | 77.26.140 | Шланг | |
10.01 | 10.01 | Шайба ГОСТ 11371-78 | |
8.01 | 8.01 | Шайба | |
10.65Г | 10.65Г | Шайба ГОСТ 6402-70 | |
8.65Г | 8.65Г | Шайба ГОСТ 6402-70 | |
6.65Г | 6.65Г | Шайба ГОСТ 6402-70 | |
77.15.103 | 77.15.103 | Прокладка | |
77.26.016 | 77.26.016 | Пробка | |
78.26.003 | 78.26.003 | Подогреватель ПЖБ-200 | |
М10 | М10 | Гайка ГОСТ 5915-70 | |
М8 | М8 | Гайка | |
Б77.26.107 | Б77.26.107 | Втулка | |
М6.6gх12 | М6.6gх12 | Винт | |
ПЖБ-200-1015200 | ПЖБ-200-1015200 | Вентилятор | |
М10.6gх45 | М10.6gх45 | Болт | |
М10.6gх30 | М10.6gх30 | Болт | |
М10.6gх20 | М10.6gх20 | Болт | |
М8.6gх25 | М8.6gх25 | Болт | |
М8.6gх20 | М8.6gх20 | Болт | |
77.26.138-1 | 77.26.138-1 | Бензопровод | |
ГЖБ-200-1015100 | ГЖБ-200-1015100 | Горелка подогревателя | |
ЭМК-12 | ЭМК-12 | Клапан электромагнитный | |
Б77.26.013 | Б77.26.013 | Патрубок промежуточный | |
Б77.26.012 | Б77.26.012 | Патрубок подводящий | |
77.26.168 | 77.26.168 | Патрубок | |
54.50.498-1 | 54.50.498-1 | Крышка горловины бачка | |
54.50.045 | 54.50.045 | Пробка бачка в сборе | |
77.26.306 | 77.26.306 | Кронштейн подогревателя | |
77.26.119-2 | 77.26.119-2 | Кронштейн вентилятора | |
353-1305010А | 353-1305010А | Кран пускового подогревателя | |
КР-25 | КР-25 | Кран | |
ПЖБ-200В-Г4 | ПЖБ-200В-Г4 | Котел подогревателя | |
К77.26.101 | К77.26.101 | Кожух поддона | |
78.26.019-1 | 78.26.019-1 | Бачок топливный |
Содержащиеся в справочниках-каталогах запасные части и детали не предлагаются к продаже, а носят исключительно информационный характер