Каталог запасных частей к технике: ВгТЗ ДТ-75В, ДТ-75БВ, ДТ75Н. Радиатор водяной

1
2
3
4
5
6
7
8
9
10
11
12
13
13
14
14
15
15
16
17
17
17
17
18
18
19
19
19
20
20
20
21
21
22
22
23
23
23
24
25
26
28
28
28
29
30
31
32
33
33
34
35
36
36
37
37
38
38
39
39
40
41
42
43
44
45
46
47
47
49
49
50
51
51
52
53
54
55
55
56
56
57
58
59
60
61
62
63
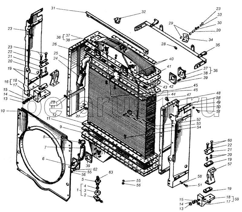
Позиция на иллюстрации | Заводской номер детали | Название детали | |
---|---|---|---|
77.13.004-1 | 77.13.004-1 | Радиатор водяной | |
85У.13.054 | 85У.13.054 | Стойка правая | |
1 | 85.13.046-3 | Кран | |
2 | 85.13.050 | Кран | |
3 | Н.036.01.005 | Гайка | |
4 | 85.13.417-2 | Основание крана | |
5 | 85.13.421 | Штуцер | |
6 | 77У.13.314-1 | Патрубок | |
7 | 78.13.119 | Шланг | |
8 | 77.06.015 | Хомутик | |
9 | 77У.13.055 | Бак радиатора нижний | |
10 | 77.13.045 | Кожух радиатора | |
11 | МО4У.13.118 | Прокладка баков | |
12 | МО4У.13.123 | Накладка внутренняя | |
13 | М18.6.016 | Гайка ГОСТ 5915-70 | |
14 | 18Т.65Г05 | Шайба ГОСТ 6402-70 | |
15 | 18.01 | Шайба ГОСТ 11371-68 | |
16 | 85.13.053 | Опора радиатора левая со шпильками | |
17 | М18.6gх45.10.9.40Х.019 | Шпилька ГОСТ 22032-76 | |
17 | М18.6gх45.10.9.40Х.019 | Шпилька ГОСТ 22032-76 | |
18 | 85.13.054 | Корпус опоры левой | |
19 | МО4.13.171 | Подушка | |
20 | МО413.169 | Втулка | |
21 | МО4.13.170 | Накладка | |
22 | МО4.13.178 | Пластина замковая | |
23 | М12.6gх55.88.019 | Болт ГОСТ 7796-70 | |
24 | 77.13.117 | Шланг | |
25 | 77У.13.310 | Патрубок верхнего бака | |
26 | 85У.13.053 | Стойка левая | |
27 | 85.13.042 | Стойка левая | |
28 | М12.6.016 | Гайка ГОСТ 5915-70 | |
29 | Т4.02.133-1 | Прокладка | |
30 | 12.01 | Шайба ГОСТ 11371-68 | |
31 | 85.13.044-1 | Кронштейн задний | |
32 | А21.01.270 | Заказать | Крышка тип I |
33 | 12.65Г.05 | Шайба ГОСТ 6402-70 | |
33 | 12.65Г.05 | Шайба ГОСТ 6402-70 | |
34 | 85.13.414 | Планка | |
35 | 85.13.043-2 | Кронштейн передний | |
36 | 85У.13.342 | Фланец в сборе | |
37 | МО4.13.109 | Фланец | |
38 | М8.6gх25.66.019 | Шпилька ГОСТ 22034-76 | |
39 | МО4.13.133 | Прокладка | |
40 | МО4У.13.122 | Накладка наружная | |
41 | МО4.13.121 | Накладка угловая | |
42 | 77У.13.050-1 | Бак радиатора верхний | |
43 | 85У.13.313 | Заглушка | |
44 | 85У.13.016 | Сердцевина водяного радиатора | |
45 | М8.6gх30 88.019 | Болт ГОСТ7796-70 | |
46 | 85.13.418-2 | Труба пароотводящая | |
47 | 85.13.420-А | Серьга крепления | |
49 | 85.13.041 | Стойка правая | |
50 | 10Т.65Г.05 | Шайба ГОСТ 6402-70 | |
51 | М10.6gх20.88.019 | Болт ГОСТ 7796-70 | |
52 | 85.26.131 | Скоба | |
53 | М8.6gх16.88.35.016 | Болт ГОСТ 7796-70 | |
54 | М8.6gх25.88.019 | Болт ГОСТ 7796-70 | |
55 | 8.65Г.05 | Шайба ГОСТ 6402-70 | |
55 | 8.65Г.05 | Шайба ГОСТ 6402-70 | |
56 | М8.6.016 | Гайка ГОСТ 5915-70 | |
57 | 85У.13.406 | Кронштейн | |
58 | 10.65Г 05 | Шайба ГОСТ 6402-70 | |
59 | 85.13.052 | Опора радиатора правая со шпильками | |
60 | М12.6gх60.38.019 | Болт ГОСТ 7796-70 | |
61 | 12Т65Г.05 | Шайба ГОСТ 6402-70 | |
62 | 8.01 | Шайба | |
63 | 85.13.431 | Кольцо уплотняющее |
Содержащиеся в справочниках-каталогах запасные части и детали не предлагаются к продаже, а носят исключительно информационный характер