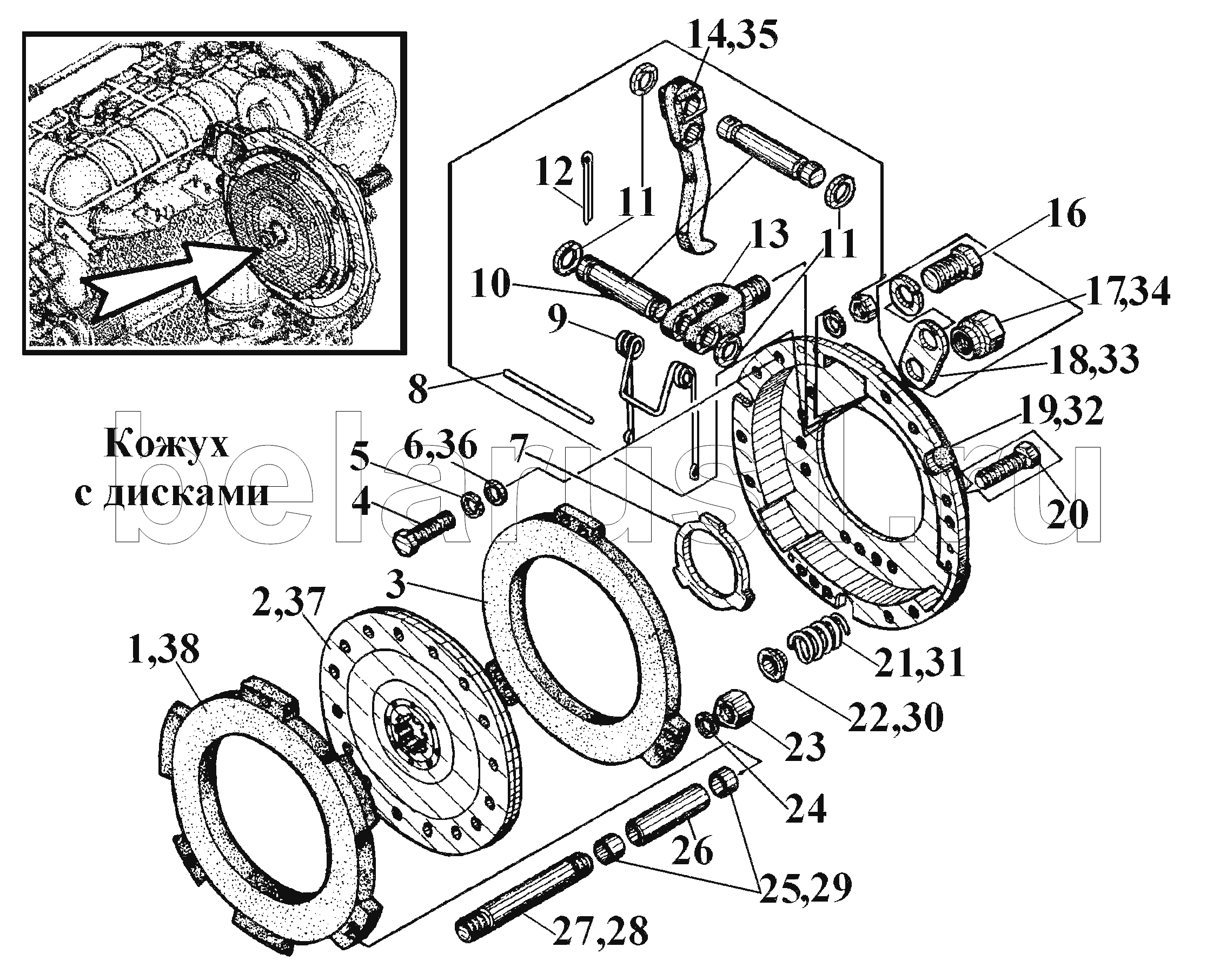
Каталог запасных частей к технике: ВгТЗ ВТ-100Д. Кожух с дисками

2
3
4
5
6
7
8
9
10
11
11
12
13
14
16
17
18
19
20
21
22
23
24
25
26
27
28
29
30
31
32
33
34
35
36
37
Позиция на иллюстрации | Заводской номер детали | Название детали | |
---|---|---|---|
А52.22.007-03 | А52.22.007-03 | Скоба | |
А52.22.005-03 | А52.22.005-03 | Ось | |
А52.22.003-13 | А52.22.003-13 | Вилка | |
А52.20.001-23 | А52.20.001-23 | Втулка | |
А 52.22.008-03 | А 52.22.008-03 | Кольца отжимное | |
А52.22.100-03 | А52.22.100-03 | Диск нажимной | |
А52.22.006-03 | А52.22.006-03 | Пружина рычага | |
2 | А52.21.000-70 | Заказать | Диск ведомый |
3 | А52.22.100 | Диск нажимной | |
4 | M8x30.58.019 | Болт | |
5 | 8.65Г.06 | Шайба | |
6 | А52.22.013 | Шайба балансировочная | |
7 | А52.22.008 | Кольцо отжимное | |
8 | А52.22.007 | Скоба | |
9 | А52.22.006 | Пружина рычага | |
10 | А52.22.005 | Ось рычага | |
11 | А52.22.015 | Шайба | |
12 | 3,2x20.0.019 | Шплинт | |
13 | А52.22.003-10 | Вилка | |
14 | А52.22.501 | Рычаг отжимной | |
16 | M8.6gx12.58.OI9 | Болт | |
17 | А52.22.004 | Гайка регулировочная | |
18 | А52.22.002 | Шайба стопорная | |
19 | А52.22.301 | Кожух | |
20 | M10x65.58 | Болт | |
21 | А52.22.009 | Пружина | |
22 | А52.22.011 | Подпятник | |
23 | М12-6Н. 6.019 | Гайка | |
24 | 12.65Г.06 | Шайба | |
25 | А52.22.012 | Кольцо | |
26 | A52.20.001-20 | Втулка | |
27 | А52.22.010-10 | Палеи установочный | |
28 | А52.22.010-13 | Палец установочный | |
29 | А52.22.012-03 | Втулка | |
30 | А52.22.011-03 | Подпятник | |
31 | А52.22.009-03 | Пружина | |
32 | А52.22.301-03 | Кожух | |
33 | А52.22.002-03 | Шайба стопорная | |
34 | А52.22.004-03 | Гайка регулировочная | |
35 | А52.22.501-03 | Рычаг отжимной | |
36 | А52.22.013-03 | Шайба балансировочная | |
37 | А52.21.000-73 | Диск ведомый |
Содержащиеся в справочниках-каталогах запасные части и детали не предлагаются к продаже, а носят исключительно информационный характер