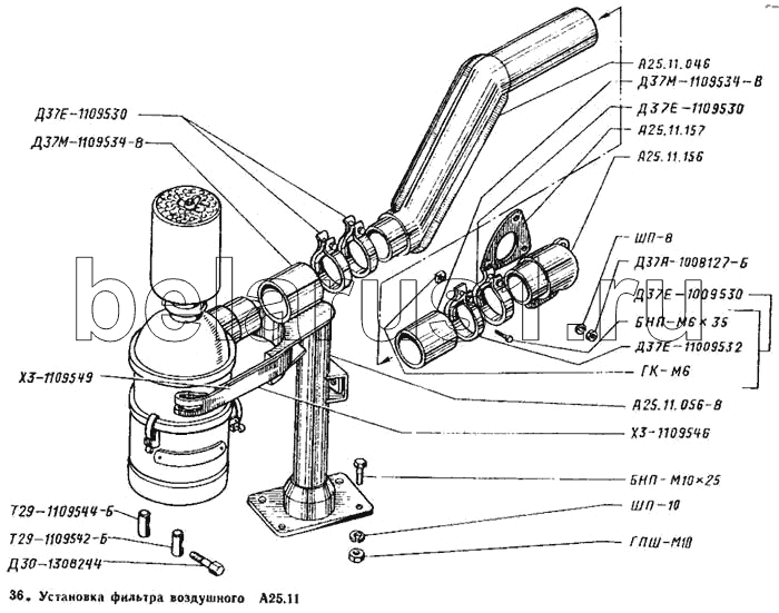
Каталог запасных частей к технике: ВТЗ Т-25А. Установка фильтра воздушного

БНП-М10Х25
ШП-10
Д37Е-1109530
Д37Е-1109530
Д37Е-1109530
ХЗ-1109546
Д37Е-1109532
А25.11.046
А25.11.056-В
ХЗ-1109549
А25.11.157
А25.11.156
Т29-1109544-Б
Т29-1109542-Б
Д37М-1109534-В
Д37М-1109534-В
Д37А-1008127-Б
ГПШ-М10
ГК-М6
Д30-1308244
БНП-М6Х35
ШП-8
Позиция на иллюстрации | Заводской номер детали | Название детали | |
---|---|---|---|
БНП-М10Х25 | БНП-М10Х25 | Болт | |
ШП-10 | ШП-10 | Шайба | |
Д37Е-1109530 | Д37Е-1109530 | Хомут в сборе | |
ХЗ-1109546 | ХЗ-1109546 | Хомут | |
Д37Е-1109532 | Д37Е-1109532 | Хомут | |
А25.11.046 | А25.11.046 | Трубопровод в сборе | |
А25.11.056-В | А25.11.056-В | Стойка в сборе | |
ХЗ-1109549 | ХЗ-1109549 | Прокладка | |
А25.11.157 | А25.11.157 | Прокладка | |
А25.11.156 | А25.11.156 | Патрубок | |
Т29-1109544-Б | Т29-1109544-Б | Палец резьбовой | |
Т29-1109542-Б | Т29-1109542-Б | Палец подвижный | |
Д37М-1109534-В | Д37М-1109534-В | Муфта | |
Д37А-1008127-Б | Д37А-1008127-Б | Гайка | |
ГПШ-М10 | ГПШ-М10 | Гайка | |
ГК-М6 | ГК-М6 | Гайка | |
Д30-1308244 | Д30-1308244 | Винт | |
БНП-М6Х35 | БНП-М6Х35 | Болт | |
ШП-8 | ШП-8 | Шайба |
Содержащиеся в справочниках-каталогах запасные части и детали не предлагаются к продаже, а носят исключительно информационный характер