Каталог запасных частей к технике: ВТЗ Т-30A-80. Мост передний

1
1
1
1
2
3
4
5
6
7
8
9
10
11
12
13
14
15
15
16
17
17
18
18
19
20
20
21
22
23
24
25
26
27
28
29
30
31
32
33
34
35
36
37
38
39
39
40
40
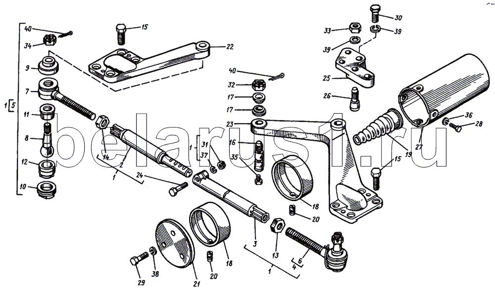
Позиция на иллюстрации | Заводской номер детали | Название детали | |
---|---|---|---|
1 | Т25Б.31.018 | Тяга поперечная | |
2 | Т25Б.31.041 | Труба | |
3 | Т25Б.31.042 | Труба | |
4 | A35.32.000A | Шарнир | |
5 | A35.32.000A-01 | Шарнир | |
6 | A35.32.001 | Корпус | |
7 | A35.32.001-01 | Корпус | |
8 | A35.32.002A | Палец шаровой | |
9 | А35.32.005Б | Чехол | |
10 | A35.32.006 | Пробка | |
11 | A35.32.007 | Вкладыш | |
12 | A35.32.008 | Вкладыш | |
13 | A35.32.012 | Контргайка | |
14 | A35.32.012-01 | Контргайка | |
15 | T35A-3414032 | Болт | |
16 | T35A-3414044 | Палец | |
17 | T35A-3414045 | Втулка | |
18 | Т25Б.30.102 | Втулка | |
19 | Т25Б-2203122 | Чехол | |
20 | Т25Б.31.137 | Фиксатор | |
21 | Т25Б.31.138 | Шайба | |
22 | Т25Б.31.146 | Рычаг правый | |
23 | Т25Б.31.147 | Рычаг левый | |
24 | 7.31.150-1 | Болт | |
25 | Т25Б.30.151 | Кронштейн | |
26 | Т25Б.31.153 | Болт | |
27 | Т25Б.31.201 | Кожух | |
28 | 4M8.6gx18.88.35.019 | Болт | |
29 | 4M14.6gx40.88.35.019 | Болт | |
30 | 4M16.6gx35.88.35.019 | Болт | |
31 | М10.6Н.6.019 | Гайка | |
32 | M16x1,5.6H.8.40.019 | Гайка | |
33 | M16x1,5.6H.8.40.019 | Гайка | |
34 | M18x1,5.6H.6.019 | Гайка | |
35 | 1.3.01.01 | Масленка | |
36 | 8Т.65Г.06 | Шайба | |
37 | 10.ОТ.65Г.06 | Шайба | |
38 | 14.ОТ.65Г.06 | Шайба | |
39 | 16.ОТ.65Г.06 | Шайба | |
40 | 4x32.019 | Шплинт |
Содержащиеся в справочниках-каталогах запасные части и детали не предлагаются к продаже, а носят исключительно информационный характер