Каталог запасных частей к технике: ЮМЗ-6КЛ, (6КМ). Компрессор

1
1
2
2
3
3
4
5
6
6
7
8
8
9
10
11
12
12
13
14
14
15
15
16
16
17
18
19
20
21
22
22
23
23
24
25
26
26
27
28
29
29
30
30
31
32
32
32
32
33
33
34
35
36
37
38
39
40
41
42
43
44
45
46
46
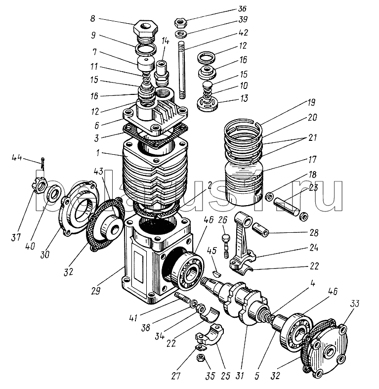
Позиция на иллюстрации | Заводской номер детали | Название детали | |
---|---|---|---|
А29.01.100 | А29.01.100 | Поршень и шатун | |
А29.01.150 | А29.01.150 | Шатун | |
А29.01.050-02 | А29.01.050-02 | Головка цилиндра | |
А29.03.010 | А29.03.010 | Картер со шпильками | |
А29.01.110 | А29.01.110 | Комплект поршневых колец | |
А29.03.000-01 | А29.03.000-01 | Компрессор | |
А29.03.000-02 | А29.03.000-02 | Компрессор | |
А29.03.020 | А29.03.020 | Крышка | |
А29.01.050-01 | А29.01.050-01 | Головка цилиндра | |
1 | А29.01.002-01 | Цилиндр | |
1 | А29.01.002-02 | Цилиндр | |
2 | А29.01.006-01 | Прокладка цилиндра | |
2 | А29.01.006 | Прокладка цилиндра | |
3 | А29.01.008-01 | Прокладка головки | |
3 | А29.01.008 | Прокладка головки | |
4 | А29.01.013А | Пружина | |
5 | А29.01.014А | Уплотнитель | |
6 | А29.01.051-01 | Головка цилиндра | |
6 | А29.01.051-02 | Головка цилиндра | |
7 | А29.01.052 | Корпус клапана | |
8 | А29.01.053-01 | Пробка | |
8 | А29.01.053-02 | Пробка | |
9 | А29.01.054 | Прокладка | |
10 | А29.01.055-01 | Пружина | |
11 | А29.01.056-01 | Пружина | |
12 | А29.01.057 | Прокладка | |
13 | А29.01.058 | Корпус | |
14 | А29.01.059-01 | Штуцер | |
14 | А29.01.059-02 | Штуцер | |
15 | А29.01.061 | Клапан | |
16 | А29.01.062 | Седло клапана | |
17 | А29.01.101 | Поршень | |
18 | А29.01.102 | Кольцо стопорное | |
19 | А29.01.103 | Кольцо компрессионное | |
20 | А29.01.104 | Кольцо компрессионное | |
21 | А29.01.105 | Кольцо маслосъемное | |
22 | А29.01.106 | Вкладыш шатуна | |
23 | А29.01.107 | Палец поршневой | |
23 | А29.01.120 | Палец поршневой | |
24 | А29.01.151 | Шатун | |
25 | А29.01.152 | Крышка | |
26 | А29.01.153 | Болт | |
26 | А29.01.160 | Болт | |
27 | А29.01.154 | Шайба | |
28 | А29.01.155 | Втулка | |
29 | А29.03.001-02 | Картер | |
29 | А29.03.001-01 | Картер | |
30 | А29.03.003-01 | Крышка передняя | |
30 | А29.03.003-02 | Крышка передняя | |
31 | А29.03.004 | Вал коленчатый | |
32 | А29.03.009 | Прокладка | |
32 | А29.03.009-01 | Прокладка | |
33 | А29.03.012-01 | Крышка задняя | |
33 | А29.03.012-02 | Крышка задняя | |
34 | М8.5915 | Гайка | |
35 | М8х1.15521 | Гайка | |
36 | М8х1,5.15524 | Гайка | |
37 | М14х1,5.5933 | Гайка | |
38 | 8.65Г | Шайба | |
39 | 8.04 | Шайба | |
40 | 14.05 | Шайба | |
41 | М8х(То/1,25)х18 | Шпилька | |
42 | М8х(1,25То/1,0)х95 | Шпилька | |
43 | 2-24х40-4 | Манжета | |
44 | 3,2х25 | Шплинт | |
45 | 5х7,5 | Шпонка | |
46 | 207 | Заказать | Подшипник |
Содержащиеся в справочниках-каталогах запасные части и детали не предлагаются к продаже, а носят исключительно информационный характер