Каталог запасных частей к технике: ЮМЗ-6КЛ, (6КМ). Коробка передач

1
2
3
4
5
6
7
8
9
10
10
11
12
13
14
15
16
16
17
18
19
20
21
22
23
24
25
26
27
28
29
30
31
32
33
34
35
36
37
38
39
40
41
42
43
44
45
45
46
47
48
49
50
51
52
53
54
55
56
57
58
59
60
61
62
63
64
65
66
67
68
69
70
71
72
73
74
74
75
76
77
78
79
80
81
82
83
84
85
85
85
86
86
87
88
89
90
91
92
93
94
95
96
97
98
99
100
101
102
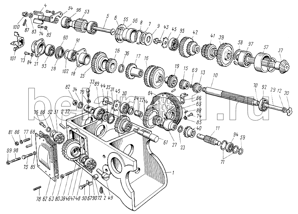
Позиция на иллюстрации | Заводской номер детали | Название детали | |
---|---|---|---|
40-1701025-Б | 40-1701025-Б | Вал | |
40-1701056 | 40-1701056 | Шестерня промежуточная | |
40-1701140-03 | 40-1701140-03 | Шестерня | |
40-1701070 | 40-1701070 | Стакан подшипника | |
40-1701020-Б | 40-1701020-Б | Редуктор | |
40-1701030 | 40-1701030 | Кронштейн | |
45-1701048-01 | 45-1701048-01 | Вал с втулкой | |
36-1701072 | 36-1701072 | Вал | |
36-1701080 | 36-1701080 | Шестерня | |
1 | 40-1701015-Б | Корпус | |
2 | А61-С18-А-01 | Пробка | |
3 | 36-1701019 | Штифт установочный | |
4 | 36-1701030-В | Вал первичный | |
5 | 36-1701031 | Болт стяжкой | |
6 | 40-1701035 | Стакан передний | |
7 | 40-1701036-А | Кольцо пружинное | |
8 | 36-1701037-А | Кольцо стопорное | |
9 | 40-1701038 | Кольцо упорное | |
10 | 40-1701047 | Вал промежуточный | |
10 | 40-1701047-Б | Вал промежуточный | |
11 | 40-1701049-А | Вал редуктора | |
12 | 36-1701050-Б | Втулка | |
13 | 40-1701051 | Шестерня заднего хода ведущая | |
14 | 40-1701052-А | Шестерня редуктора ведомая | |
15 | 40-1701054 | Шестерня первой передачи ведущая | |
16 | 40-1701055 | Шестерня четвертой и пятой передач ведущая | |
16 | 40-1701055-01 | Шестерня 4-й и 5-й передач | |
17 | 40-1701057 | Шестерня второй передачи ведущая | |
18 | 40-1701058 | Гнездо переднего подшипника | |
19 | 40-1701059 | Шестерня третьей передачи ведущая | |
20 | 36-1701060-А | Гайка круглая | |
21 | 40-1701062 | Стакан подшипника | |
22 | 45-1701063 | Втулка | |
23 | 40-1701065-А | Кольцо пружинное | |
24 | 40-1701066 | Шайба упорная | |
25 | 40-1701067 | Шестерня | |
26 | 40-1701068 | Втулка свертная | |
27 | 40-1701069-А | Муфта зубчатая | |
28 | 36-1701012 | Кольцо | |
29 | 36-1701073 | Вал | |
30 | 36-1701082 | Шестерня заднего хода паразитная | |
31 | 36-1701083 | Кольцо подшипника упорное | |
32 | 36-1701084-А | Втулка | |
33 | 36-1701085 | Винт установочный | |
34 | 36-1701086 | Шайба замковая | |
35 | 45-1701087 | Втулка | |
36 | 40-1701088 | Кольцо упорное | |
37 | 40-1701105 | Вал вторичный | |
38 | 36-1701106-01 | Винт | |
39 | 36-1701112-А2 | Шестерня первой передачи и заднего хода скользящая | |
40 | 40-1701115-Б1 | Шестерня | |
41 | 40-1701116-А1 | Шестерня 3-й и 5-й передач | |
42 | 40-1701117-А | Шестерня 2-й и 4-й передач | |
43 | 36-1701118 | Болт вторичного вала | |
44 | 36-1701118-А | Болт специальный | |
45 | 36-1701119 | Шайба отгибная | |
46 | 40-1701146-А | Шестерня паразитная | |
47 | 36-1701147 | Кольцо подшипника упорное | |
48 | 36-1701148 | Втулка распорная | |
49 | 36-1701150-А | Ось паразитной шестерни | |
50 | 36-1701151 | Болт оси стопорный | |
51 | 45-1701153 | Втулка | |
52 | 36-1701154 | Шайба | |
53 | 40-1701324 | Шестерки постоянного зацепления ведущая | |
54 | 40-1701331 | Пластина поджимная | |
55 | 36-1701376 | Прокладка регулировочная | |
56 | 36-1701377 | Прокладка регулировочная | |
57 | 36-1701398 | Стакан заднего подшипника | |
58 | 36-1701399-А | Кольцо упорное | |
59 | 40-1701421-А | Кольцо пружинное | |
60 | 45-1701423 | Кольцо | |
61 | 36-1701434 | Ось паразитной шестерни заднего хода | |
62 | 45-1701454 | Крышка | |
63 | 36-1701455-02 | Прокладка | |
64 | 40-1701456-А | Кронштейн редуктора | |
65 | 40-1701458-02 | Прокладка | |
66 | 45Т-1101007-А1-01 | Кронштейн | |
67 | 36-2403029 | Шайба замковая | |
68 | Д01-015 | Заказать | Штифт установочный |
69 | Д25-079 | Кольцо стопорное | |
70 | 36-3401087-Б | Втулка | |
71 | 36-4202035-А | Кольцо пружинное | |
72 | 36-3503016-Б | Втулка | |
73 | М10х35.7796 | Болт | |
74 | М12х35.7796 | Болт | |
75 | М12х60.7795 | Болт | |
76 | М14х40.7796 | Болт | |
77 | М14х(2-2r/1,5)х45 | Шпилька | |
78 | М14х(2-2r/1,5)х50 | Шпилька | |
79 | М12.5915 | Гайка | |
80 | М14.5915 | Гайка | |
81 | М14х1,5.5915 | Гайка | |
82 | М24х2.5915 | Гайка | |
83 | 14.02 | Шайба | |
84 | 10.65Г | Шайба | |
85 | 12.65Г | Шайба | |
86 | 14.65Г | Шайба | |
87 | 3,2х20 | Шплинт | |
88 | КГ3/8".М8 | Пробка | |
89 | 206 | Заказать Заказать | Подшипник |
90 | 208 | Заказать Заказать | Шарикоподшипник |
91 | 211 | Заказать Заказать | Шарикоподшипник |
92 | 212 | Заказать Заказать | Шарикоподшипник |
93 | 307 | Заказать Заказать Заказать | Шарикоподшипник |
94 | 308 | Заказать Заказать | Шарикоподшипник |
95 | 50408 | Заказать | Шарикоподшипник |
96 | 42212КМ | Роликоподшипник | |
97 | 2612КМ | Роликоподшипник | |
98 | М12х(1,75-2r/1,25)х48 | Шпилька | |
99 | М12х1,25.5915 | Гайка | |
100 | М14х1,5.5918 | Гайка | |
101 | 45-1701011-Б | Крыльчатка | |
102 | 45-1701043 | Кольцо |
Содержащиеся в справочниках-каталогах запасные части и детали не предлагаются к продаже, а носят исключительно информационный характер