Каталог запасных частей к технике: ЮМЗ-6Л. Блок цилиндров

1
2
3
4
5
6
7
8
9
10
10
11
12
13
13
14
15
16
17
18
19
20
21
22
23
24
25
26
27
28
29
30
31
32
33
34
35
36
37
38
39
40
41
42
43
44
44
45
45
46
47
48
49
50
51
52
53
54
54
55
55
56
57
57
58
59
60
61
62
63
64
65
66
67
68
69
70
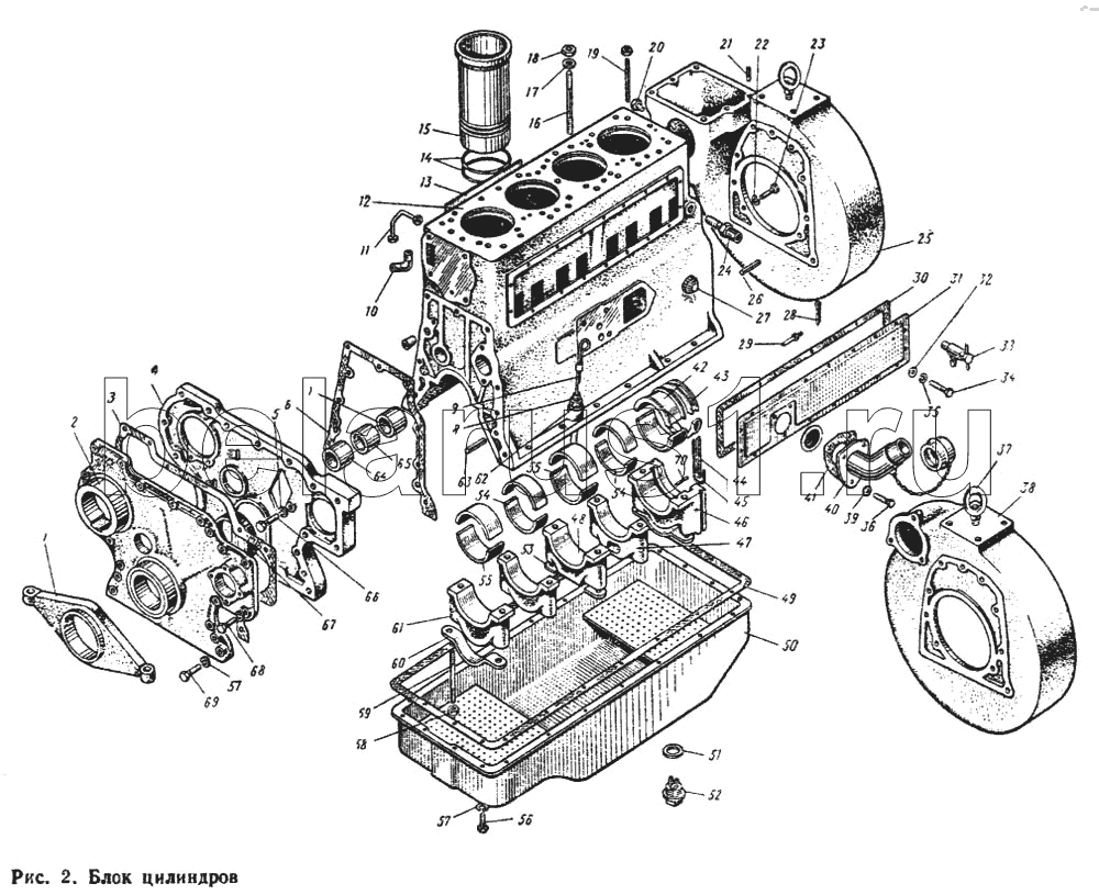
Позиция на иллюстрации | Заводской номер детали | Название детали | |
---|---|---|---|
Д65-01-С01 СБ | Д65-01-С01 СБ | Блок цилиндров в сборе | |
36-1002310-В1 СБ | 36-1002310-В1 СБ | Картер маховика в сборе | |
36-1002310-Б1 СБ | 36-1002310-Б1 СБ | Картер маховика в сборе | |
Д65-01-С01-А-Т СБ | Д65-01-С01-А-Т СБ | Блок цилиндров с гильзами в сборе | |
Д63-01-С01-А-Т СБ | Д63-01-С01-А-Т СБ | Блок цилиндров с гильзами в сборе | |
Д65-1002009 СБ | Д65-1002009 СБ | Блок цилиндров и картер | |
Д65-1002009 СБ | Д65-1002009 СБ | Блок цилиндров и картер | |
Д65-01-С94 | Д65-01-С94 | Блок цилиндров в сборе | |
Д65-01-С01-Б СБ | Д65-01-С01-Б СБ | Блок цилиндров в сборе | |
1 | 36-1001015-А зам | Опора двигателя передняя | |
2 | Д65-01-С02 СБ | Крышка распределительных шестерен передняя в сборе | |
3 | 36-1002064А | Прокладка передней крышки | |
4 | 36-1002030-А | Щит распределительных шестерен передний | |
5 | А37-360 | Шайба стопорная | |
6 | Д01-036-А | Прокладка среднего щита | |
7 | Д01-012-А | Втулка распределительного вала задняя | |
8 | 36-1009060-Б СБ | Трубка масломера в сборе | |
9 | 36-1009052-В СБ | Стержень масломера в сборе | |
10 | Д01-071 | Угольник конечный | |
10 | Д01-071 | Угольник конечный | |
11 | Д01-С22-А1 СБ | Трубка масляная в сборе | |
12 | Д65-01-001-А | Блок цилиндров | |
13 | Д65-1002317-М | Табличка двигателя фирменная | |
13 | Д65-1002317-Н1 | Табличка двигателя фирменная | |
14 | 50-1002022 | Заказать Заказать | Кольцо гильзы уплотнительное |
15 | 50-1002021 | Гильза цилиндра | |
16 | 36-1002035 | Шпилька | |
17 | 48-1002318 | Заказать | Шайба |
18 | Д65-01-037 | Гайка | |
19 | Д65-01-017 | Шпилька | |
20 | Пробка КГ 1/4" | Пробка КГ 1/4" | |
21 | Штифт 10Х22 | Штифт 10Х22 | |
22 | Шайба 12 | Шайба 12 | |
23 | Болт М12Х35 | Болт М12Х35 | |
24 | Д48-01-32 | Переходник | |
25 | 36-1002312-В2 | Картер маховика | |
26 | Д01-015 | Заказать | Штифт установочный |
27 | Д48-01-8 | Заглушка | |
28 | Шплинт 3Х36 | Шплинт 3Х36 | |
29 | Д01-086 | Болт фиксирующий | |
30 | Д01-033-А | Прокладка крышки блока цилиндров | |
31 | 48-1002250 СБ | Крышка блока цилиндров в сборе | |
32 | Шайба 8 | Шайба 8 | |
33 | КР31-1305000 | Кран Кр 1 1/4" | |
34 | Болт М8Х16 | Болт М8Х16 | |
35 | Шайба 8 | Шайба 8 | |
36 | Болт М8Х20 | Болт М8Х20 | |
37 | Д01-093 | Ушко такелажное | |
38 | 36-1002312-Г3 | Картер маховика | |
39 | 36-1002253 | Шайба | |
40 | 48-1002260-М СБ | Маслозаливная горловина в сборе | |
41 | 48-1002268 | Прокладка маслозаливной горловины | |
42 | Д01-С39-А | Вкладыш пятого коренного подшипника | |
43 | Д65-01-030-А | Вкладыш | |
44 | Д65-01-031 | Вставка уплотнения | |
44 | Д65-01-031 | Вставка уплотнения | |
45 | 36-1005157 | Шнур | |
45 | 36-1005157 | Шнур | |
46 | Д01-024-М | Крышка пятого коренного подшипника | |
47 | Д01-029-М | Крышка второго и четвертого коренных подшипников | |
48 | Д01-023-М | Крышка третьего коренного подшипника | |
49 | Д01-097-Б | Прокладка масляного картера | |
50 | 36-1009010-А СБ | Картер масляный в сборе | |
51 | 36-1009202 | Кольцо уплотнительное | |
52 | 36-1009200 СБ | Пробка магнитная в сборе | |
53 | Д01-125 | Шайба стопорная | |
54 | Д01-С38-А | Вкладыш второго и четвертого коренных подшипников | |
55 | Вкладыш первого и третьего коренных подш | Вкладыш первого и третьего коренных подшипников | |
56 | Болт М10Х22 | Болт М10Х22 | |
57 | Шайба 10 | Шайба 10 | |
58 | Д65-01-019 | Гайка | |
59 | Д01-006-А | Шпилька | |
60 | Д01-124 | Пластина стопорная | |
61 | Д01-022-М | Крышка первого коренного подшипника | |
62 | Д09-038-А | Прокладка | |
63 | Д01-014 | Штифт установочный | |
64 | Д01-008-А1 | Втулка распределительного вала передняя | |
65 | Д01-010-А | Втулка распределительного вала средняя | |
66 | Болт М10Х25 | Болт М10Х25 | |
67 | КФ-65-90-14 | Уплотнение резиновое | |
68 | Болт М10Х40 | Болт М10Х40 | |
69 | Болт М10Х75 | Болт М10Х75 | |
70 | Д01-С37-А | Штифт 4С3Х10 |
Содержащиеся в справочниках-каталогах запасные части и детали не предлагаются к продаже, а носят исключительно информационный характер