Каталог запасных частей к технике: ЮМЗ-6Л. Гидроагрегаты и арматура навесной системы

1
1
2
2
3
3
3
3
4
4
4
4
5
5
6
6
7
8
8
9
9
10
10
11
11
12
12
13
13
14
14
15
15
16
16
16
16
16
16
16
16
16
16
17
17
18
18
19
19
19
19
20
20
20
20
20
20
20
21
21
22
22
23
23
24
24
25
25
26
26
26
26
27
27
27
27
27
28
28
29
29
30
30
31
31
32
33
34
35
36
37
38
39
39
40
40
41
41
42
42
43
44
44
45
45
46
46
47
47
48
48
49
49
50
50
51
51
51
51
52
52
53
54
55
55
56
56
57
57
58
59
60
60
60
61
62
63
64
65
66
67
68
69
69
70
70
71
71
72
72
72
72
73
73
74
74
75
75
76
76
77
78
78
79
79
80
81
82
82
83
83
84
84
84
85
85
85
86
86
87
87
88
88
89
90
90
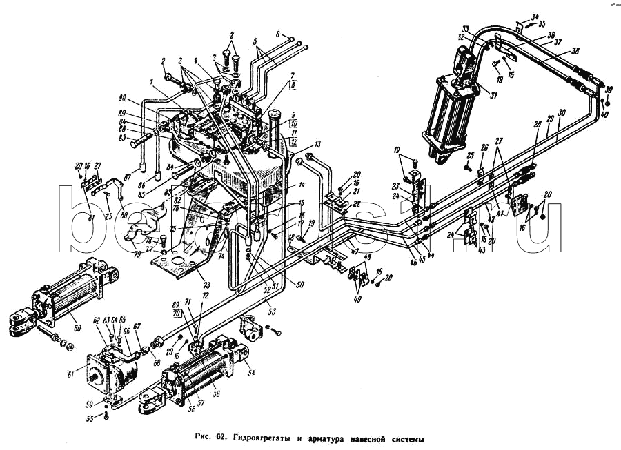
Позиция на иллюстрации | Заводской номер детали | Название детали | |
---|---|---|---|
45-4607200 СБ | 45-4607200 СБ | Бак масляный с распределителем | |
40-4607065-А СБ | 40-4607065-А СБ | Шланг сцепки | |
Н.036.55.000-А | Н.036.55.000-А | Устройство запорное | |
Н.036.55.000-А | Н.036.55.000-А | Устройство запорное | |
45-4607180 СБ | 45-4607180 СБ | Рукав с кронштейном | |
45-4607180 СБ | 45-4607180 СБ | Рукав с кронштейном | |
45-4607180 СБ | 45-4607180 СБ | Рукав с кронштейном | |
45-4607180 СБ | 45-4607180 СБ | Рукав с кронштейном | |
45А-4607010 СБ | 45А-4607010 СБ | Раздельно-агрегатная гидросистема трактора | |
45-4607010 СБ | 45-4607010 СБ | Раздельно-агрегатная гидросистема трактора | |
45А-4607200 СБ | 45А-4607200 СБ | Бак масляный с распределителем | |
45-4607200 СБ | 45-4607200 СБ | Бак масляный с распределителем | |
45А-4607200 СБ | 45А-4607200 СБ | Бак масляный с распределителем | |
45А-4605010 СБ | 45А-4605010 СБ | Механизм задней навески | |
45А-4605010 СБ | 45А-4605010 СБ | Механизм задней навески | |
45-4607020 СБ | 45-4607020 СБ | Насос с маслопроводом | |
45-4607020 СБ | 45-4607020 СБ | Насос с маслопроводом | |
1 | Р75-23-001 | Распределитель в сборе | |
1 | Р75-23-001 | Распределитель в сборе | |
2 | 40-4607051 | Заказать | Болт зажимной |
2 | 40-4607051 | Заказать | Болт зажимной |
3 | 40-4607038 | Шайба | |
3 | 40-4607038 | Шайба | |
3 | 40-4607038 | Шайба | |
3 | 40-4607038 | Шайба | |
4 | 40-4607032 | Заказать | Болт зажимной |
4 | 40-4607032 | Заказать | Болт зажимной |
4 | 40-4607051 | Заказать | Болт зажимной |
4 | 40-4607051 | Заказать | Болт зажимной |
5 | 40-4607021-Б | Рычаг управления | |
5 | 40-4607021-Б | Рычаг управления | |
6 | 50-4607107 | Рукоятка | |
6 | 50-4607107 | Рукоятка | |
7 | 40-4607068 | Кольцо уплотнительное | |
8 | Н.036.04.003 | Штуцер ввертной | |
8 | Н.036.04.003 | Штуцер ввертной | |
9 | 40-4607072 | Кольцо уплотнительное | |
9 | 40-4607072 | Кольцо уплотнительное | |
10 | Н.036.04.011 | Заказать | Штуцер ввертной |
10 | Н.036.04.011 | Заказать | Штуцер ввертной |
11 | Болт М8Х12 | Болт М8Х12 | |
11 | Болт М8Х12 | Болт М8Х12 | |
12 | 40-4607062 | Кронштейн | |
12 | 40-4607062 | Кронштейн | |
13 | 45-4608010 СБ | Бак масляный | |
13 | 45А-4608010 СБ | Бак масляный | |
14 | 45-4607365 СБ | Труба левого цилиндра | |
14 | 45-4607315 СБ | Труба левого цилиндра | |
15 | 45-4607310 СБ | Груба левого цилиндра | |
15 | 45-4607360 СБ | Труба левого цилиндра | |
16 | Шайба 8 | Шайба 8 | |
16 | Шайба 8 | Шайба 8 | |
16 | Шайба 8 | Шайба 8 | |
16 | Шайба 8 | Шайба 8 | |
17 | Болт М3Х30 | Болт М3Х30 | |
17 | Болт М3Х30 | Болт М3Х30 | |
18 | 45-4607205 СБ | Кронштейн | |
18 | 45-4607205 СБ | Кронштейн | |
19 | Болт М8Х16 | Болт М8Х16 | |
19 | Болт М8Х16 | Болт М8Х16 | |
20 | Гайка М8 | Гайка М8 | |
20 | Гайка М8 | Гайка М8 | |
20 | Гайка М8 | Гайка М8 | |
20 | Гайка М8 | Гайка М8 | |
21 | 45-4607208 | Планка | |
21 | 45-4607208 | Планка | |
22 | 45-4607211 | Прокладка | |
22 | 45-4607211 | Прокладка | |
23 | 45-4607375 СБ | Кронштейн | |
23 | 45-4607375 СБ | Кронштейн | |
24 | 45-4607186 | Прокладка | |
24 | 45-4607186 | Прокладка | |
25 | Болт М8Х25 | Болт М8Х25 | |
26 | 40-4607029 | Планка крепления маслопроводов | |
26 | 40-4607029 | Планка крепления маслопроводов | |
26 | 40-4607029 | Планка крепления маслопроводов | |
26 | 40-4607029 | Планка крепления маслопроводов | |
27 | 40-4607019 | Прокладка | |
27 | 40-4607019 | Прокладка | |
27 | 40-4607019 | Прокладка | |
27 | 40-4607019 | Прокладка | |
28 | Н.036.55.000 | Заказать | Устройство запорное |
28 | Н.036.55.000 | Заказать | Устройство запорное |
29 | 45-4607285 СБ | Труба основного цилиндра | |
29 | 45-4607285 СБ | Труба основного цилиндра | |
30 | 45-4607290 СБ | Труба основного цилиндра | |
30 | 45-4607290 СБ | Труба основного цилиндра | |
31 | Н.036.60.030 | Клапан замедлительный | |
31 | Н.036.60.030 | Клапан замедлительный | |
32 | Гайка М10 | Гайка М10 | |
33 | Шайба 10 | Шайба 10 | |
34 | 40-4603056-Б | Планка крепления рукавов | |
35 | Болт М10Х30 | Болт М10Х30 | |
36 | 40-4607124-Б | Кронштейн | |
37 | Н.036.83.080 СБ | Рукав высокого давления диаметром 12 мм | |
38 | Н.036.83.070 СБ | Рукав высокого давления диаметром 12 мм | |
39 | Гайка М14 | Гайка М14 | |
39 | Гайка М14 | Гайка М14 | |
40 | Шайба 14 | Шайба 14 | |
40 | Шайба 14 | Шайба 14 | |
41 | 45-4607345 СБ | Труба верхняя | |
41 | 45-4607345 СБ | Труба верхняя | |
42 | 45-4607340 СБ | Труба нижняя | |
42 | 45-4607340 СБ | Труба нижняя | |
43 | 45-4607187 | Планка крепления маслопроводов | |
44 | 45-4607015 СБ | Труба промежуточная | |
44 | 45-4607015 СБ | Труба промежуточная | |
45 | 45-4607325 СБ | Труба промежуточная | |
45 | 45-4607355 СБ | Труба промежуточная | |
46 | 45-4607320 СБ | Труба промежуточная | |
46 | 45-4607350 СБ | Труба промежуточная | |
47 | 45-4607014 СБ | Труба промежуточная | |
47 | 45-4607014 СБ | Труба промежуточная | |
48 | 45-4607207 | Скоба | |
48 | 45-4607207 | Скоба | |
49 | 45-4607209 | Прокладка | |
49 | 45-4607209 | Прокладка | |
50 | 404607013-Б СБ | Труба всасывающая | |
50 | 404607013-Б СБ | Труба всасывающая | |
51 | Н.036.14.010 | Шайба | |
51 | Н.036.14.010 | Шайба | |
51 | Н.036.14.010 | Шайба | |
51 | Н.036.14.010 | Шайба | |
52 | 45-4606121 | Заглушка | |
52 | 45-4606121 | Заглушка | |
53 | 40-4607012-Б1 СБ | Маслопровод нагнетательный | |
54 | Ц75-1111001-А СБ | Цилиндр | |
55 | Болт М8Х30 | Болт М8Х30 | |
55 | Болт М8Х30 | Болт М8Х30 | |
56 | 40-4606382 | Кронштейн | |
56 | 40-4606382 | Кронштейн | |
57 | Н.036.12.010 | Заглушка | |
57 | Н.036.12.010 | Заглушка | |
58 | Н.036.60.020 | Клапан замедлительный | |
59 | 40-4607061 | Кольцо уплотнительное | |
60 | Н.036.05.002 | Штуцер ввертной | |
60 | Н.036.05.002 | Штуцер ввертной | |
60 | Н.036.05.002 | Штуцер ввертной | |
61 | НШ 32УЛ-0303001-Б | Насос шестеренный ГОСТ 8753-58 | |
62 | 45-4607027 | Пластина | |
63 | Болт М8Х25 | Болт М8Х25 | |
64 | Шайба 8 | Шайба 8 | |
65 | Болт М8Х50 | Болт М8Х50 | |
66 | 40-4607023 | Патрубок всасывающий | |
67 | 40-4607066 | Кольцо уплотнительное | |
68 | 40-4607028 | Штуцер ввертной | |
69 | 40-4607383 | Скоба | |
69 | 40-4607383 | Скоба | |
70 | 40-4607384 | Прокладка | |
70 | 40-4607384 | Прокладка | |
71 | Болт М8Х20 | Болт М8Х20 | |
71 | Болт М8Х20 | Болт М8Х20 | |
72 | Шайба 8 | Шайба 8 | |
72 | Шайба 8 | Шайба 8 | |
72 | Шайба 8 | Шайба 8 | |
72 | Шайба 8 | Шайба 8 | |
73 | 40-4607067 | Кронштейн масляного бака | |
73 | 40-4607067 | Кронштейн масляного бака | |
74 | Болт М10Х20 | Болт М10Х20 | |
74 | Болт М10Х20 | Болт М10Х20 | |
75 | Шайба 10 | Шайба 10 | |
75 | Шайба 10 | Шайба 10 | |
76 | Шайба 10 | Шайба 10 | |
76 | Шайба 10 | Шайба 10 | |
77 | Шайба 12 | Шайба 12 | |
78 | Болт М12Х25 | Болт М12Х25 | |
78 | Болт М12Х25 | Болт М12Х25 | |
79 | 45-4607231 СБ | Кронштейн | |
79 | 45-4607231 СБ | Кронштейн | |
80 | 40-4607079 | Кронштейн | |
81 | 40-4607093 | Планка | |
82 | 40-4607074 | Прокладка | |
82 | 40-4607074 | Прокладка | |
83 | 40-4607018 | Прокладка | |
83 | 40-4607018 | Прокладка | |
84 | 40-4607033 | Шайба | |
84 | 40-4607033 | Шайба | |
85 | 40-4607037 | Заказать | Болт зажимной |
85 | 40-4607037 | Заказать | Болт зажимной |
86 | 40-4607035-Б СБ | Труба правого цилиндра | |
86 | 40-4607100-Б СБ | Труба правого цилиндра | |
87 | 40-4607030-БС5 | Труба правого цилиндра | |
87 | 40-4607105-Б СБ | Труба правого цилиндра | |
88 | 40-4607016 | Патрубок сливной | |
88 | 40-4607016 | Патрубок сливной | |
89 | 40-4607011 | Труба сливная | |
90 | Болт М10Х16 | Болт М10Х16 | |
90 | Болт М10Х16 | Болт М10Х16 |
Содержащиеся в справочниках-каталогах запасные части и детали не предлагаются к продаже, а носят исключительно информационный характер