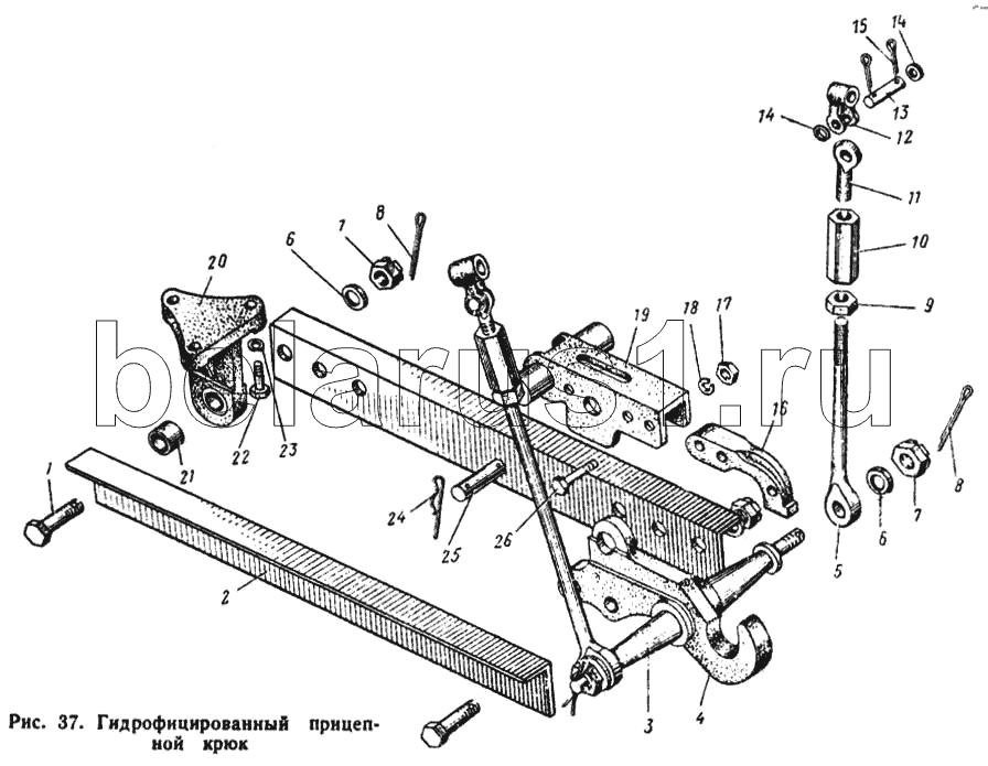
Каталог запасных частей к технике: ЮМЗ-6Л. Гидрофицированный прицепной крюк

1
2
3
4
5
6
6
7
7
8
8
9
10
11
12
13
14
14
15
16
17
18
19
20
21
22
23
24
25
26
26
Позиция на иллюстрации | Заводской номер детали | Название детали | |
---|---|---|---|
40-4605107 | 40-4605107 | Втулка | |
40-2807018 СБ | 40-2807018 СБ | Крюк | |
40-2807018 СБ | 40-2807018 СБ | Крюк | |
40-2807010-Б СБ | 40-2807010-Б СБ | Крюк гидрофицированный | |
45-2807020 СБ | 45-2807020 СБ | Крюк гидрофицированный | |
40-4605061-А3 | 40-4605061-А3 | Палец наружного рычага | |
40-2807050-А СБ | 40-2807050-А СБ | Тяга крюка | |
1 | 40-2807013-В | Болт крюка | |
2 | 40-2807012-В | Тяга крюка | |
3 | 40-2807016-Б | Ось крюка | |
4 | 40-2807011-Б | Крюк | |
5 | 40-2807051-Б | Тяга крюка | |
6 | Шайба 20 | Шайба 20 | |
7 | Гайка М20 | Гайка М20 | |
8 | Шплинт 4Х36 | Шплинт 4Х36 | |
9 | 40-4605091 | Контргайка | |
10 | А62042-Б | Стяжка раскоса | |
11 | 40-4605031 | Винт раскоса верхний | |
12 | А62013-А2 | Шарнир раскоса | |
13 | 40-4605062 | Палец раскоса | |
14 | Шайба 18 | Шайба 18 | |
15 | Шплинт 6,3Х36 | Шплинт 6,3Х36 | |
16 | 40-2807043 | Упор крюка | |
17 | Гайка М16 | Гайка М16 | |
18 | Шайба 16 | Шайба 16 | |
19 | 40-2807040-Б СБ | Кронштейн упора | |
20 | 40-2807015-Б | Кронштейн | |
21 | 40-2807017 | Втулка | |
22 | Болт М18Х50 | Болт М18Х50 | |
23 | Шайба 18 | Шайба 18 | |
24 | 15.62.059 | Шплинт | |
25 | 40-2807014-Б | Палец кронштейна упора | |
26 | Болт М16Х75 | Болт М16Х75 | |
26 | Болт М16Х75 | Болт М16Х75 |
Содержащиеся в справочниках-каталогах запасные части и детали не предлагаются к продаже, а носят исключительно информационный характер