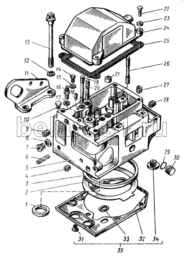
Каталог запасных частей к технике: ЯМЗ-8423. Головка цилиндров

1
2
3
4
5
6
7
8
9
10
11
12
13
14
15
16
17
18
19
20
21
22
23
24
25
26
27
28
29
30
31
32
33
34
35
Позиция на иллюстрации | Заводской номер детали | Название детали | |
---|---|---|---|
1 | 840.1003108 | Седло клапана | |
2 | 840.1003212-30 | Прокладка головки | |
3 | 840.1003466 | Кольцо уплотнительное газового стыка | |
4 | 316601-П29 | Ввертыш | |
5 | 840.1003013-10 | Головка цилиндра в сборе | |
6 | 216527-П29 | Шпилька | |
7 | 316603-П29 | Ввертыш | |
8 | 201-1015624 | Прокладка | |
9 | 316600-П29 | Ввертыш | |
10 | 316121-П29 | Пробка К 1/4" | |
11 | 841.1002350 | Рым | |
12 | 841-1002351 | Рым | |
13 | 312693-П29 | Шайба | |
14 | 840.1003016 | Болт крепления головки | |
15 | 201454-П29 | Болт М8х16 | |
16 | 312638-П | Шайба | |
17 | 840.1104918 | Ниппель | |
18 | 258639-П | Штифт | |
19 | 310450-П2 | Шпилька | |
20 | 310467-П2 | Шпилька | |
21 | 840.1007095 | Втулка-штифт | |
22 | 201464-П29 | Болт М8х40 | |
23 | 252005-П29 | Шайба плоская | |
24 | 840.1003264 | Крышка головки | |
25 | 840.1003270 | Прокладка крышки | |
26 | 310468-П2 | Шпилька | |
27 | 316608-П29 | Ввертыш | |
28 | 316602-П | Ввертыш | |
29 | 238Н-1723031 | Кольцо уплотнительное | |
30 | 840.1003436 | Заглушка | |
31 | 840.1003510 | Вставка уплотнительная | |
32 | 840.1003505 | Прокладка уплотнительная | |
33 | 840.1003506 | Вставка уплотнительная | |
34 | 840.1003508 | Вставка уплотнительная | |
35 | 840.1003514 | Прокладка уплотнительная и вставки на одну головку (комплект для запасных частей) |
Содержащиеся в справочниках-каталогах запасные части и детали не предлагаются к продаже, а носят исключительно информационный характер